电脑桌面
添加小米粒文库到电脑桌面
安装后可以在桌面快捷访问

分户验收检查表(室内电气工程)VIP免费

分户验收检查表(室内电气工程)_第1页
1/73
分户验收检查表(室内电气工程)_第2页
2/73
分户验收检查表(室内电气工程)_第3页
3/73
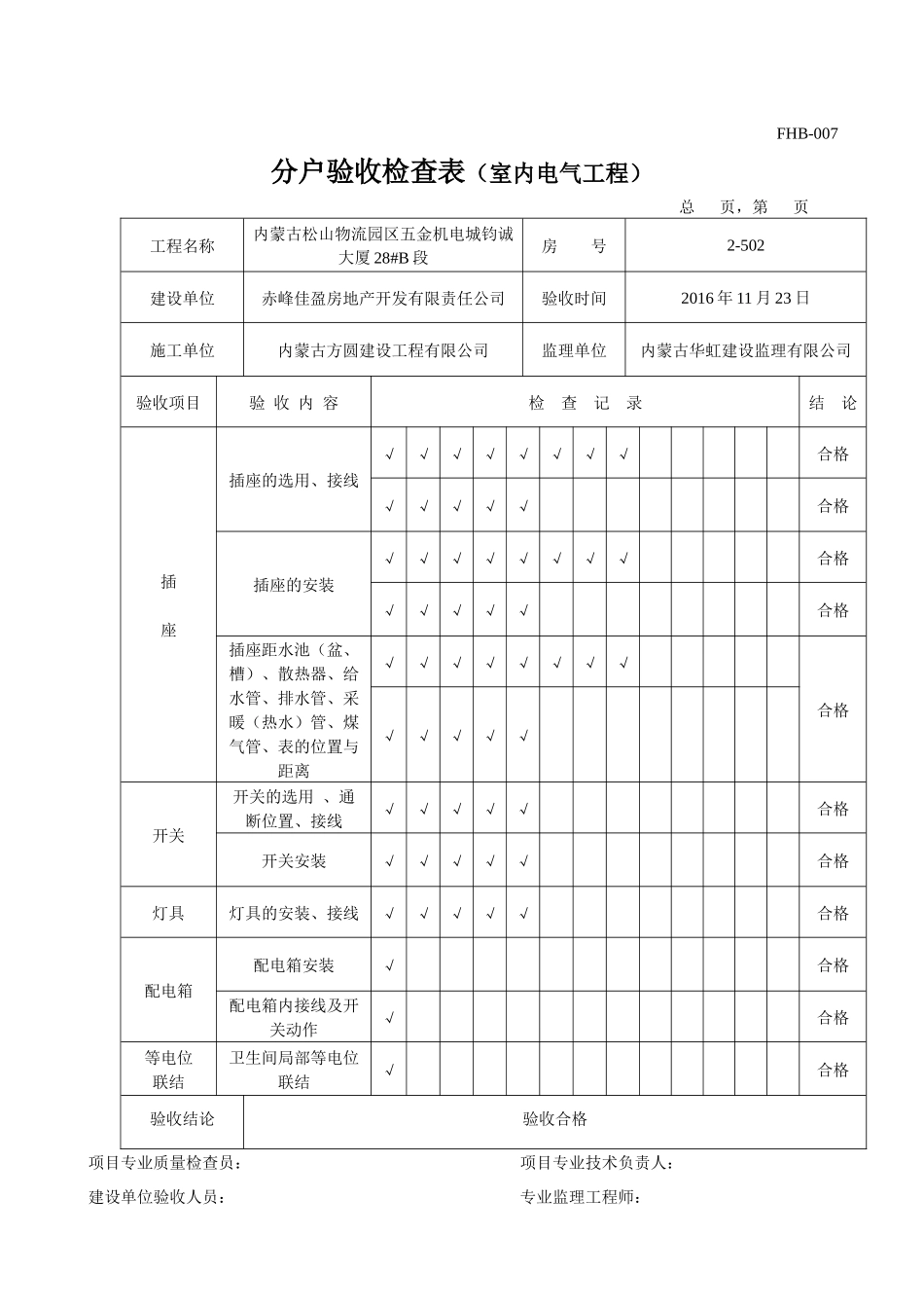
FHB-007分户验收检查表(室内电气工程)总 页,第 页工程名称内蒙古松山物流园区五金机电城钧诚大厦 28#B 段房 号2-501建设单位赤峰佳盈房地产开发有限责任公司 验收时间2016 年 11 月 23 日施工单位内蒙古方圆建设工程有限公司监理单位内蒙古华虹建设监理有限公司验收项目验 收 内 容检 查 记 录结 论插座插座的选用、接线√√√√√√√√合格√√√√√合格插座的安装√√√√√√√√合格√√√√√合格插座距水池(盆、槽)、散热器、给水管、排水管、采暖(热水)管、煤气管、表的位置与距离√√√√√√√√合格√√√√√开关开关的选用 、通断位置、接线√√√√√合格开关安装√√√√√合格灯具灯具的安装、接线√√√√√合格配电箱配电箱安装√合格配电箱内接线及开关动作√合格等电位联结卫生间局部等电位联结√合格验收结论验收合格 项目专业质量检查员: 项目专业技术负责人: 建设单位验收人员: 专业监理工程师:FHB-007分户验收检查表(室内电气工程)总 页,第 页工程名称内蒙古松山物流园区五金机电城钧诚大厦 28#B 段房 号2-502建设单位赤峰佳盈房地产开发有限责任公司 验收时间2016 年 11 月 23 日施工单位内蒙古方圆建设工程有限公司监理单位内蒙古华虹建设监理有限公司验收项目验 收 内 容检 查 记 录结 论插座插座的选用、接线√√√√√√√√合格√√√√√合格插座的安装√√√√√√√√合格√√√√√合格插座距水池(盆、槽)、散热器、给水管、排水管、采暖(热水)管、煤气管、表的位置与距离√√√√√√√√合格√√√√√开关开关的选用 、通断位置、接线√√√√√合格开关安装√√√√√合格灯具灯具的安装、接线√√√√√合格配电箱配电箱安装√合格配电箱内接线及开关动作√合格等电位联结卫生间局部等电位联结√合格验收结论验收合格 项目专业质量检查员: 项目专业技术负责人: 建设单位验收人员: 专业监理工程师:FHB-007分户验收检查表(室内电气工程)总 页,第 页工程名称内蒙古松山物流园区五金机电城钧诚大厦 28#B 段房 号2-503建设单位赤峰佳盈房地产开发有限责任公司 验收时间2016 年 11 月 23 日施工单位内蒙古方圆建设工程有限公司监理单位内蒙古华虹建设监理有限公司验收项目验 收 内 容检 查 记 录结 论插座插座的选用、接线√√√√√√√√合格√√√√√合格插座的安装√√√√√√√√合格√√√√√合格插座距水...

1、当您付费下载文档后,您只拥有了使用权限,并不意味着购买了版权,文档只能用于自身使用,不得用于其他商业用途(如 [转卖]进行直接盈利或[编辑后售卖]进行间接盈利)。
2、本站所有内容均由合作方或网友上传,本站不对文档的完整性、权威性及其观点立场正确性做任何保证或承诺!文档内容仅供研究参考,付费前请自行鉴别。
3、如文档内容存在违规,或者侵犯商业秘密、侵犯著作权等,请点击“违规举报”。

碎片内容

分户验收检查表(室内电气工程)

您可能关注的文档

确认删除?
VIP
微信客服
  • 扫码咨询
会员Q群
  • 会员专属群点击这里加入QQ群
客服邮箱
回到顶部