电脑桌面
添加小米粒文库到电脑桌面
安装后可以在桌面快捷访问

内墙一般抹灰工程检验批质量验收记录表VIP免费

内墙一般抹灰工程检验批质量验收记录表_第1页
1/8
内墙一般抹灰工程检验批质量验收记录表_第2页
2/8
内墙一般抹灰工程检验批质量验收记录表_第3页
3/8
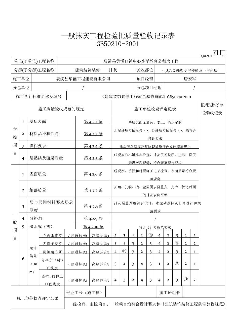
一般抹灰工程检验批质量验收记录表GB50210-2001单位(子单位)工程辰溪县黄溪口镇中心小学教育公租房工分部(子分部)工程建筑装饰装修抹灰验收部I-38/施工单辰溪县华盛工程建设有限公项目经唐安分包单GB50210-2001 的规定,评定合格项目专业质量检查员:年月日监理(建设)单位验收结论专业监理工程师(建设单年月日位项目专业技术负责人):一般抹灰工程检验批质量验收记录表GB5O21O2001030201P分包项目经理施工质量验收规范的规定施工单位检查评定记录监理健设)单位验收记录主控项目1基层表面第 4.2.2 条基层表面无油污、尘土,洒水湿润2材料品种和性能第 4.2.3 条水泥进场复试报告()、砂进场复试报告(),均符合设计要求3操作要求第 4.2.4 条抹灰层总厚度及其防裂措施符合设计规范规定4层粘结及面层质量第 4.2.5 条经观察和小锤锤击检查,抹灰层无脱层、空鼓,面层无煤灰和裂缝,符合规范规定要求般项目1表面质量第 4.2.6 条经观察、手摸和对照施工记录检查,表面质量符合规范规定2细部质量第 4.2.7 条护角、孔洞,槽、盒周围表面整齐、光滑,管道后面的抹灰表面平整3层与层间材料要求层总厚度第 4.2.8 条抹灰层总厚度符合设计,水泥砂浆抹灰符合设计和夫范要求4分格缝第 4.2.9 条/施工执行标准名称及编号《建筑装饰装修工程质量验收规范》GB50210-20015滴水线(槽)第 4L.2.10 条符合设计及规范要求6允许偏差(mm)立面垂直度丿普通抹灰 1高级抹灰32312⑤42321表面平整度丿普通抹灰1高级抹灰31132342⑤22阴阳角方正丿普通抹勉高级抹灰34⑤32342321分格条(缝)直线度丿普通抹勉高级抹灰33234312⑥21墙裙、勒脚上口直线度丿普通抹勉高级抹灰343243423⑥2施工单位检查评定结果专业工长(施工员)施工班组长经检查,主控项目、一般项目均符合设计要求和《建筑装饰装修工程质量验收规范》GB5O21O-2OO1 的规定,评定合格项目专业质量检查员:年月日监理(建设)单位验收结论专业监理工程师(建设单年月日位项目专业技术负责人):一般抹灰工程检验批质量验收记录表GB5O21O2001单位(子单位)工程名称O?O2OiO3 辰溪县黄溪口镇中心小学教育公租房工程分部(子分部)工程名称建筑装饰装修抹灰验收部位1-38/A-G 轴二层内墙施工单位辰溪县华盛工程建设有限公司项目经理唐安车分包单位/分包项目经理/施工执行标准名称及编号《建筑装饰装修工程质量验收规范》GB5O21O-2OO1施工质量验收规范的规定施工单位检查评定记录监理健设...

1、当您付费下载文档后,您只拥有了使用权限,并不意味着购买了版权,文档只能用于自身使用,不得用于其他商业用途(如 [转卖]进行直接盈利或[编辑后售卖]进行间接盈利)。
2、本站所有内容均由合作方或网友上传,本站不对文档的完整性、权威性及其观点立场正确性做任何保证或承诺!文档内容仅供研究参考,付费前请自行鉴别。
3、如文档内容存在违规,或者侵犯商业秘密、侵犯著作权等,请点击“违规举报”。

碎片内容

内墙一般抹灰工程检验批质量验收记录表

您可能关注的文档

确认删除?
VIP
微信客服
  • 扫码咨询
会员Q群
  • 会员专属群点击这里加入QQ群
客服邮箱
回到顶部