电脑桌面
添加小米粒文库到电脑桌面
安装后可以在桌面快捷访问

冷水机组设计实例讲解学习VIP免费

冷水机组设计实例讲解学习_第1页
1/12
冷水机组设计实例讲解学习_第2页
2/12
冷水机组设计实例讲解学习_第3页
3/12
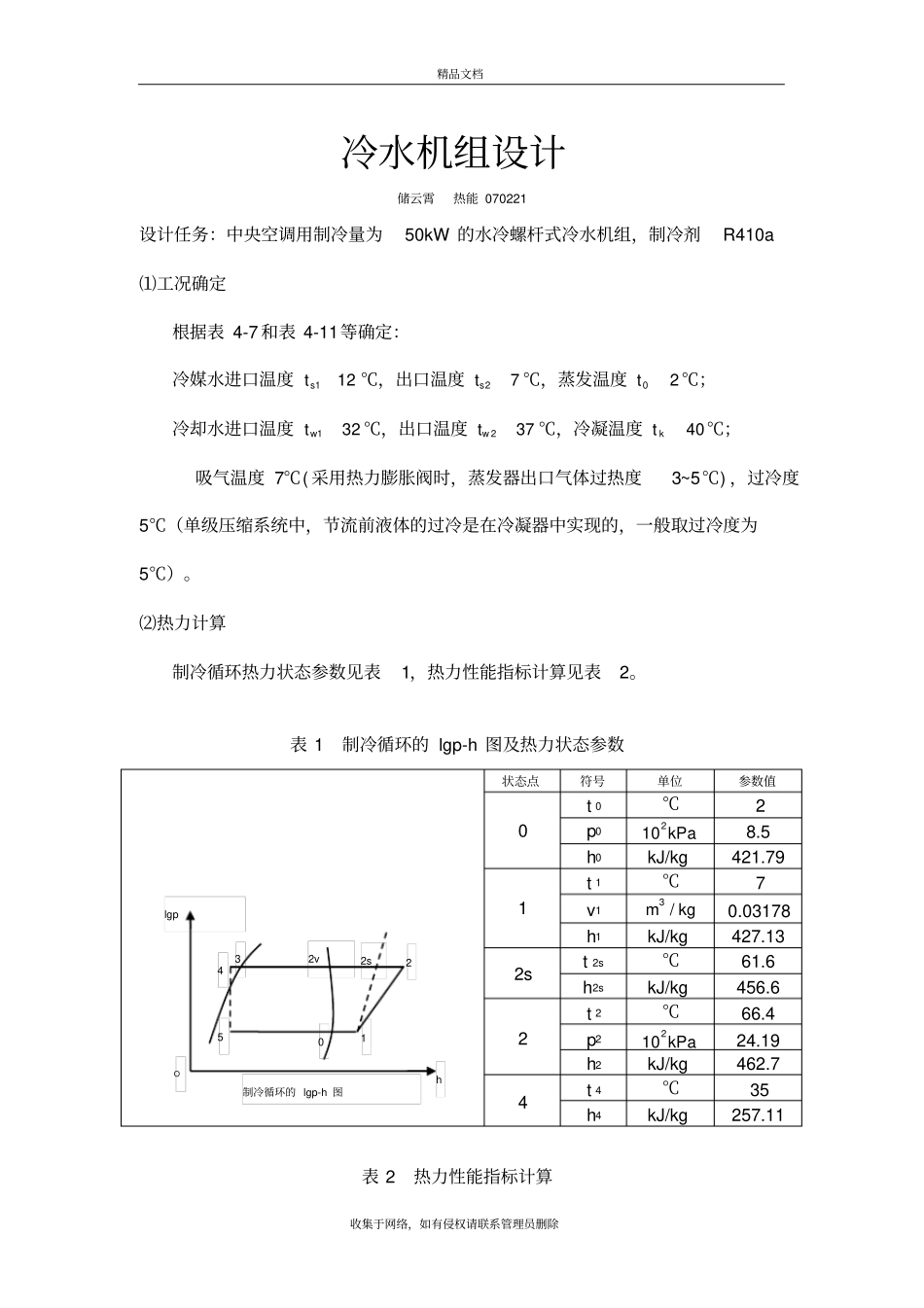
冷 水 机 组 设 计 实 例精品文档收集于网络,如有侵权请联系管理员删除冷水机组设计储云霄热能 070221 设计任务:中央空调用制冷量为50kW 的水冷螺杆式冷水机组,制冷剂R410a⑴工况确定根据表 4-7 和表 4-11等确定:冷媒水进口温度112st℃,出口温度27st℃,蒸发温度02t℃;冷却水进口温度132wt℃,出口温度237wt℃,冷凝温度40kt℃;吸气温度 7℃( 采用热力膨胀阀时,蒸发器出口气体过热度3~5℃) ,过冷度5℃(单级压缩系统中,节流前液体的过冷是在冷凝器中实现的,一般取过冷度为5℃)。⑵热力计算制冷循环热力状态参数见表1,热力性能指标计算见表2。表 1 制冷循环的 lgp-h 图及热力状态参数状态点符号单位参数值0 t 0℃2 p0210 kPa8.5 h0 kJ/kg 421.79 1 t 1 ℃7 v1 3 /mkg0.03178 h1 kJ/kg 427.13 2st 2s ℃61.6 h2s kJ/kg 456.6 2 t 2℃66.4 p2210 kPa24.19 h2 kJ/kg 462.7 4 t 4 ℃35 h4 kJ/kg 257.11 表 2 热力性能指标计算lgp 5 2s 2v 4 3 0 1 2 h O 制冷循环的 lgp-h 图精品文档收集于网络,如有侵权请联系管理员删除项目计算公式单位计算值备注单位质量制冷量015qhhkJ/kg 170.02 单位体积制冷量01vqqv3kJ m5350 单位指示功21iwhhkJ/kg 35.57 单位冷凝热24kqhhkJ/kg 205.6 制冷剂质量流量00mqQqKg/s 0.29 压缩机理论排气量1hmqq v3ms0.0123 取0.75制冷系数0iiqw4.78 卡诺循环制冷系数00()ckTTT7.25 热力完善度ic0.66 压缩机输入电功率mimmotq wPkW 13.33 取0.90m0.86mot冷凝器负荷kmkQqqkW 59.6 能效比0EERQP3.75 ⑶压缩机选择在实际工况所需冷负荷已知的情况下,螺杆压缩机理论输气量为244pVm h 。据此选择开利涡普单螺杆压缩机,型号×××,该压缩机理论排气量为2pVmh。此压缩机在实际工况下的制冷剂流量为:mqkg s,实际工况下的制冷量为×××kW.。相对误差为:×××。因此,此压缩机选择满足要求。⑷蒸发器的设计计算① 蒸发器机构的初步规划本系统采用干式管壳蒸发器,结构初步规划如图1 所示。传热管选取 ?12×1mm铜管,管束按正三角形排列,管距取16mm,壳体内径308idmm,流程数N=4,总管数 Z=116,则每一流程平均管数Zm=29,管长 L=1960mm,折流板数 Nb=19,折流板间距 S1=130mm, S2=85mm,管板厚32Bmm ,折流板厚精品文档收集于网络,如有侵权请联系管理员删除5bmm ,折流板上缺口高H1=64mm,折流板下缺口高H...

1、当您付费下载文档后,您只拥有了使用权限,并不意味着购买了版权,文档只能用于自身使用,不得用于其他商业用途(如 [转卖]进行直接盈利或[编辑后售卖]进行间接盈利)。
2、本站所有内容均由合作方或网友上传,本站不对文档的完整性、权威性及其观点立场正确性做任何保证或承诺!文档内容仅供研究参考,付费前请自行鉴别。
3、如文档内容存在违规,或者侵犯商业秘密、侵犯著作权等,请点击“违规举报”。

碎片内容

冷水机组设计实例讲解学习

您可能关注的文档

确认删除?
VIP
微信客服
  • 扫码咨询
会员Q群
  • 会员专属群点击这里加入QQ群
客服邮箱
回到顶部