电脑桌面
添加小米粒文库到电脑桌面
安装后可以在桌面快捷访问

制冷装置设计讲解VIP免费

制冷装置设计讲解_第1页
1/35
制冷装置设计讲解_第2页
2/35
制冷装置设计讲解_第3页
3/35
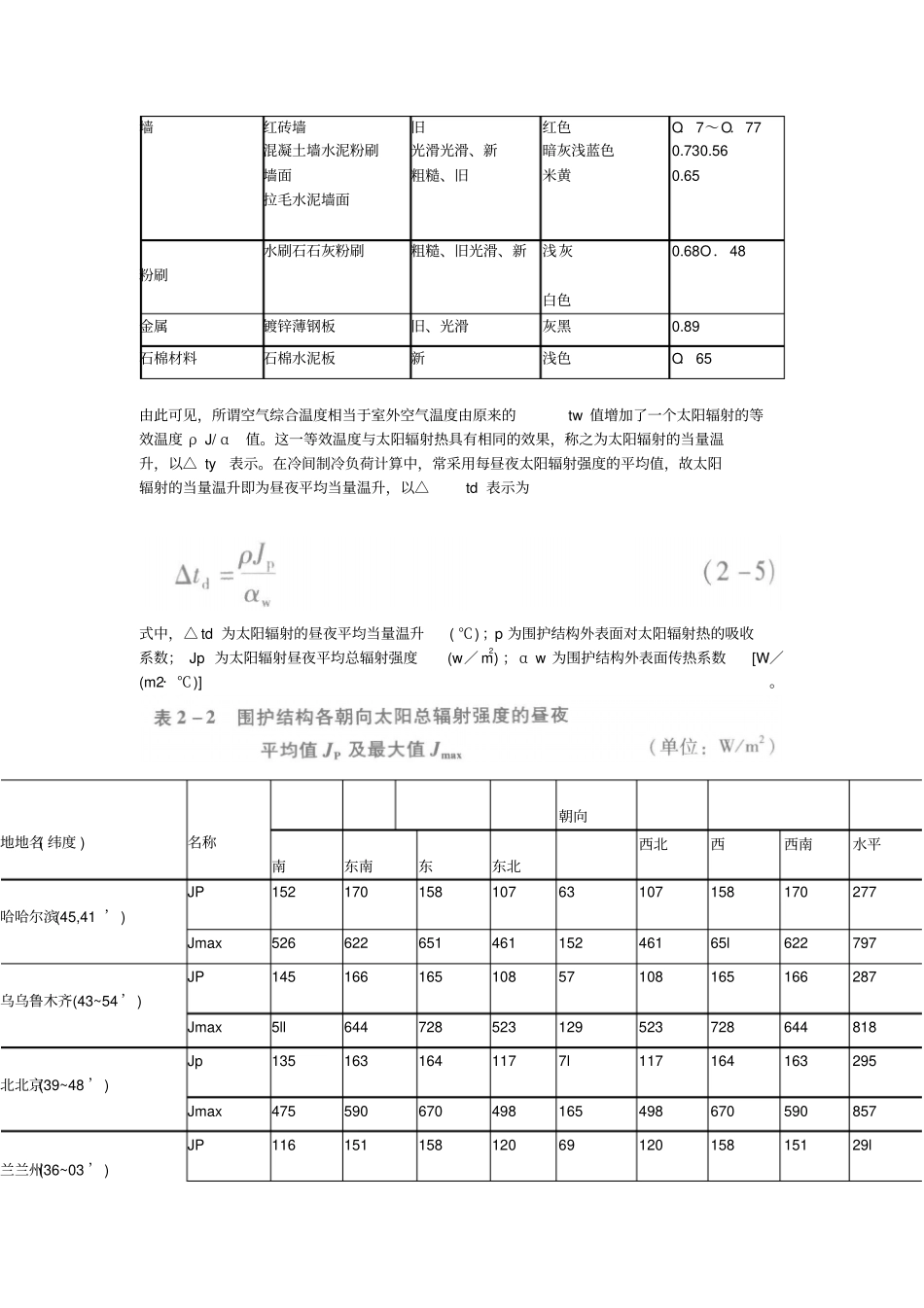
第 2 章制冷负荷计算冷间是人工降温房间的统称,包括冷冻间、冷却间、冷却物冷藏间、冻结物冷藏间、冰库、冷加 工间和低温穿堂。 冷间的制冷负荷就是为维持冷间低温单位时间需取出的热量。由于外界环境温度、 食品储藏量、 食品加工季节和操作等的差异,制冷负荷是不相同的。因此,正确地计算制冷负荷是制冷装置设计的工作之一。制冷负荷计算是指冷却设备负荷和制冷系统机械负荷的计算,其目的在于合理正确地确定冷却设备负荷和机械负荷,为制冷装置的设计提供依据。同时,还可以通过对构成冷负荷的各个部分热负荷的计算与分析,探讨各种因素对冷负荷的影响,以寻求减少制冷装置冷负荷的方法与途径。制冷装置 工作时,只有当制冷量与热负荷平衡时,冷间才能维持规定的空气温度和相对湿度。通常,制冷装置的热负荷Q由以下几个部分组成:(1) 围护结构传热量Q1由于冷间内外温差和太阳辐射热的作用,通过围护结构的传热量,包括两部分:①由于室内外空气温差(tw-tn)引起的传热量;②冷间围护结构外表面吸收太阳辐射热 ( △ty=pj/α w)引起的传热量。(2) 货物热量 Q2由于货物 ( 食品 ) 与冷问空气之间存在温度差,食品在冷却或冻结过程中放出的热量,或者在冷加工过程中放出的热量,简称为货物热量,包括:①食品热量;②包装材料和运载丁具热量;③食品冷却时的呼吸热量;④食品冷藏时的呼吸热量。(3) 通风换气热量Q3冷间需要通风换气,外界空气进入冷间而带进的热量,称为通风换气热量,包括:①鲜活食品呼吸需要补充的新鲜空气热量;②操作人员呼吸需要补充的新鲜空气热量。(4) 电动机热量Q4冷间内各种动力设备上的电动机散热量,称为电动机热量;包括:①库房内风机电动机产生的热量;②运输工具电动机产生的热量。(5) 操作热量 Q5由于冷问的照明、操作人员散热及开门引起的热量,称为操作热量,包括:①照明热量;②开门热量;③操作人员热量。南于各种制冷装置的结构和功能各具特点,热负荷的组成与计算亦略有差异,本章将以冷库为主, 介绍冷间制冷负荷的组成及计算方法,以及冷却设备负荷与机械负荷汁算方法。2.1 围护结构传热量Ql 冷间温度鄙低于外界环境温度,由于冷间内外的温度差,外界热量通过冷间围护结构向冷间传递。冷间围护结构的传热是复杂的、不稳定的传热过程,受时间、地点、季节、气候、 建筑热工特性等诸多因素的影响。外界通过围护结构传人的热量主要受两个方面因素的影响,一是由冷间内外传热温差(t...

1、当您付费下载文档后,您只拥有了使用权限,并不意味着购买了版权,文档只能用于自身使用,不得用于其他商业用途(如 [转卖]进行直接盈利或[编辑后售卖]进行间接盈利)。
2、本站所有内容均由合作方或网友上传,本站不对文档的完整性、权威性及其观点立场正确性做任何保证或承诺!文档内容仅供研究参考,付费前请自行鉴别。
3、如文档内容存在违规,或者侵犯商业秘密、侵犯著作权等,请点击“违规举报”。

碎片内容

制冷装置设计讲解

您可能关注的文档

确认删除?
VIP
微信客服
  • 扫码咨询
会员Q群
  • 会员专属群点击这里加入QQ群
客服邮箱
回到顶部