电脑桌面
添加小米粒文库到电脑桌面
安装后可以在桌面快捷访问

某交通建设试验现场检测VIP免费

某交通建设试验现场检测_第1页
1/32
某交通建设试验现场检测_第2页
2/32
某交通建设试验现场检测_第3页
3/32
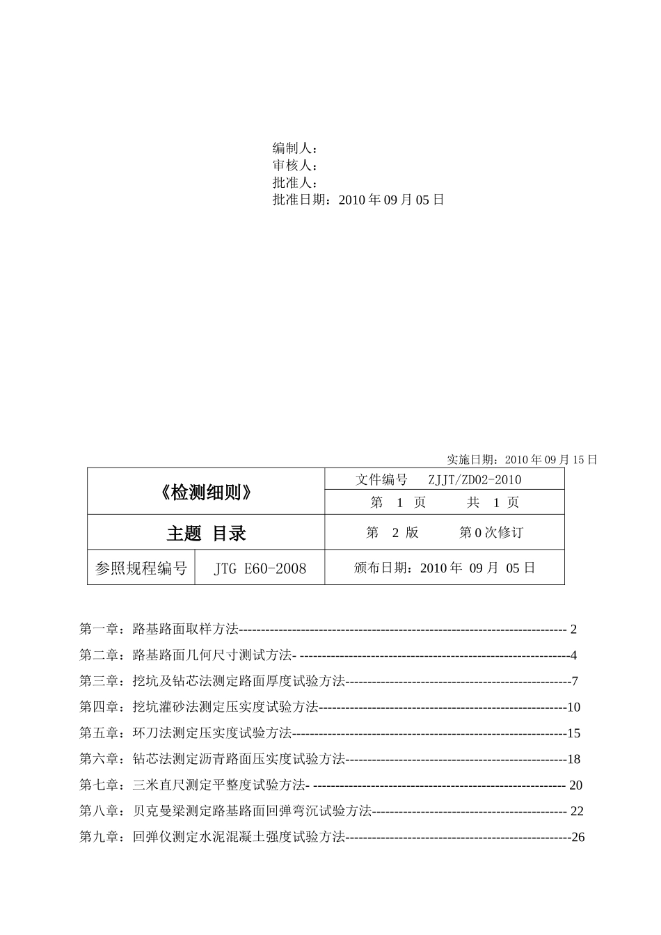
诸暨市锦顺交通建设试验有限公司 ZJJT/ZD02-2010现 场 检 测(检测细则)编制人:审核人:批准人:批准日期:2010 年 09 月 05 日 实施日期:2010 年 09 月 15 日《检测细则》 文件编号 ZJJT/ZD02-2010第 1 页 共 1 页主题 目录第 2 版 第 0 次修订参照规程编号JTG E60-2008颁布日期:2010 年 09 月 05 日第一章:路基路面取样方法-------------------------------------------------------------------------- 2第二章:路基路面几何尺寸测试方法- -------------------------------------------------------------4第三章:挖坑及钻芯法测定路面厚度试验方法---------------------------------------------------7第四章:挖坑灌砂法测定压实度试验方法--------------------------------------------------------10第五章:环刀法测定压实度试验方法--------------------------------------------------------------15第六章:钻芯法测定沥青路面压实度试验方法--------------------------------------------------18第七章:三米直尺测定平整度试验方法- --------------------------------------------------------- 20第八章:贝克曼梁测定路基路面回弹弯沉试验方法-------------------------------------------- 22第九章:回弹仪测定水泥混凝土强度试验方法---------------------------------------------------26第十章:手工铺砂法测定路面构造深度试验方法------------------------------------------------31第十一章:摆式仪测定路面摩擦系数试验方法---------------------------------------------------33《检测细则》 文件编号 ZJJT/ZD02.1-2010第 1 页 共 2 页第一章 路基路面取样方法(T0901-2008)第 2 版 第 0 次修订颁布日期:2010 年 09 月 05 日1 适用范围1.1 本方法适用于路面取芯机或路面切割机在现场钻取或切割路面的代表性试样。1.2 本方法适用于对水泥混凝土面层、沥青混合料面层或水泥、石灰、粉煤灰等无机结合料稳定基层取样,以测定其密度或物理力学性质。1.3 本方法钻孔采取芯样的直径宜不小于最大集料粒径的 3 倍。2 仪具与材料本方法需要下列仪具与材料:1)路面取芯钻机:牵引式或车载式,钻机由发动机或电力马达驱动。钻头直径根据需要决定,选用 Φ100mm 或 Φ150mm 的金刚石钻头,均有淋水冷却装置。2)台秤。3)盛样器(袋)或铁盘等。...

1、当您付费下载文档后,您只拥有了使用权限,并不意味着购买了版权,文档只能用于自身使用,不得用于其他商业用途(如 [转卖]进行直接盈利或[编辑后售卖]进行间接盈利)。
2、本站所有内容均由合作方或网友上传,本站不对文档的完整性、权威性及其观点立场正确性做任何保证或承诺!文档内容仅供研究参考,付费前请自行鉴别。
3、如文档内容存在违规,或者侵犯商业秘密、侵犯著作权等,请点击“违规举报”。

碎片内容

某交通建设试验现场检测

您可能关注的文档

书海行舟+ 关注
实名认证
内容提供者

热爱教学事业,对互联网知识分享很感兴趣

确认删除?
VIP
微信客服
  • 扫码咨询
会员Q群
  • 会员专属群点击这里加入QQ群
客服邮箱
回到顶部