电脑桌面
添加小米粒文库到电脑桌面
安装后可以在桌面快捷访问

江苏省物价局_江苏省交通厅联合发布交通工程质量检测和工程材料试验VIP免费

江苏省物价局_江苏省交通厅联合发布交通工程质量检测和工程材料试验_第1页
1/25
江苏省物价局_江苏省交通厅联合发布交通工程质量检测和工程材料试验_第2页
2/25
江苏省物价局_江苏省交通厅联合发布交通工程质量检测和工程材料试验_第3页
3/25
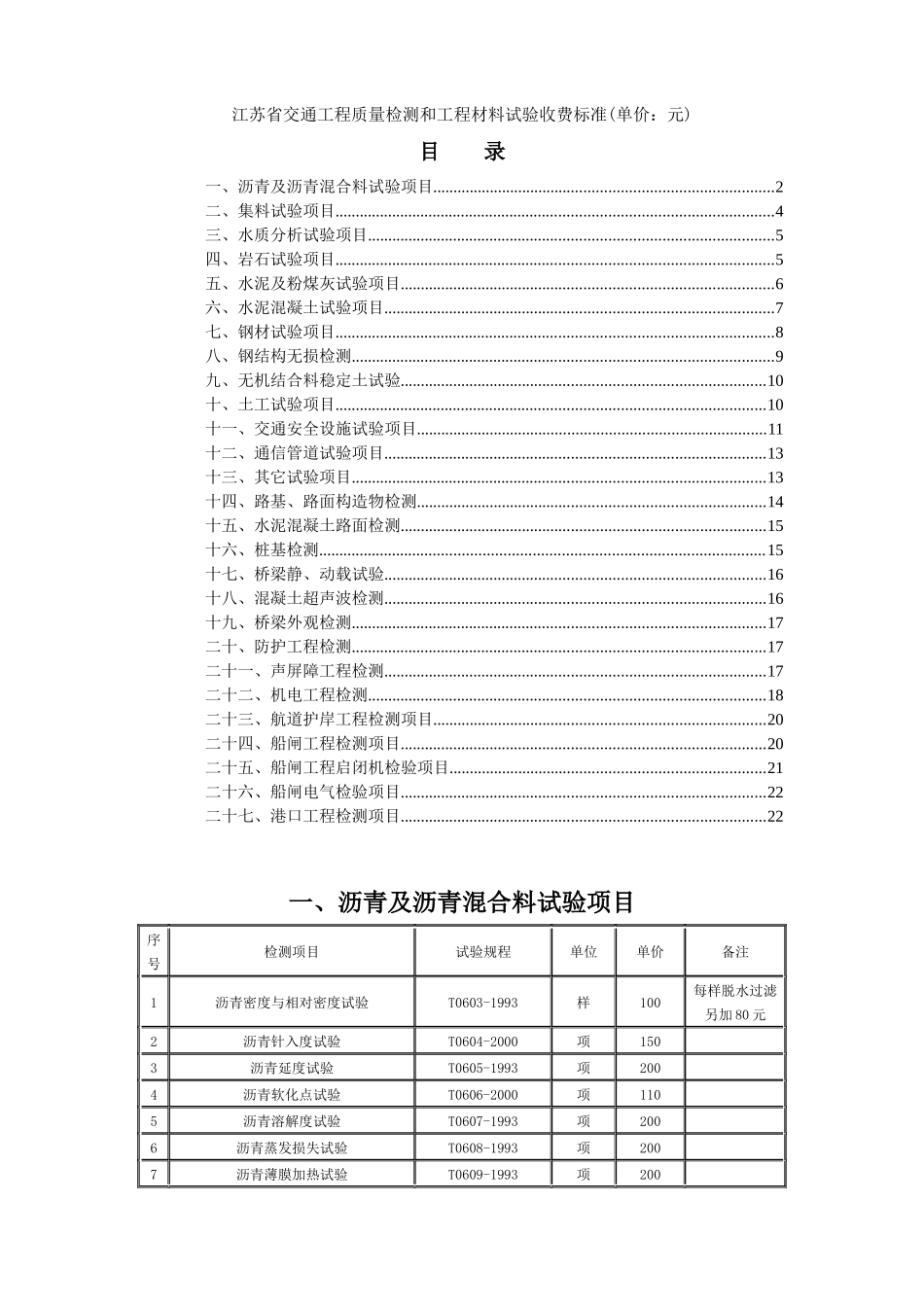
江苏省物价局 江苏省交通厅联合发布交通工程质量检测和工程材料试验收费标准2003 年 2 月 18 日,省物价局与省交通厅联合发布了《江苏省交通工程质量检测和工程材料试验收费标准》(试行)(以下简称《标准》)。自 2003 年 3 月 1 日起试行两年。自此,我省交通建设工程试验检测项目有了一个统一的收费标准,规范了试验检测单位的收费行为,促进了试验检测水平的提高,推动了我省试验检测事业的健康发展。目前,此项工作走在全国前列,一些兄弟省份已考虑予以借鉴。为使《标准》更科学合理,省交通厅质监站向各市交通局、有关市港口管理局,省交通厅公路局、航道局,省高速公路建设指挥部、省苏通大桥建设指挥部、南京第三长江公路大桥建设指挥部,各市质监站、有关港口质监站,江苏省交通工程质量检测中心、江苏省交通厅质监站检测中心、江苏省交通厅质监站钢结构试验室、江苏省交通厅公路局交通工程检测中心共 41 家相关单位,印发了《江苏省交通工程质量检测和工程材料试验收费标准》(征求意见稿),广泛征求意见。邀请了省内交通系统的有关建设单位、试验检测单位、质量监督机构和有关管理部门共 15 家单位,召开了座谈会,对《江苏省交通工程质量检测和工程材料试验收费标准》(征求意见稿)进行了充分的讨论,最终由江苏省物价局和交通厅联合发布。江苏省交通工程质量检测和工程材料试验收费标准(单价:元)目 录一、沥青及沥青混合料试验项目...................................................................................2二、集料试验项目...........................................................................................................4三、水质分析试验项目...................................................................................................5四、岩石试验项目...........................................................................................................5五、水泥及粉煤灰试验项目...........................................................................................6六、水泥混凝土试验项目...............................................................................................7七、钢材试验项目...........................................................................................................8八、钢结...

1、当您付费下载文档后,您只拥有了使用权限,并不意味着购买了版权,文档只能用于自身使用,不得用于其他商业用途(如 [转卖]进行直接盈利或[编辑后售卖]进行间接盈利)。
2、本站所有内容均由合作方或网友上传,本站不对文档的完整性、权威性及其观点立场正确性做任何保证或承诺!文档内容仅供研究参考,付费前请自行鉴别。
3、如文档内容存在违规,或者侵犯商业秘密、侵犯著作权等,请点击“违规举报”。

碎片内容

江苏省物价局_江苏省交通厅联合发布交通工程质量检测和工程材料试验

您可能关注的文档

书海行舟+ 关注
实名认证
内容提供者

热爱教学事业,对互联网知识分享很感兴趣

确认删除?
VIP
微信客服
  • 扫码咨询
会员Q群
  • 会员专属群点击这里加入QQ群
客服邮箱
回到顶部