电脑桌面
添加小米粒文库到电脑桌面
安装后可以在桌面快捷访问

邹魏热电厂煤粉锅炉技术协议VIP免费

邹魏热电厂煤粉锅炉技术协议_第1页
1/8
邹魏热电厂煤粉锅炉技术协议_第2页
2/8
邹魏热电厂煤粉锅炉技术协议_第3页
3/8
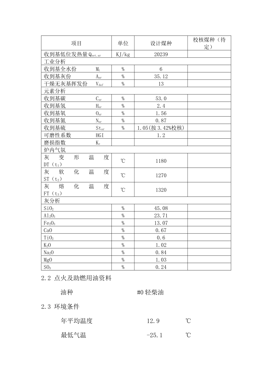
滨州魏桥热电有限公司(需方)、武汉锅炉股份有限公司(供方)经过友好协商后决定:由武汉锅炉股份有限公司向滨州魏桥热电有限公司提供 8×240t/h 高温高压煤粉锅炉。有关技术事宜双方共同协商达成如下协议:1、锅炉形式及主要规范:1.1 本期工程装置 8 台 240t/h 高温高压煤粉锅炉,锅炉为单锅筒自然循环、∏型布置,平衡通风,悬浮燃烧,固态排渣、露天布置,全钢结构,双排柱。1.2 锅炉容量和主要参数(要求主蒸汽压力和温度与汽轮机的参数相匹配)。过热蒸汽:额定蒸发量:240t/h蒸汽温度:540 +5℃ -10℃蒸汽压力:9.81±0.2MPa给水温度:215℃排烟温度:≤130—140℃1.3 锅炉热力特性(额定工况)锅炉保证效率(按低位发热量)不低于 90%(冷风温度为 20℃)空气预热器进风温度 20℃空气预热器出口热风温度~350℃2、设计条件和环境条件2.1 燃煤成份及特性项目单位设计煤种校核煤种(待定)收到基低位发热量 Qnet.arKJ/kg20239工业分析收到基全水份 Mt%6收到基灰份 Aar%35.12干燥无灰基挥发份 Vdaf%13元素分析收到基碳 Car%53.0收到基氢 Har%2.4收到基氧 Oar%1.56收到基氮 Nar%0.87收到基硫 Star%1.05(按 3.42%校核)可磨性系数 HGI1.2磨损指数 Ke炉内气氛灰变形温度 DT(t1)℃1180灰软化温度 ST(t2)℃1270灰熔化温度 FT(t3)℃1320灰分析SiO2%45.08Al2O3%23.71Fe2O3%13.07CaO%0.67TiO2%0.6K2O%1.02Na2O%0.84MgO%1.03SO3%0.242.2 点火及助燃用油资料油种#0 轻柴油2.3 环境条件年平均温度12.9℃最低气温-25.1℃最高气温42.8℃历年平均风速2.8m/s30 年一遇 10 米高 10 分钟最大风速 30 m/s30 年一遇最大积雪深度230mm地震基本烈度6度设防地震烈度7度厂区场地土壤类别 Ⅱ类2.4 锅炉给水锅炉正常连续排污率(额定工况)不大于 2%。补给水方式:一级除盐加混床锅炉给水标准:锅炉给水按 GB/T12145-1999《火力发电机组及蒸汽动力设备水汽质量标准》。2.5 锅炉运行条件锅炉运行方式:带基本负荷,定压运行,并可调峰。制粉系统:钢球磨中间储仓式制粉系统,热风送粉,一炉二磨。给水调节:定速给水泵空气预热器进风加热方式:热风再循环和暖风器除渣方式:采用螺旋捞渣机除渣2.6 标准和规范锅炉设计、制造、检验、验收应遵守下列标准:1)JB/T6696-93电站锅炉产品技术条件2)GB10184-88电站锅炉热工性能试验规程3)JB/Z201-83电站锅炉水动力计算方法4)GB9222-88水管锅炉受压元件强度计算5)JB33...

1、当您付费下载文档后,您只拥有了使用权限,并不意味着购买了版权,文档只能用于自身使用,不得用于其他商业用途(如 [转卖]进行直接盈利或[编辑后售卖]进行间接盈利)。
2、本站所有内容均由合作方或网友上传,本站不对文档的完整性、权威性及其观点立场正确性做任何保证或承诺!文档内容仅供研究参考,付费前请自行鉴别。
3、如文档内容存在违规,或者侵犯商业秘密、侵犯著作权等,请点击“违规举报”。

碎片内容

邹魏热电厂煤粉锅炉技术协议

书海行舟+ 关注
实名认证
内容提供者

热爱教学事业,对互联网知识分享很感兴趣

确认删除?
VIP
微信客服
  • 扫码咨询
会员Q群
  • 会员专属群点击这里加入QQ群
客服邮箱
回到顶部