电脑桌面
添加小米粒文库到电脑桌面
安装后可以在桌面快捷访问

某啤酒企业仓储保管员b岗(瓶盖商标库)岗位说明书VIP免费

某啤酒企业仓储保管员b岗(瓶盖商标库)岗位说明书_第1页
1/4
某啤酒企业仓储保管员b岗(瓶盖商标库)岗位说明书_第2页
2/4
某啤酒企业仓储保管员b岗(瓶盖商标库)岗位说明书_第3页
3/4
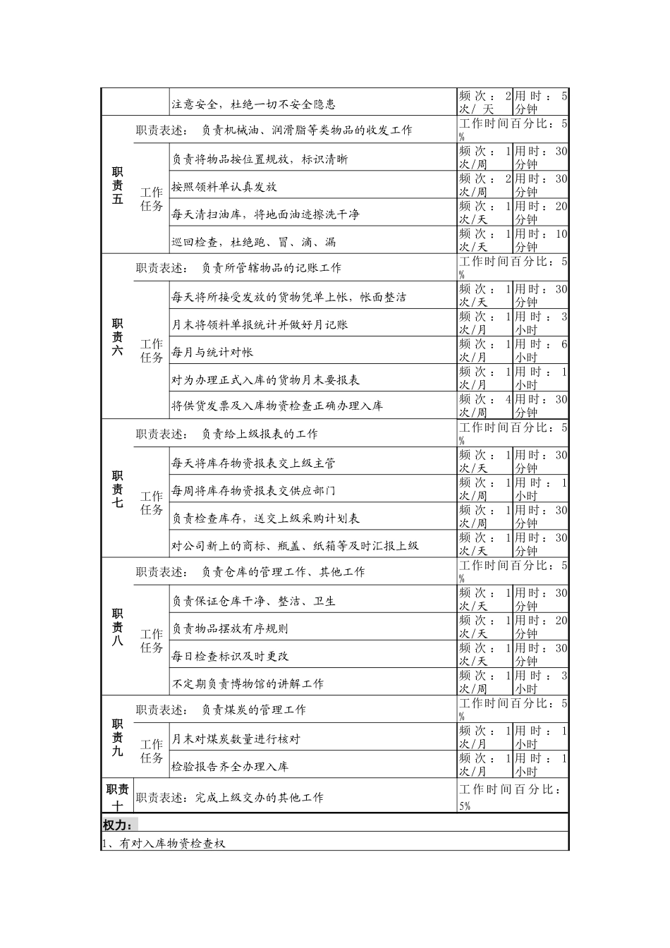
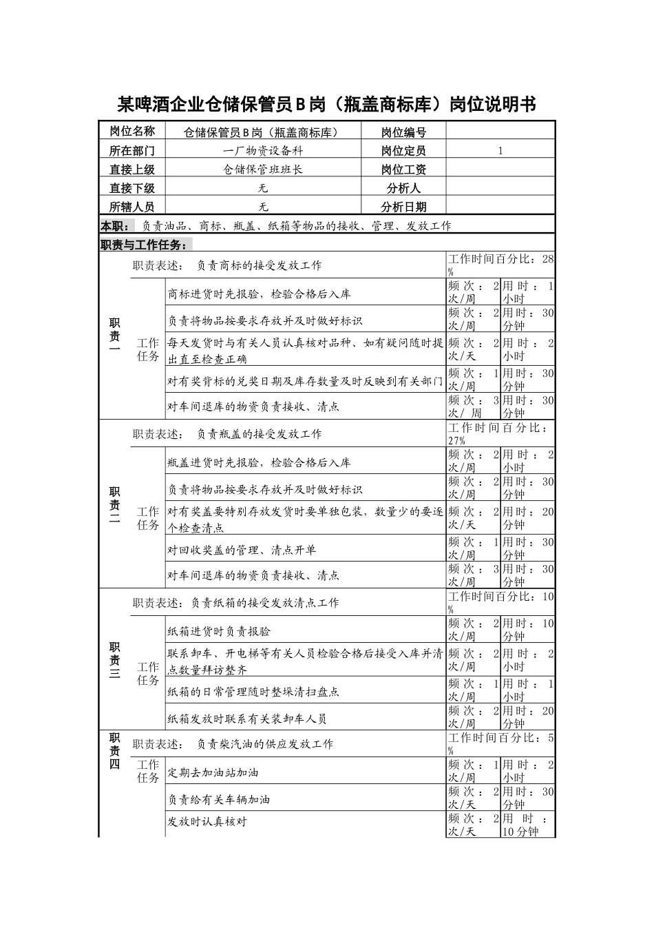
某啤酒企业仓储保管员 B 岗(瓶盖商标库)岗位说明书岗位名称仓储保管员 B 岗(瓶盖商标库)岗位编号所在部门一厂物资设备科岗位定员1直接上级仓储保管班班长岗位工资直接下级无分析人所辖人员无分析日期本职: 负责油品、商标、瓶盖、纸箱等物品的接收、管理、发放工作职责与工作任务:职责一职责表述: 负责商标的接受发放工作工作时间百分比:28 %工作任务商标进货时先报验,检验合格后入库频 次 : 2次/周 用 时 : 1小时负责将物品按要求存放并及时做好标识频 次 : 2次/周 用 时 : 30分钟每天发货时与有关人员认真核对品种、如有疑问随时提出直至检查正确频 次 : 2次/天 用 时 : 2小时对有奖背标的兑奖日期及库存数量及时反映到有关部门 频 次 : 1次/周 用 时 : 30分钟对车间退库的物资负责接收、清点频 次 : 3次/ 周用 时 : 30分钟职责二职责表述: 负责瓶盖的接受发放工作工 作 时 间 百 分 比 : 27%工作任务瓶盖进货时先报验,检验合格后入库频 次 : 2次/周 用 时 : 2小时负责将物品按要求存放并及时做好标识频 次 : 2次/周 用 时 : 30分钟对有奖盖要特别存放发货时要单独包装,数量少的要逐个检查清点频 次 : 2次/天 用 时 : 20分钟对回收奖盖的管理、清点开单频 次 : 1次/周 用 时 : 30分钟对车间退库的物资负责接收、清点频 次 : 3次/周 用 时 : 30分钟职责三职责表述:负责纸箱的接受发放清点工作 工作时间百分比:10 %工作任务纸箱进货时负责报验频 次 : 2次/周 用 时 : 10分钟联系卸车、开电梯等有关人员检验合格后接受入库并清点数量拜访整齐频 次 : 2次/周 用 时 : 2小时纸箱的日常管理随时整垛清扫盘点频 次 : 1次/周 用 时 : 1小时纸箱发放时联系有关装卸车人员频 次 : 2次/周 用 时 : 20分钟职责四职责表述: 负责柴汽油的供应发放工作工作时间百分比:5 %工作任务 定期去加油站加油频 次 : 1次/周 用 时 : 2小时负责给有关车辆加油频 次 : 2次/天 用 时 : 30分钟 发放时认真核对频 次 : 2次/天 用 时 : 10 分钟注意安全,杜绝一切不安全隐患频 次 : 2次/ 天用 时 : 5分钟职责五职责表述: 负责机械油、润滑脂等类物品的收发工作工作时间百分比:5 %工作任务负责将物品按位置规放,标识清晰频 次 : 1次/周 用 时 : 30...

1、当您付费下载文档后,您只拥有了使用权限,并不意味着购买了版权,文档只能用于自身使用,不得用于其他商业用途(如 [转卖]进行直接盈利或[编辑后售卖]进行间接盈利)。
2、本站所有内容均由合作方或网友上传,本站不对文档的完整性、权威性及其观点立场正确性做任何保证或承诺!文档内容仅供研究参考,付费前请自行鉴别。
3、如文档内容存在违规,或者侵犯商业秘密、侵犯著作权等,请点击“违规举报”。

碎片内容

某啤酒企业仓储保管员b岗(瓶盖商标库)岗位说明书

确认删除?
VIP
微信客服
  • 扫码咨询
会员Q群
  • 会员专属群点击这里加入QQ群
客服邮箱
回到顶部