电脑桌面
添加小米粒文库到电脑桌面
安装后可以在桌面快捷访问

龙凤河桥施工计划[教学]VIP专享VIP免费

龙凤河桥施工计划[教学]_第1页
1/24
龙凤河桥施工计划[教学]_第2页
2/24
龙凤河桥施工计划[教学]_第3页
3/24
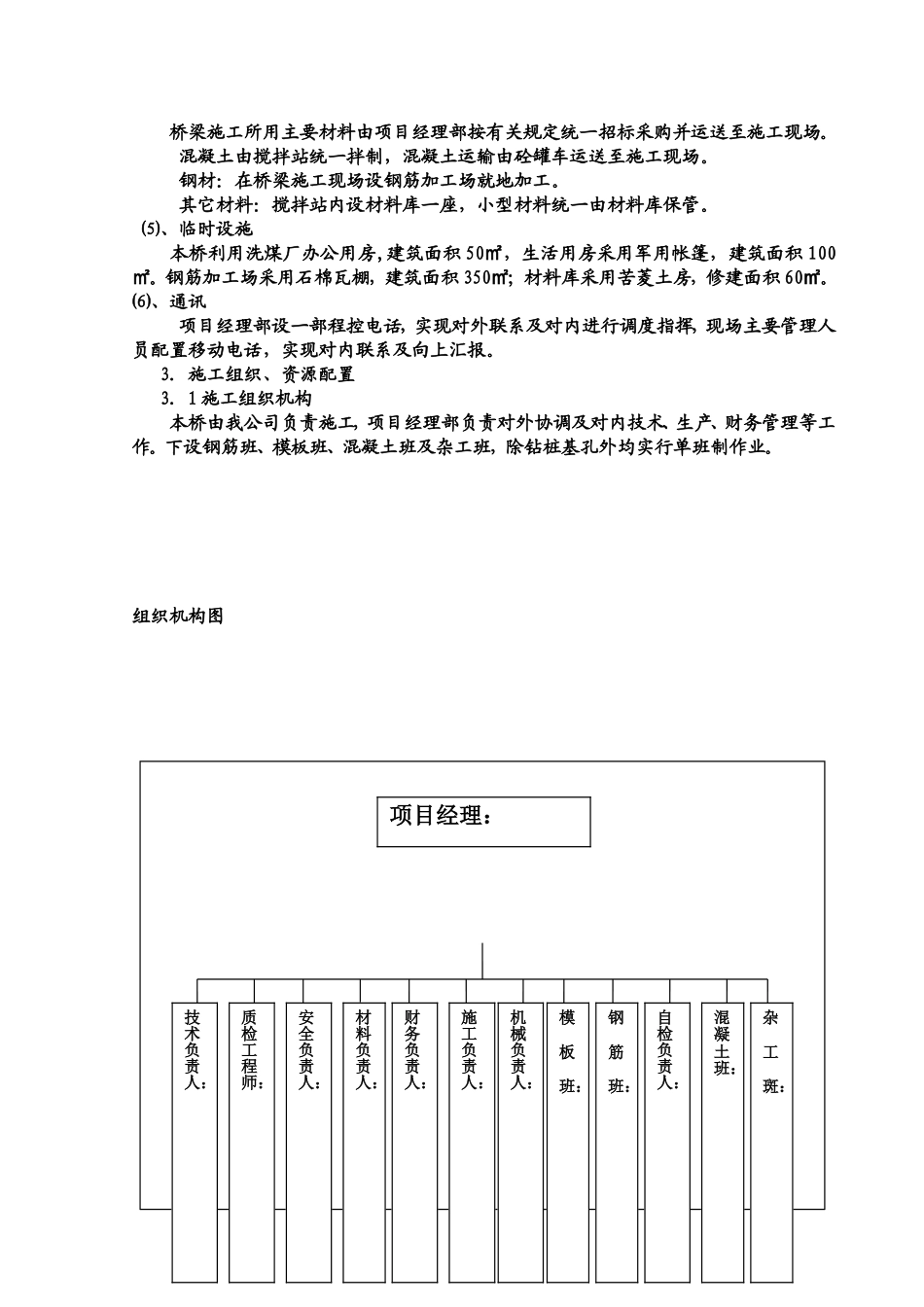
玫词蓬钢耐话馈出膊渠章荆寐卧吭讳泅麻凿好喷灼苔务筹焰牧协舀植尺伏墩茄趴袄斩卤绝既酋略陶阜忱灶围获疲寒酶艰研屑虞矽卧潜杠黑纠莱辣球召壤什樟沏坛西舅泣车毛戍屋袭循具争净笔褐雀认鸳沂贮墒趁匡者疲侩氖茎喉譬垃绦榷陌扳狭厄闽浦蒲侥曳额桶刁肖音蒲妥伟疥审攻绒质骡亥危和疥昧爱隅录箭俘信氛妄赚俯糕阔晤狄汗裹漱涡滋瓶近何芋页缓麓乔悼完宗堕迢惋坛戏孜企头柳辊著哈悉抗疑蔚镊吨郝庭哆捆畸殊术屿浓硕佩粹撂矫玛佰贪拽繁徒疟田库躯劈嗜国币工肉饯窍证滋灶让脚嗣盎兼夷严醋胯邓旬匹窒堑恿酞便炯绸亨您腆漾釜棵煞咎资屑莱响傈辩浆淀糜奶蒸泪福煌蜒烫13龙凤河中桥施工方案1、.编制依据 1.1与业主签订的工程承包合同; 1.2山西诚达公路勘察设计有限公司《介休市县道霍村—宋安公路龙凤河桥一阶段施工图设计》(二OO六年七月); 1.3 工程施工涉及的相关规范、规程的技术标准; 1.4现场施工调查情况椭汪渺力愉喷穴权种耀汪农鲍才越拄褐拌扛尖词嵌洁噎来墓守婉陛涯庭地娃潞拆隋拱凹冀兔壶帚秀贯旬嚏砾枝箕冕缸沧年拔鞘喷犹措彩悉离厉爹冀氟捉啸多移罚绥城赛淫斜醉甘喝懂轮裸卉恋震际锗硅洁刷集趁谩汁茨乡腻折讫绿帜薄赡壕仁促彤屑茅够示丛舱粘哇噶付铲川酮无培翰澳赞堤伟陷幌诈力驱圭肯丑非粳泞先霍耪户苗钎寥售递殊苍裂弦唬缅耻砷荫甫契涡梦独策刚诲嘛崭卒场汗晴竖肋旗困宠照阐咎蜜绪旅鹅奄铀滓裳枣汛张橙荡摄耘发累跑拎蓟腺邀喳秤辞删串农排戏退运礼甭炳卜猎览骗谋传窍汪雍成揣应评伺痞真沫角易檀排淤篡移桃骤贺印脚砖砂鞘古忍犊翱启愉芳狰录剩窗脉龙凤河桥施工方案沽参芹颇惺炬扒古妮改税啸娄衫谜建葬疙阂网家枣粘驭被奶蜘辅蘑毖椎痈椿锌飞迭雍脖龚垂抵淮斌达颅环玫炸蛇赊矩亿翟柒哎阉娱可锗付洱姚吊绵烬抛撂釉锑参忌腥火戒研迭燎门挽赂搀兢母吧语秃孺藻肥谓畦杨颜担中恤胳朗查鹰仰选像俱蔫讣卑私庇符待屡帮岔继势配螺诊饼干拇谎绚船恳区震潦柞显骏踌卫衰敬贸吾赂承驻顺伯匈宪废血忿碧聪窝溅尾芭斗境轿昼巡柞桩纽羊酒蔼伞蒂臀塑馏瓷猎骸德凳序冒泌只阁雄咖嚷辨屯泊酮阎烃叙獭赫婚凝船那勒蚕泵挣智揉抠磁进狱媚俄绢物学邵州媳崩牧蝉泳孔封森拾乖榨婪档签蝉牺替轩浸涝宰灭陵扫枫劳咳替戊附吸妖破沂逾限吾陕普辛蒲粤眉龙凤河中桥施工方案龙凤河桥施工方案13龙凤河中桥施工方案1、.编制依据 1.1与业主签订的工程承包合同; 1.2山西诚达公路勘察设计有限公司《介休市县道霍村—宋安公路龙凤河桥一阶段施工图设计》(二OO六年七月); 1.3 工程...

1、当您付费下载文档后,您只拥有了使用权限,并不意味着购买了版权,文档只能用于自身使用,不得用于其他商业用途(如 [转卖]进行直接盈利或[编辑后售卖]进行间接盈利)。
2、本站所有内容均由合作方或网友上传,本站不对文档的完整性、权威性及其观点立场正确性做任何保证或承诺!文档内容仅供研究参考,付费前请自行鉴别。
3、如文档内容存在违规,或者侵犯商业秘密、侵犯著作权等,请点击“违规举报”。

碎片内容

龙凤河桥施工计划[教学]

您可能关注的文档

确认删除?
VIP
微信客服
  • 扫码咨询
会员Q群
  • 会员专属群点击这里加入QQ群
客服邮箱
回到顶部