电脑桌面
添加小米粒文库到电脑桌面
安装后可以在桌面快捷访问

兽药GSP各类记录VIP免费

兽药GSP各类记录_第1页
1/15
兽药GSP各类记录_第2页
2/15
兽药GSP各类记录_第3页
3/15
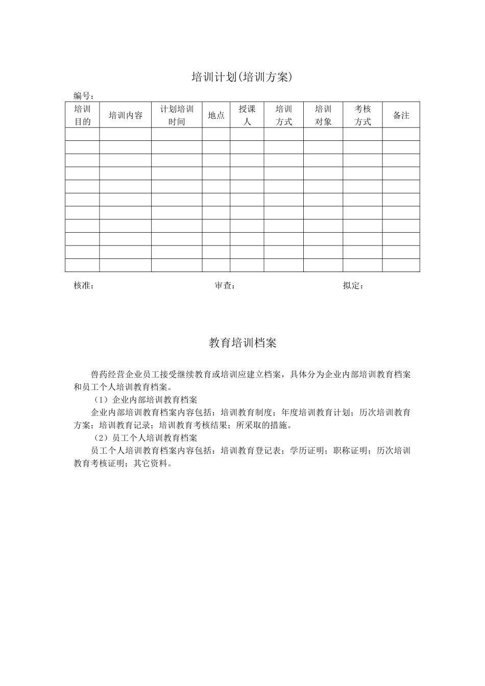
培训计划(培训方案)编号:培训目的培训内容计划培训时间地点授课人培训方式培训对象考核方式备注核准: 审查: 拟定:教育培训档案兽药经营企业员工接受继续教育或培训应建立档案,具体分为企业内部培训教育档案和员工个人培训教育档案。(1)企业内部培训教育档案企业内部培训教育档案内容包括:培训教育制度;年度培训教育计划;历次培训教育方案;培训教育记录;培训教育考核结果;所采取的措施。(2)员工个人培训教育档案员工个人培训教育档案内容包括:培训教育登记表;学历证明;职称证明;历次培训教育考核证明;其它资料。《健康检查档案》——个人档案个人体检档案包括:上岗体检表及资料;每年体检表及资料;患病离岗、治疗、体检、再上岗资料(体检情况应原件保存)。一般检查项目包括:内科、外科、皮肤科和乙肝全套。作为质量管理人员和养护人员,还应进行视力、嗅觉等检查。员工个人健康档案编 号: 建 档 时 间: 姓名性别出生年月任职时间部门岗位员工号检查日期检查单位检查项目检查结果采取措施《健康检查档案》——企业档案企业档案包括:每年体检的工作安排、每年参加体检的总人员名单、体检汇总表,采取的措施。设施设备一览表编号:序号设备编号设施设备名称规格型号生产厂家购置价格购置日期启用日期配置地点用途使用与维护负责人兽药陈列/储存环境温湿度记录表货区: 表号: 适宜温度范围 ~ ℃ 适宜相对湿度范围 ~ % 年 月日期上 午下 午记录员库内温度℃相 对 湿 度%调控措施采取措施后库内温度℃相对湿度%调控措施采取措施后温度℃湿度%温度℃湿度%12345678910111213141516171819202122232425262728293031养护设备检修维护记录编号:序号设备名称检修时间工作状况维护内容更换部件调试结果检修负责人备注购货合同与购进记录1、购货合同方式① 标准书面合同② 质量保证协议(必须明确有效期,一般有效期为一年)③ 文书、传真、电话记录、电报、电信、口头约定2、书面合同的项目与内容① 合同项目购销双方企业名称、地址及邮编、电话、传真、邮件地址、银行帐号与税号、签约代表、签约时间、合同正文。② 合同正文内容A. 兽药名称、规格、批准文号、供货价、单位、数量及总金额;B. 交货时间、方式、地点;C. 结算方式与付款期限;D. 质量标准、质量条款及各自承担的质量责任;E. 违约处理方式。3、购进合同评审① 合同评审人员:A. 负责该品种的采购进货人员;B. 质量管理部负责...

1、当您付费下载文档后,您只拥有了使用权限,并不意味着购买了版权,文档只能用于自身使用,不得用于其他商业用途(如 [转卖]进行直接盈利或[编辑后售卖]进行间接盈利)。
2、本站所有内容均由合作方或网友上传,本站不对文档的完整性、权威性及其观点立场正确性做任何保证或承诺!文档内容仅供研究参考,付费前请自行鉴别。
3、如文档内容存在违规,或者侵犯商业秘密、侵犯著作权等,请点击“违规举报”。

碎片内容

兽药GSP各类记录

您可能关注的文档

确认删除?
VIP
微信客服
  • 扫码咨询
会员Q群
  • 会员专属群点击这里加入QQ群
客服邮箱
回到顶部