电脑桌面
添加小米粒文库到电脑桌面
安装后可以在桌面快捷访问

v架空线路工程施工组织设计方案(DOC16页)VIP免费

v架空线路工程施工组织设计方案(DOC16页)_第1页
1/15
v架空线路工程施工组织设计方案(DOC16页)_第2页
2/15
v架空线路工程施工组织设计方案(DOC16页)_第3页
3/15
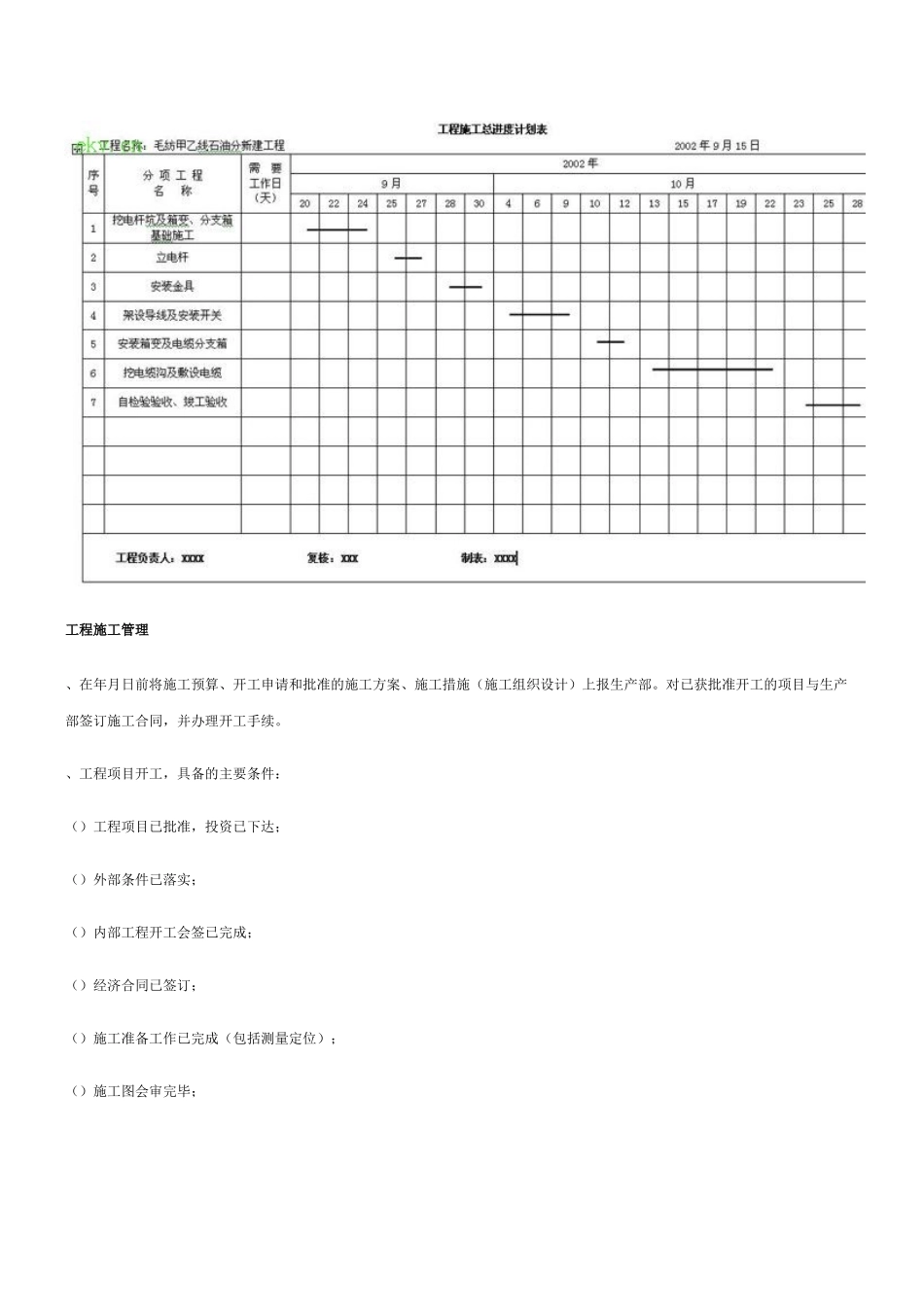
某架空线路工程施工组织设计一、工程名称:。二、建设规模: 新建架空线路总亘长米,其中双回米,单回米;新建电缆线路总亘长米,其中双回米,单回米。架空线路采用绝缘线米,绝缘线米;电缆线路采用—×型电缆米,—×型电缆米,—×型电缆米,—×型电缆米,直埋敷设。新立米水泥杆根,新安装变压器台,×箱变一座,柱上真空断路器台,电缆分支箱台,更换变压器台。三、工程地点:。四、工程计划时间: 工程计划开工日期:年月日 工程计划竣工日期:年月日五、工程组织机构: 项目经理: 项目监理: 项目技术负责人: 项目安全负责人:六、施工小组机构: 第一小组组长:安全员: 第二小组组长:安全员:城 网 改 造 工 程 施 工 方 案供电局城网改造工程,依据改造现场的实际制定本施工方案,要求施工时,按本方案认真执行一、城网改造工程分别由两个施工小组执行。 第一小组:负责本次城网改造工程施工。 第二小组:配合第一小组停送电及工程竣工验收。二、施工方案:、运输:① 水泥杆的运输:水泥杆到位后,利用拉杆车运至现场,分别到位。② 导线及三盘运输:导线到位后,用放线车装载绑扎牢固后,用四轮车牵引运输到现场,进行放线。三盘到位后,用汽车运至现场进行安装。、施工进度表的执行:① 耕地内施工,可于春种前或秋收后进行施工,根据具体情况进行变更。② 其它地段施工随施工进度表进行。、施工方法:① 水泥杆起立:水泥杆到达现场后,利用吨吊车进行立杆,人工扶正及回填土。水泥杆起立前,需安装横担,进行电杆组立。② 新建开关台组装:水泥杆组立后,由人组装开关台金具、引线及开关安装,安装标准执行设计图纸。③ 导线架设:对于改造工程,采取旧线带新线方式进行放线,用汽车进行牵引,牵引过程中通讯必须保持畅通,防止有卡线、断线等故障发生。④ 过路顶管:施工前需在路两侧挖米×米×米的操作坑,以便于顶管施工。⑤ 其他事项见技术措施。工程施工管理 、在年月日前将施工预算、开工申请和批准的施工方案、施工措施(施工组织设计)上报生产部。对已获批准开工的项目与生产部签订施工合同,并办理开工手续。、工程项目开工,具备的主要条件:()工程项目已批准,投资已下达;()外部条件已落实;()内部工程开工会签已完成;()经济合同已签订;()施工准备工作已完成(包括测量定位);()施工图会审完毕;()施工材料已订货能连续满足施工要求;()建设组织设计(施工组织...

1、当您付费下载文档后,您只拥有了使用权限,并不意味着购买了版权,文档只能用于自身使用,不得用于其他商业用途(如 [转卖]进行直接盈利或[编辑后售卖]进行间接盈利)。
2、本站所有内容均由合作方或网友上传,本站不对文档的完整性、权威性及其观点立场正确性做任何保证或承诺!文档内容仅供研究参考,付费前请自行鉴别。
3、如文档内容存在违规,或者侵犯商业秘密、侵犯著作权等,请点击“违规举报”。

碎片内容

v架空线路工程施工组织设计方案(DOC16页)

确认删除?
VIP
微信客服
  • 扫码咨询
会员Q群
  • 会员专属群点击这里加入QQ群
客服邮箱
回到顶部