电脑桌面
添加小米粒文库到电脑桌面
安装后可以在桌面快捷访问

机械制图试题06VIP免费

机械制图试题06_第1页
1/7
机械制图试题06_第2页
2/7
机械制图试题06_第3页
3/7
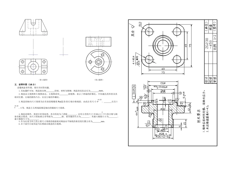
《机械制图》试题 06 一. 填空:(20 分) 1.螺纹的基本要素有五个: 、 、 、 、 。2.断面图分为 断面和 断面。3.按剖切范围的大小,剖视图可分为 视图、 视图、 视图。4.读组合体视图的基本方法是 法和 法。5.在组合体视图上标注尺寸,应做到 、 、 。6.基本尺寸相同的,相互结合的孔和轴公差带之间的关系称为 。7.零件加工表面具有的较小间距的峰谷所组成的微观几何形状特性,称为 。8.装配图的特殊画法有拆卸画法、 画法、 画法、 画法和单独表示法。二.选择题: (24 分)1.有一左旋梯形螺纹,其公称直径为 30,螺距为 6,导程 12,其代号应为 。A. M 30 × 6 B. Tr30×12(p6)LH C. G1/2A D. Tr30×p62.判断 B-B 断面图,正确的答案是 。3.看懂主、俯视图,想象出组合体的形状,找出错误的左视图 。4.下列各图中, 合理的钻孔工艺结构是 。A B C D5.代号为 6208 的滚动轴承,表示轴承内圈直径为 mm 的深沟球轴承。A. 30 B. 40 C. 8 D. 806.在画半剖视图时,半个视图与半个剖视图的分界线是 。A. 虚线 B. 细实线 C. 细点画线 D. 粗实线7.正确的内外螺纹旋合画法如图 。A B C D8. 下列局部剖视图中,正确的画法是 。A B C D9.根据下列公差带图,可判断出 为过盈配合。A B C D10. 下列四组视图中,主视图均为全剖视图,其中 的主视图有缺漏的线。A B C. D11. 用 AutoCAD 绘图时,擦除一个实体或一个实体的一部分应使用 命令。A B C. D12. 关于计算机绘图,下列说法中错误的是 。A 使用窗选法(W)选择图形实体时,只有完全在窗口内的对象才能被选中。B 使用 Offset(偏移)命令做等距复制时,距离值只能为正,不能为负。C 用 Hatch(图案填充)命令画剖面线时,被填充的区域边界可以是不封闭的任意图形。D 在输入点的坐标数值时,@36<75 表示点的极坐标。三.组合体作图题(20 分)1.已知组合体的主视图和俯视图,画出组合体的左视图,虚线不可省略。2.补全组合体的尺寸,尺寸数值按 11∶ 在图中量取后取整数。四.表达方法作图题(20 分)1.根据给定的视图,在指定位置将主视图改画为半剖视图,并画出全剖的左视图。2.用相交的剖切平面剖开机件,在主视图上方空白处将主视图画成全剖视图。(第 1 题图) (第 2 题图)五.读零件图(16 分) 读懂阀盖零件图,填空并回答问题。1.从标题栏可知,阀盖按比例...

1、当您付费下载文档后,您只拥有了使用权限,并不意味着购买了版权,文档只能用于自身使用,不得用于其他商业用途(如 [转卖]进行直接盈利或[编辑后售卖]进行间接盈利)。
2、本站所有内容均由合作方或网友上传,本站不对文档的完整性、权威性及其观点立场正确性做任何保证或承诺!文档内容仅供研究参考,付费前请自行鉴别。
3、如文档内容存在违规,或者侵犯商业秘密、侵犯著作权等,请点击“违规举报”。

碎片内容

机械制图试题06

您可能关注的文档

文泉书屋+ 关注
实名认证
内容提供者

热爱教学事业,对互联网知识分享很感兴趣

确认删除?
VIP
微信客服
  • 扫码咨询
会员Q群
  • 会员专属群点击这里加入QQ群
客服邮箱
回到顶部