电脑桌面
添加小米粒文库到电脑桌面
安装后可以在桌面快捷访问

北京市某高层住宅小区施工组织设计 _secretVIP免费

北京市某高层住宅小区施工组织设计 _secret_第1页
1/63
北京市某高层住宅小区施工组织设计 _secret_第2页
2/63
北京市某高层住宅小区施工组织设计 _secret_第3页
3/63
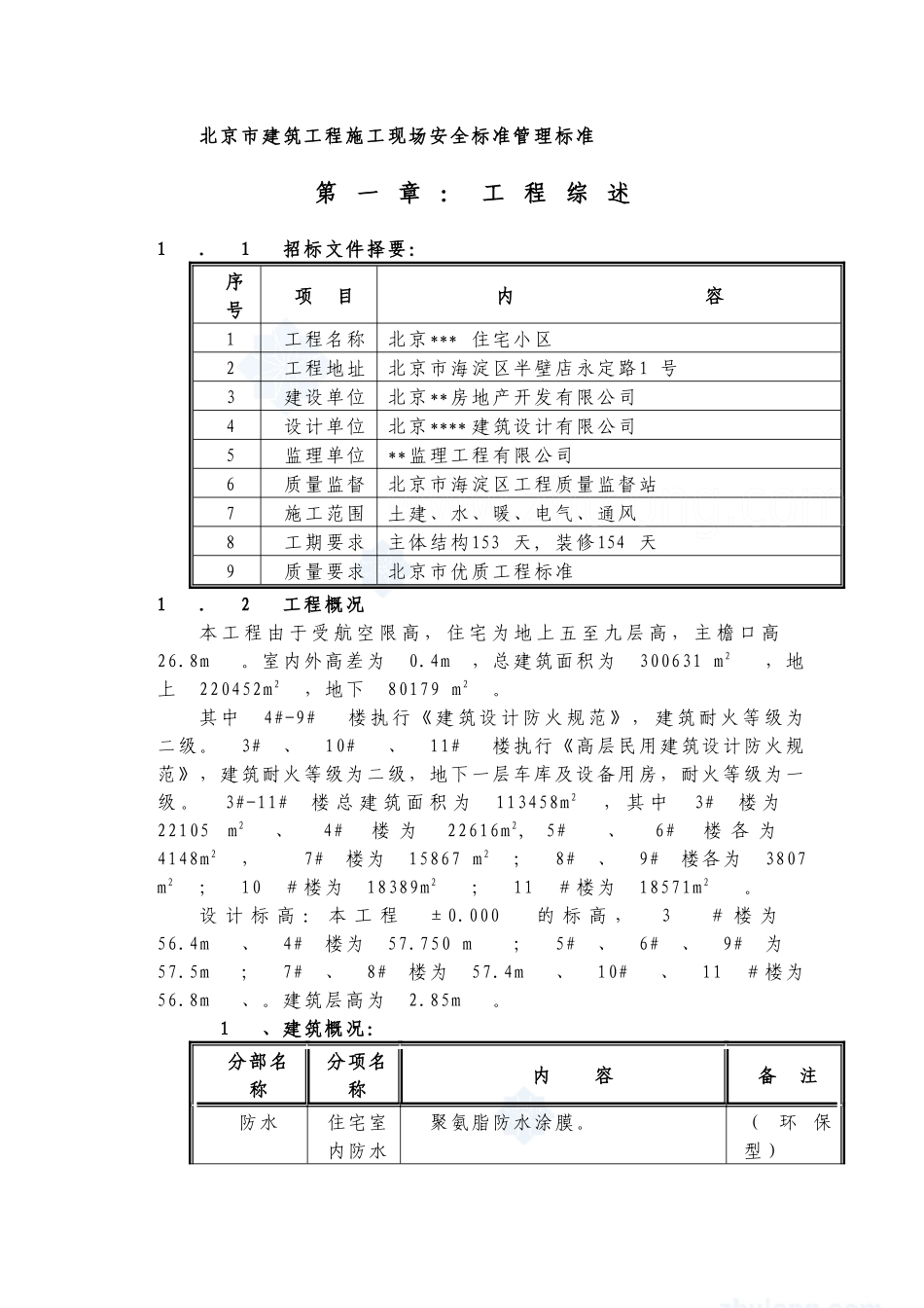
〖编制依据〗北京乐府江南住宅小区工程招标文件北京华茂中天建筑设计有限公司的设计图纸ISO-9002 质量保证体系国家颁布的有关施工规范、规程及行业标准《建筑结构荷载规范》 (GB50009-2001 )《工程测量规范及条文说明》 (GB50026-93)《地下工程防水技术规范》 (GB50108-2001) 《建筑地基基础工程施工质量验收规范》 (GB50202-2002) 《混凝土结构工程施工质量验收规范》 (GB50204-2002) 《混凝土泵送施工技术规程》 (JGJ/T10-95) 《屋面工程质量验收规范》 (GB50207-2002) 《建筑构造通用图集》 《建筑装饰工程施工及验收规范》 (JGJ73-91) 《建筑施工高处作业安全技术规范》 (JGJ80-91) 《建筑机械使用安全技术规程》 (JGJ33-2001) 《施工现场临时用电安全技术规范》 (JGJ46-88) 《钢筋焊接及验收规程》 (JGJ18-2003) 《钢筋机械连接通用技术规程》 (JGJ107-2003) 《通风与空调工程施工及验收规范》 (GB50243-2002) 《建筑给排水及采暖工程施工质量验收规范》(GB50242-2002) 《电气装置安装工程低压电器施工及验收规范》(GB50254-96) 《电气装置安装工程电气照明装置施工及验收规范》 (GB50259-96)《电气装置安装工程盘、柜及二次回路结线施工及验收规范》 (GB50171-92)《电气装置安装工程电缆线路施工及验收规范》(GB50168-92)《电气装置安装工程接地装置施工及验收规范》(GB50169-92) 《电气装置安装工程电气设备交接试验标准》 (GB50150-91) 《电气装置安装工程母线装置施工及验收规范》(GBJ149-90) 《电气装置安装工程1KV 及以下配线工程施工及验收规范》 (GB50258-96)我国现行的安全生产、文明施工、环保及消防等有关规定北京市建筑工程施工现场安全标准管理标准第 一 章 : 工 程 综 述1.1招标文件择要:序号项 目内 容1工程名称北京*** 住宅小区2工程地址北京市海淀区半壁店永定路1 号3建设单位北京**房地产开发有限公司4设计单位北京**** 建筑设计有限公司5监理单位**监理工程有限公司6质量监督北京市海淀区工程质量监督站7施工范围土建、水、暖、电气、通风8工期要求主体结构153 天, 装修154 天9质量要求北京市优质工程标准1.2工程概况本 工 程 由 于 受 航 空 限 高 , 住 宅 为 地 上 五 至 九 层 高 , 主 檐 口 高26.8m。室内外高差为0.4m,总建筑面积为300631 m2,地上220452m2,地下80179 m2。其 中4#-9#楼 执 行 《 建 筑 设 计...

1、当您付费下载文档后,您只拥有了使用权限,并不意味着购买了版权,文档只能用于自身使用,不得用于其他商业用途(如 [转卖]进行直接盈利或[编辑后售卖]进行间接盈利)。
2、本站所有内容均由合作方或网友上传,本站不对文档的完整性、权威性及其观点立场正确性做任何保证或承诺!文档内容仅供研究参考,付费前请自行鉴别。
3、如文档内容存在违规,或者侵犯商业秘密、侵犯著作权等,请点击“违规举报”。

碎片内容

北京市某高层住宅小区施工组织设计 _secret

您可能关注的文档

确认删除?
VIP
微信客服
  • 扫码咨询
会员Q群
  • 会员专属群点击这里加入QQ群
客服邮箱
回到顶部