电脑桌面
添加小米粒文库到电脑桌面
安装后可以在桌面快捷访问

海安小区3#、4#楼 人工挖孔桩方案VIP专享VIP免费

海安小区3#、4#楼 人工挖孔桩方案_第1页
1/13
海安小区3#、4#楼 人工挖孔桩方案_第2页
2/13
海安小区3#、4#楼 人工挖孔桩方案_第3页
3/13
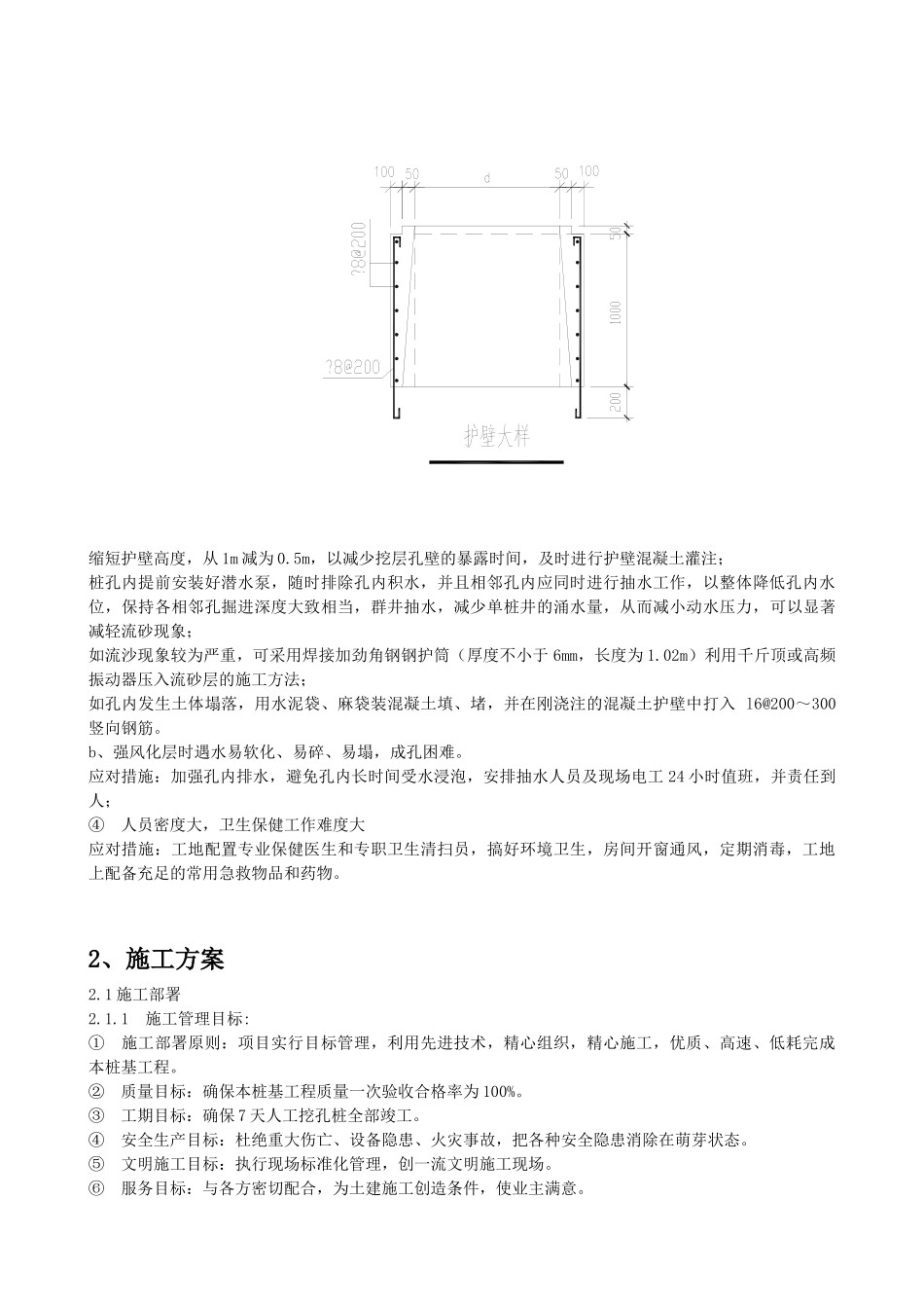
人工挖孔桩施工专项方案1、工程概况:1.1 工程特点: 海安小区 3#、4#楼位于绥中县前所赵家村,电厂北侧。本工程为 3 类建筑,地上六层,并设仓房层、及各楼层,由三个单元构成,每栋各有住宅 36 套。本工程设计使用年限为 50 年,耐火等级为二级,抗震设防为 6 度,本工程为框架结构体系。本工程地层结构复杂,地层主要由粉质粘土,全风化花岗岩强风化花岗岩组成。1.2 设计概况: 本工程桩基为人工挖孔桩,桩径为 800mm,桩身砼强度等级为 C30,护壁砼强度等级均为 C30,上口厚度为 150mm,下口为 75mm。持力层为强风化岩,桩端进入持力层不小于一倍桩径。桩参数表详见附图1.3 地质条件:1.3.1 地层岩性自上而下依次为: ① 粉质粘土:第四系冲积层,黄褐色,呈可塑状态,含有少量砂砾,无摇振反应,稍有光泽,干强度及韧性中等。层厚 1.00---2.60m,层底标高 3.74—7.21m,分布普通。② 全风化花岗岩:太古界,黄褐色,花岗结构,块状构造,结构大部分以破坏,原岩结构尚可辨认,风化裂隙极发育,岩石明显软化,大部分呈硬塑土状,稍有砾石状,岩芯可用手捏碎,遇水软化,为及软岩,层厚 0.70—3.30m,层底标高 1.67—6.18m,分布普遍。1② 全风化煌斑岩:黄褐色,主要由云母、长石等矿物组成,结构全部破坏,长石、云母等已风化蚀变成粉质粘土状,为可塑状。遇水软化,属极软岩,岩体基本质量等级为 V 级,厚度 2.80—5.00m,层底标高-0.74—2.07m。③ 强风化花岗岩:太古界,黄褐色,花岗结构,块状构造,结构大部分破坏,风化裂隙极发育,裂隙面见黑色的铁锰质渲染,岩石较软,原岩结构清晰可见,冲击钻进困难,岩芯可用手折断,属软岩,岩体基本质量等级为 V 级,标准贯入试验锤击数 N 为 40—87 击,修正后的标准值为 48.8 击。层厚 3.80—6.30,层底标高-5.64-0.31m。1.4 本工程特点、难点及应对措施 ① 本工程工作量大,工期紧应对措施:根据挖孔桩成桩特点,施工高峰期应为 3#楼阶段,因此施工人员数量按此阶段考虑。3#4#共有桩数 87 根,考虑其它不利因素,成井组织应不少于 10 组(20 人)同时开挖,可同时开挖约 20 个桩井。 ② 周转场地和施工道路均为素土,受天气影响很大。应对措施:基坑铺设耐用施工道路(或硬化),该工作一定要抓紧进行。③ 本工程采用钢筋混凝土护壁防护:首先对护壁采取技术措施,即在上一节护壁施工时,在原配筋的基础上,加长纵筋伸入下一节护壁中,以...

1、当您付费下载文档后,您只拥有了使用权限,并不意味着购买了版权,文档只能用于自身使用,不得用于其他商业用途(如 [转卖]进行直接盈利或[编辑后售卖]进行间接盈利)。
2、本站所有内容均由合作方或网友上传,本站不对文档的完整性、权威性及其观点立场正确性做任何保证或承诺!文档内容仅供研究参考,付费前请自行鉴别。
3、如文档内容存在违规,或者侵犯商业秘密、侵犯著作权等,请点击“违规举报”。

碎片内容

海安小区3#、4#楼 人工挖孔桩方案

确认删除?
VIP
微信客服
  • 扫码咨询
会员Q群
  • 会员专属群点击这里加入QQ群
客服邮箱
回到顶部