电脑桌面
添加小米粒文库到电脑桌面
安装后可以在桌面快捷访问

纺织品检测仪器项目公告VIP免费

纺织品检测仪器项目公告_第1页
1/6
纺织品检测仪器项目公告_第2页
2/6
纺织品检测仪器项目公告_第3页
3/6
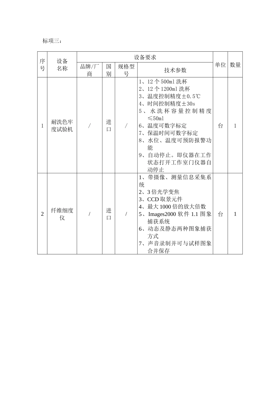
纺织品检测仪器项目公告杭州市质量技术监督局余杭分局经政府采购监督部门批准,就纺织检测仪器项目进行竞争性谈判采购。具体公告如下:1、 招标编号:HZYHZFCG-2006-0622、 项目名称:纺织品检测仪3、 采购需求:1、本项目的要求本次采购分为六个标项,投标人可以选择其中一个、几个标项或全部标项进行投标,但须对所投标项的所有设备进行投标,投标人一旦参与谈判,就视为接受了本次竞争性投标文件的所有内容。2、设备具体要求标项一:序号设备名称设备要求单位 数量品牌/厂商国别规格型号技术参数1原子吸收分光光度计美国 PE美国AA700波长范围:190~900nm通 用 雾 化 器 配 扰 流 器 测 定5ppmCu时 , 吸 光 度 >0.3,RSD<0.25%高灵敏度雾化器配扰流器测定 5ppmCu 时 , 吸 光 度 >0.75,RSD<0.35%火焰/石墨炉系统全自动转换自 动 进 样 器 重 现 性 :20μL,RSD≤0.5%配常用美国进口灯四只(铅、镉、铬和铜) PE Aanalyst700 产品性能要求:见附件 12台1标项二:序号设备名称设备要求单位 数量品牌/厂商国别规格型号技术参数1半自动电子单纱强力机/中国/测量范围: 0~200N精度:≤±0.2%F·S台12电子单纤维强力机/中国/0~100cN ≤±0.2%F·S≤100mm 分辨率 0.01mm台13落锤式织物撕裂仪/中国/测量范围: 0~52N测力精度:≤±1 分度值台1标项三:序号设备名称设备要求单位 数量品牌/厂商国别规格型号技术参数1耐洗色牢度试验机/进口/1、12 个 500ml 洗杯2、12 个 1200ml 洗杯3、温度控制精度±0.5℃4、时间控制精度±30s5 、 水 洗 杯 容 量 控 制 精 度≤50ml6、温度可数字标定7、保温时间可数字标定8、水位、温度可预防报警功能9、自动停止。即仪器在工作状态打开工作室门仪器自动停止台12纤维细度仪/进口/1、带摄像、测量信息采集系统2、3 倍光学变焦3、CCD 取景元件4、最大 1000 倍的放大倍数5、Images2000 软件 1.1 图象捕获系统6、动态及静态两种图象捕获方式7、声音录制并可与试样图象合并保存台1标项四:序号设备名称设备要求单位 数量品牌/厂商国别规格型号技术参数1智 能 微 波消解仪/中国/1、压力设定范围:0.1MPa~4 MPa,增量为 0.1MPa2 、 功 率 设 定 范 围 : 50P ~100P增量为 10%P3、时间设定范围:1~9999s增量为 1s4、采用导气管引压,压力传感器直接测压的控制方式;采用铂电阻直接测量消解罐内温度5、一次最多可放置 6 个高压消...

1、当您付费下载文档后,您只拥有了使用权限,并不意味着购买了版权,文档只能用于自身使用,不得用于其他商业用途(如 [转卖]进行直接盈利或[编辑后售卖]进行间接盈利)。
2、本站所有内容均由合作方或网友上传,本站不对文档的完整性、权威性及其观点立场正确性做任何保证或承诺!文档内容仅供研究参考,付费前请自行鉴别。
3、如文档内容存在违规,或者侵犯商业秘密、侵犯著作权等,请点击“违规举报”。

碎片内容

纺织品检测仪器项目公告

确认删除?
VIP
微信客服
  • 扫码咨询
会员Q群
  • 会员专属群点击这里加入QQ群
客服邮箱
回到顶部