电脑桌面
添加小米粒文库到电脑桌面
安装后可以在桌面快捷访问

某家具公司板材裁剪流程VIP免费

某家具公司板材裁剪流程_第1页
1/5
某家具公司板材裁剪流程_第2页
2/5
某家具公司板材裁剪流程_第3页
3/5
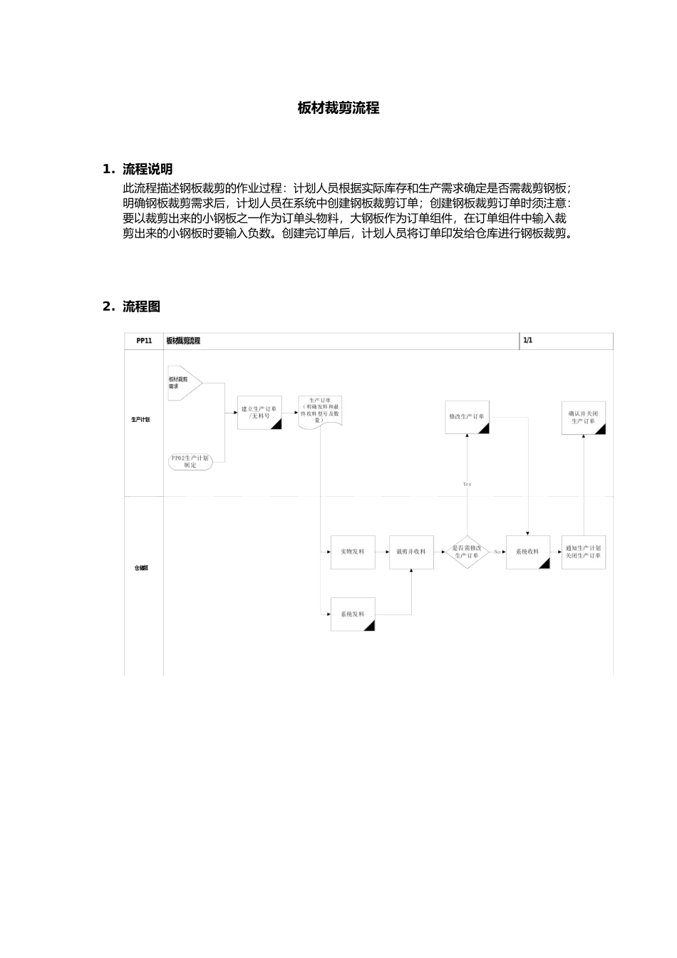
板材裁剪流程1. 流程说明此流程描述钢板裁剪的作业过程:计划人员根据实际库存和生产需求确定是否需裁剪钢板;明确钢板裁剪需求后,计划人员在系统中创建钢板裁剪订单;创建钢板裁剪订单时须注意:要以裁剪出来的小钢板之一作为订单头物料,大钢板作为订单组件,在订单组件中输入裁剪出来的小钢板时要输入负数。创建完订单后,计划人员将订单印发给仓库进行钢板裁剪。2. 流程图3. 系统操作3.1.操作范例裁剪大钢板:SP-0.6*345.5*4433.2.系统菜单及交易代码后勤-生产-生产控制-订单-创建--含物料 交易代码:CO013.3.系统屏幕及栏位解释栏位名称栏位说明资料范例物料输入裁剪后得到的钢板之一订单类型输入钢板裁剪订单的订单类型ZP03按进入下一屏幕 栏位名称栏位说明资料范例总数量需裁剪的钢板的总数量50完成订单的完成日期 输入总数量和完成时间后,按进入下一屏幕 系统提示 BOM 选择,点击“否”跳过 BOM 选择 按屏幕所示菜单进入组件视图 栏位名称栏位说明资料范例部件输入需裁剪的大钢板料号和裁剪后得到的小刚板的料号大钢板:605870小钢板:604349数量输入大钢板的数量:正数 小钢板的数量:负数IC输入项目类别:L—库存项目工序默认工艺路线的工序维护完组件视图后,点击 完成创建钢板裁剪订单

1、当您付费下载文档后,您只拥有了使用权限,并不意味着购买了版权,文档只能用于自身使用,不得用于其他商业用途(如 [转卖]进行直接盈利或[编辑后售卖]进行间接盈利)。
2、本站所有内容均由合作方或网友上传,本站不对文档的完整性、权威性及其观点立场正确性做任何保证或承诺!文档内容仅供研究参考,付费前请自行鉴别。
3、如文档内容存在违规,或者侵犯商业秘密、侵犯著作权等,请点击“违规举报”。

碎片内容

某家具公司板材裁剪流程

确认删除?
VIP
微信客服
  • 扫码咨询
会员Q群
  • 会员专属群点击这里加入QQ群
客服邮箱
回到顶部