电脑桌面
添加小米粒文库到电脑桌面
安装后可以在桌面快捷访问

4.7.2室内采暖系统安装作业指导书VIP免费

4.7.2室内采暖系统安装作业指导书_第1页
1/5
4.7.2室内采暖系统安装作业指导书_第2页
2/5
4.7.2室内采暖系统安装作业指导书_第3页
3/5
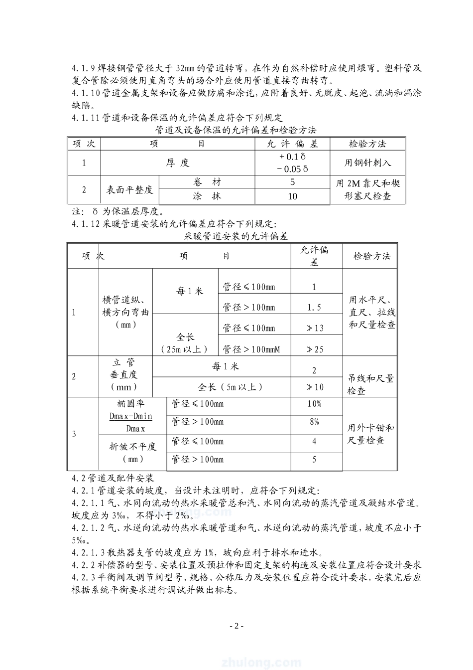
室内采暖系统安装作业指导书1.适用范围 本作业指导书适用于本公司承建的一般工业与民用建筑的热水或蒸气采暖系统安装工程。2.施工准备2.1 材料 热量表、疏水器、除污器、过滤器、碳素钢管、弯管及其连接件、活接头、阀门支架、管卡、焊条、铅油、麻线、防锈漆及套管。2.2 机具 电气焊机具、压力工作台、台钻、手锤、錾子、管钳、活搬子、卷尺、水平尺、克丝钳、弯尺、线坠、小线、试压泵、套丝机、砂轮锯。3.施工工艺3.1 工艺:安装准备 预制加工 卡架安装 干管安装 立管安装 支管安装 试压 冲洗 保温 调试 饰漆3.2 技术要点3.2.1 供热介质管道坡度应符合设计要求;3.2.2 活动支架、导向支架应保证管道能自由伸缩;3.2.3 固定支架应严格按设计图纸制作安装;3.2.4 采暖导管伸缩器安装必须按 GBJ242-82 规范执行;3.2.5 采暖导管变径应按供热介质和流向摔偏口。4.操作工艺4.1 材料和设备的要求4.1.1 热量表、疏水器、除污器、过滤器及阀门的型号、规格、公称压力及安装位置应符合设计要求。4.1.2 钢管管道焊口尺寸的允许偏差应符合下列要求。钢管管道焊口允许偏差和检验方法项 次项 目允 许 偏 差检验方法1焊口管壁厚 10mm 以内管壁厚 1/4焊接检验尺和游标卡尺检查2焊缝器强面高 度+1mm宽 度3咬边深 度小于 0.5mm直尺检查长 度连续长度25mm总长度(两侧)小于焊缝长度的 10%4.1.3 采暖系统入口装置及分户热计量系统入户装置、应符合设计要求。安装位置应便于检修、维护和观察。4.1.4 散热器支管长度超过 1.5m 时应在支管上安装管卡。4.1.5 上供下回式系统热水干管变径应顶平偏心连接,蒸汽干管变径应底平偏心连接。4.1.6 在管道干管上焊接垂直或水平分支管道时,干管开孔所产生的钢渣及管壁等废弃物不得残留管内,且分支管道在焊接时不得插入干管内。4.1.7 膨胀水箱的膨胀管及循环管上不得安装阀门。4.1.8 当采暖热媒为 110~130℃的高温水时,管道可拆卸件应使用法兰,不得使用长丝和活头,法兰垫料应使用耐热橡胶板。4.1.9 焊接钢管管径大于 32mm 的管道转弯,在作为自然补偿时应使用煨弯。塑料管及复合管除必须使用直角弯头的场合外应使用管道直接弯曲转弯。4.1.10 管道金属支架和设备应做防腐和涂讫,应附着良好、无脱皮、起泡、流淌和漏涂缺陷。4.1.11 管道和设备保温的允许偏差应符合下列规定管道及设备保温的允许偏差和检验方法项 次项 目允 许 偏 差检验方法1厚 度+0.1δ-...

1、当您付费下载文档后,您只拥有了使用权限,并不意味着购买了版权,文档只能用于自身使用,不得用于其他商业用途(如 [转卖]进行直接盈利或[编辑后售卖]进行间接盈利)。
2、本站所有内容均由合作方或网友上传,本站不对文档的完整性、权威性及其观点立场正确性做任何保证或承诺!文档内容仅供研究参考,付费前请自行鉴别。
3、如文档内容存在违规,或者侵犯商业秘密、侵犯著作权等,请点击“违规举报”。

碎片内容

4.7.2室内采暖系统安装作业指导书

您可能关注的文档

中小学文库+ 关注
实名认证
内容提供者

精品资料应用尽有

确认删除?
VIP
微信客服
  • 扫码咨询
会员Q群
  • 会员专属群点击这里加入QQ群
客服邮箱
回到顶部