电脑桌面
添加小米粒文库到电脑桌面
安装后可以在桌面快捷访问

旧城办施工组织设计方案(地矿)(DOC69页)VIP免费

旧城办施工组织设计方案(地矿)(DOC69页)_第1页
1/54
旧城办施工组织设计方案(地矿)(DOC69页)_第2页
2/54
旧城办施工组织设计方案(地矿)(DOC69页)_第3页
3/54
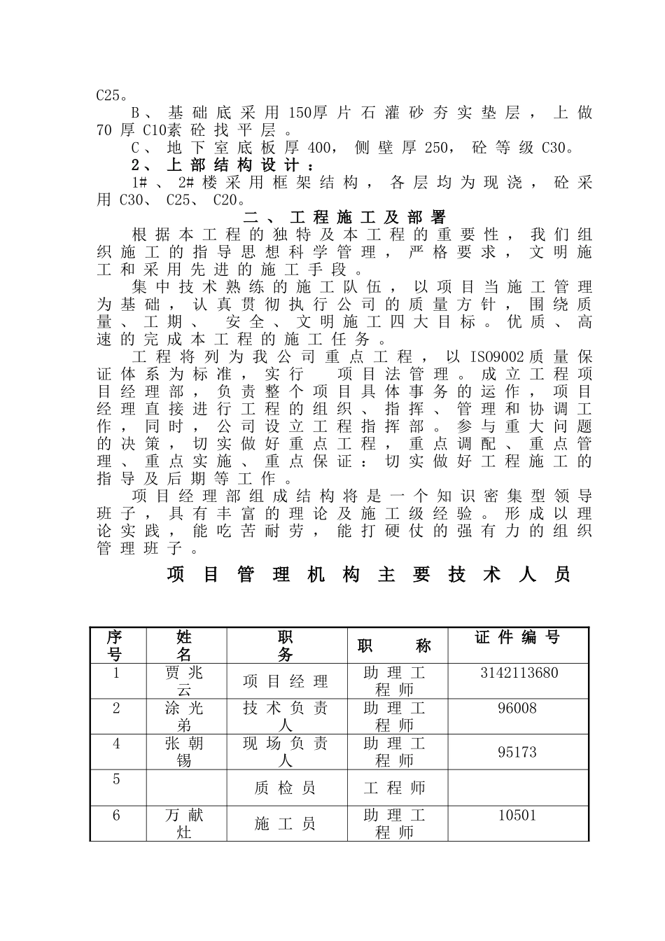
第 一 节 工 程 概 况 、 总 体 施 工 部 署一 、工 程 概 况 工 程 名 称 : 瑞 安 市 旧 城 办 异 地 安 置 房 工 程A 标 段 1# 2# 楼工 程 地 点 : 瑞 安 市 安 阳 新 区建 设 单 位 : 瑞 安 市 旧 城 办瑞 安 市 旧 城 改 造 发 展 公 司瑞 安 市 长 宏 房 地 产 有 限 公 司设 计 单 位 : 瑞 安 市 城 乡 建 筑 设 计 所建 筑 功 能 : 安 置 房 根 据 工 程 特 点 , 了 解 现 场 施 工 具 体 条 件 , 综 合各 方 面 因 素 的 前 提 下 , 本 着 精 心 施 工 、 科 学 施 工 、确 保 优 良 工 程 的 基 本 原 则 , 编 制 本 标 书 。本 施 工 组 织 设 计 的 目 的 是 : 严 格 遵 守 国 家 相 关法 律 、 法 规 、 规 程 及 有 省 市 有 关 法 规 的 基 础 上 ,根 据 本 工 程 的 质 量 目 标 , 创 标 化 工 程 计 划 的 及 质量 体 系 程 序 条 件 及 对 整 个 工 程 施 工 活 动 过 程 , 合理 规 划 和 安 排 , 更 精 心 施 工 科 学 管 理 达 到 计 划 目标 的 实 现 。对 于 施 工 中 存 在 的 技 术 难 题 、 难 点 在 本 方 案 中未 作 详 尽 阐 述 。 届 时 在 施 工 过 程 中 组 织 TQC小 组 进行 技 术 攻 关 , 采 用 最 优 化 的 技 术 方 案 。1 、 工 程 的 主 要 功 能 及 平 面 配 套本 工 程 地 下 室 除 坡 道 外 , 主 要 用 于 非 机 动 车 停车 场 及 防 用 房 , 一 层 以 上 为 住 宅 楼 。2 、 竖 向 设 计1# 、 2# 楼 各 设 二 张 楼 梯 , 地 下 室 设 计 有 消 防疏 散 楼 梯 。层 高 : 地 下 室 4.2M , 其 余 各 层 层 高 均 为 3M ,主 体 高 度 22.60M, 室 外 高 差 为 0.6 M ,3 、 室 内 外 装 饰 、 装 修A 、 内 装 修 :楼 梯 面 为 花 岗 岩 面 层 , 其 余 为 1 : 3 水 泥 砂 浆 找平 层 。B 、 外 装 修 :外 墙 采 用 丙 烯 酸 涂 料 , 门 窗 采 用 铝 合 金 , 整 体...

1、当您付费下载文档后,您只拥有了使用权限,并不意味着购买了版权,文档只能用于自身使用,不得用于其他商业用途(如 [转卖]进行直接盈利或[编辑后售卖]进行间接盈利)。
2、本站所有内容均由合作方或网友上传,本站不对文档的完整性、权威性及其观点立场正确性做任何保证或承诺!文档内容仅供研究参考,付费前请自行鉴别。
3、如文档内容存在违规,或者侵犯商业秘密、侵犯著作权等,请点击“违规举报”。

碎片内容

旧城办施工组织设计方案(地矿)(DOC69页)

黄金阁书苑+ 关注
实名认证
内容提供者

热爱教学事业,对互联网知识分享很感兴趣

确认删除?
VIP
微信客服
  • 扫码咨询
会员Q群
  • 会员专属群点击这里加入QQ群
客服邮箱
回到顶部