电脑桌面
添加小米粒文库到电脑桌面
安装后可以在桌面快捷访问

上海某河道整治施工组织设计方案(DOC48页)VIP免费

上海某河道整治施工组织设计方案(DOC48页)_第1页
1/39
上海某河道整治施工组织设计方案(DOC48页)_第2页
2/39
上海某河道整治施工组织设计方案(DOC48页)_第3页
3/39
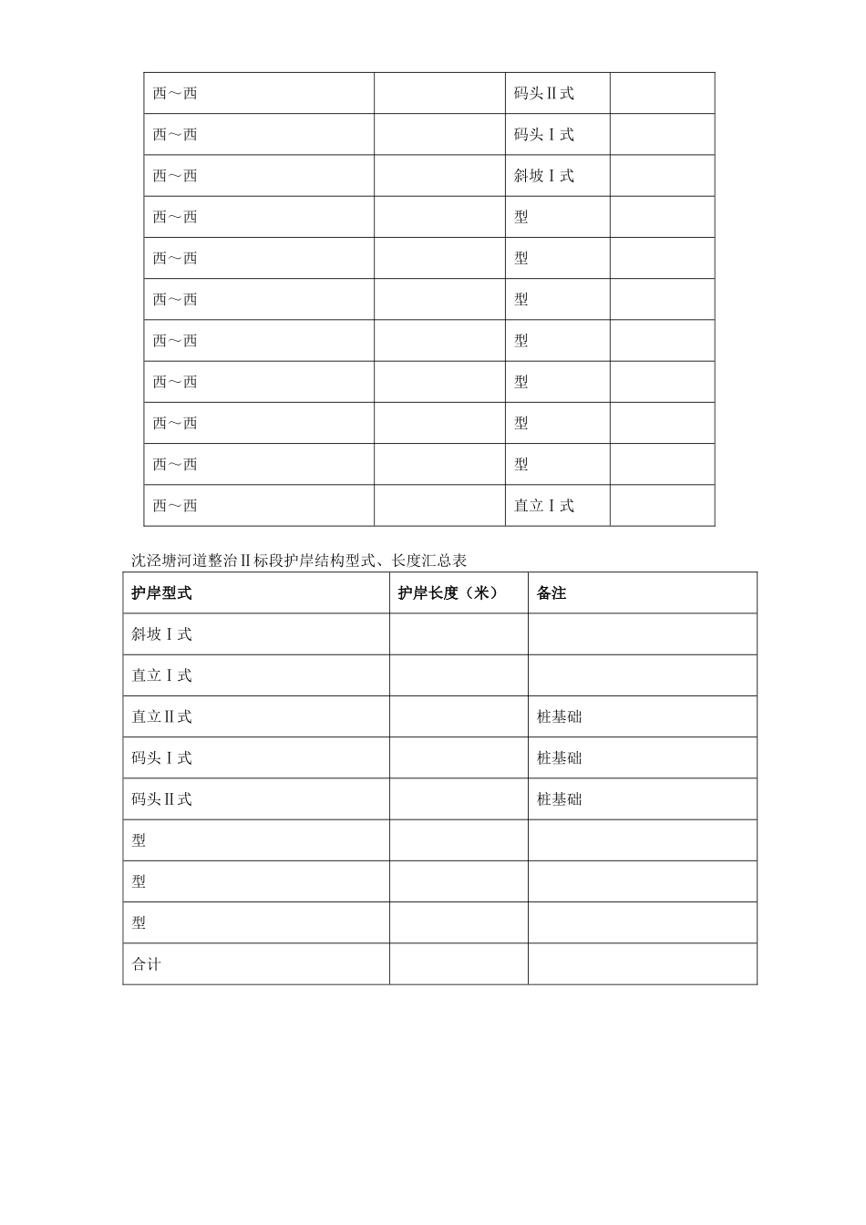
目录工程概况及施工部署第一节工程概况本工程位于上海市某城区,为某城某河道整治一期工程,本标段位于某西岸,北起某路,南至某高速公路,河道全长 3.037 公里。主要的工作量有:)开挖人工湖工程;)新建护岸工程全长 3580.51 米(桩号西西);)护岸沿线景观、绿化;)栈桥一座。工程标段为施—标建设项目:本工程内容包括实地开河和新建护岸工程及景观绿化和栈桥。工程地质条件:工程基础埋置的地质土层,大部分在褐黄色且粘土和淤混质亚粘土两类土层之上,本工程构筑物的类型,均可利用天然地基,沿线现状地面标高 3.0 米~3.2 米(吴淞标高下同)水位:根据当地水文和水利规划分析,最高设计水位为 3.50 米(历史最高水位 3.73 米,年月);最低设计水位 1.5 米;汛期设计常水位 3.0 米;非汛期设计常水位 2.5 米。材料供应:本工程采用自拌砼;为完成本合同各项工作所需的材料和按合同规定由承包人提供的工程设备,均由承包人负责采购、验收、运输和保管。施工工期:本工程业主要求应在年月开工,全部工程要求完工期为年月日,总施工日历天为天。第一节合同工作范围、数量1.2.1 合同工作范围本工程应施工的主要工程内容:沈泾塘文翔路桥北侧西岸起始到北界河支河为斜坡式Ⅰ型断面;北界河支河口向内延接到北界河橡胶坝,支河南北两侧的衔接段采用直立式Ⅰ型断面;该支河口到扬簖塘支河中间设栈桥一座和小型的港湾式码头,主要断面有: 斜坡式Ⅰ型断面,直立式Ⅱ型,码头Ⅰ、Ⅱ型;扬簖塘支河出口为人工湖的开挖,支河向南到通乐路沈泾塘桥的护岸型式为斜坡Ⅰ型;通乐路沈泾塘桥以南到高速公路桥下的护岸形式分别以、、、三类断面型式间隔布置,在高速公路桥下有一支河与新城区生态公园内的人工湖相连接,该连接段采用直立Ⅰ型布置。本合同河道护岸结构型式、长度统计见下表沈泾塘河道整治Ⅱ标段护岸结构型式、长度统计表桩号护岸长度(米)护岸型式备注西~西斜坡Ⅰ式西~西直立Ⅰ式西~西斜坡Ⅰ式西~西码头Ⅰ式西~西直立Ⅱ式西~西码头Ⅱ式西~西码头Ⅰ式西~西斜坡Ⅰ式西~西型西~西型西~西型西~西型西~西型西~西型西~西型西~西直立Ⅰ式沈泾塘河道整治Ⅱ标段护岸结构型式、长度汇总表护岸型式护岸长度(米)备注斜坡Ⅰ式直立Ⅰ式直立Ⅱ式桩基础码头Ⅰ式桩基础码头Ⅱ式桩基础型型型合计第一节施工部署1.1 施工程序本合同人工湖土方开挖工程量较大,栈桥及其两边的护结构(直立Ⅱ型、码头ⅠⅡ型)基础均为桩基...

1、当您付费下载文档后,您只拥有了使用权限,并不意味着购买了版权,文档只能用于自身使用,不得用于其他商业用途(如 [转卖]进行直接盈利或[编辑后售卖]进行间接盈利)。
2、本站所有内容均由合作方或网友上传,本站不对文档的完整性、权威性及其观点立场正确性做任何保证或承诺!文档内容仅供研究参考,付费前请自行鉴别。
3、如文档内容存在违规,或者侵犯商业秘密、侵犯著作权等,请点击“违规举报”。

碎片内容

上海某河道整治施工组织设计方案(DOC48页)

黄金阁书苑+ 关注
实名认证
内容提供者

热爱教学事业,对互联网知识分享很感兴趣

确认删除?
VIP
微信客服
  • 扫码咨询
会员Q群
  • 会员专属群点击这里加入QQ群
客服邮箱
回到顶部