电脑桌面
添加小米粒文库到电脑桌面
安装后可以在桌面快捷访问

10分户验收检查表(室内电气工程)(十)VIP免费

10分户验收检查表(室内电气工程)(十)_第1页
1/37
10分户验收检查表(室内电气工程)(十)_第2页
2/37
10分户验收检查表(室内电气工程)(十)_第3页
3/37
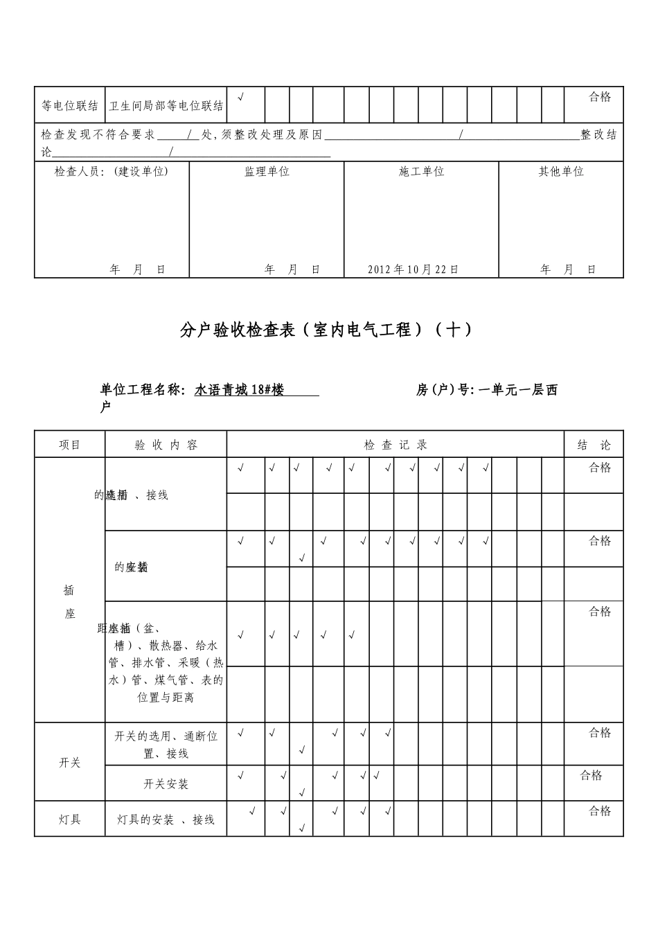
分户验收检查表(室内电气工程)(十)单位工程名称:水语青城 18# 楼 房(户)号:一单元一层东户项目验 收 内 容检 查 记 录结 论插 座插座的选用 、接线√ √ √ √√ √ √ √ √ √ 合格 插座的安装√ √ √√ √ √ √ √ √ √ 合格 插座距水池(盆、槽)、散热器、给水管、排水管、采暖(热水)管、煤气管、表的位置与距离√ √ √ √ √ 合格 开关开关的选用、通断位置、接线√ √ √ √ √ √ 合格开关安装√ √ √ √ √√ 合格 灯具灯具的安装 、接线 √ √ √ √ √ √ 合格配电箱配电箱安装√ 合格配电箱内接线及开关动作 √ 合格等电位联结 卫生间局部等电位联结√ 合格检查发现不符合要求 / 处,须整改处理及原因 / 整改结论 / 检查人员:(建设单位) 年 月 日监理单位 年 月 日施工单位 2012 年 10 月 22 日其他单位 年 月 日分户验收检查表(室内电气工程)(十)单位工程名称:水语青城 18# 楼 房(户)号:一单元一层中户项目验 收 内 容检 查 记 录结 论插 座插座的选用 、接线√ √ √ √√ √ √ √ √ √ 合格 插座的安装√ √ √√ √ √ √ √ √ √ 合格 插座距水池(盆、槽)、散热器、给水管、排水管、采暖(热水)管、煤气管、表的位置与距离√ √ √ √ √ 合格 开关开关的选用、通断位置、接线√ √ √ √ √ √ 合格开关安装√ √ √ √ √√ 合格 灯具灯具的安装 、接线 √ √ √ √ √ √ 合格配电箱配电箱安装√ 合格配电箱内接线及开关动作 √ 合格等电位联结 卫生间局部等电位联结√ 合格检查发现不符合要求 / 处,须整改处理及原因 / 整改结论 / 检查人员:(建设单位) 年 月 日监理单位 年 月 日施工单位 2012 年 10 月 22 日其他单位 年 月 日分户验收检查表(室内电气工程)(十)单位工程名称:水语青城 18# 楼 房(户)号:一单元一层西户项目验 收 内 容检 查 记 录结 论插 座插座的选用 、接线√ √ √ √√ √ √ √ √ √ 合格 插座的安装√ √ √√ √ √ √ √ √ √ 合格 插座距水池(盆、槽)、散热器、给水管、排水管、采暖(热水)管、煤气管、表的位置与距离√ √ √ √ √ 合格 开关开关的选用、通断位置、接线√ √ √ √ √ √ 合格开关安装√ √ √ √ √√ 合格 ...

1、当您付费下载文档后,您只拥有了使用权限,并不意味着购买了版权,文档只能用于自身使用,不得用于其他商业用途(如 [转卖]进行直接盈利或[编辑后售卖]进行间接盈利)。
2、本站所有内容均由合作方或网友上传,本站不对文档的完整性、权威性及其观点立场正确性做任何保证或承诺!文档内容仅供研究参考,付费前请自行鉴别。
3、如文档内容存在违规,或者侵犯商业秘密、侵犯著作权等,请点击“违规举报”。

碎片内容

10分户验收检查表(室内电气工程)(十)

您可能关注的文档

确认删除?
VIP
微信客服
  • 扫码咨询
会员Q群
  • 会员专属群点击这里加入QQ群
客服邮箱
回到顶部