电脑桌面
添加小米粒文库到电脑桌面
安装后可以在桌面快捷访问

化工项目二氯丙烯风险评价VIP免费

化工项目二氯丙烯风险评价_第1页
1/19
化工项目二氯丙烯风险评价_第2页
2/19
化工项目二氯丙烯风险评价_第3页
3/19
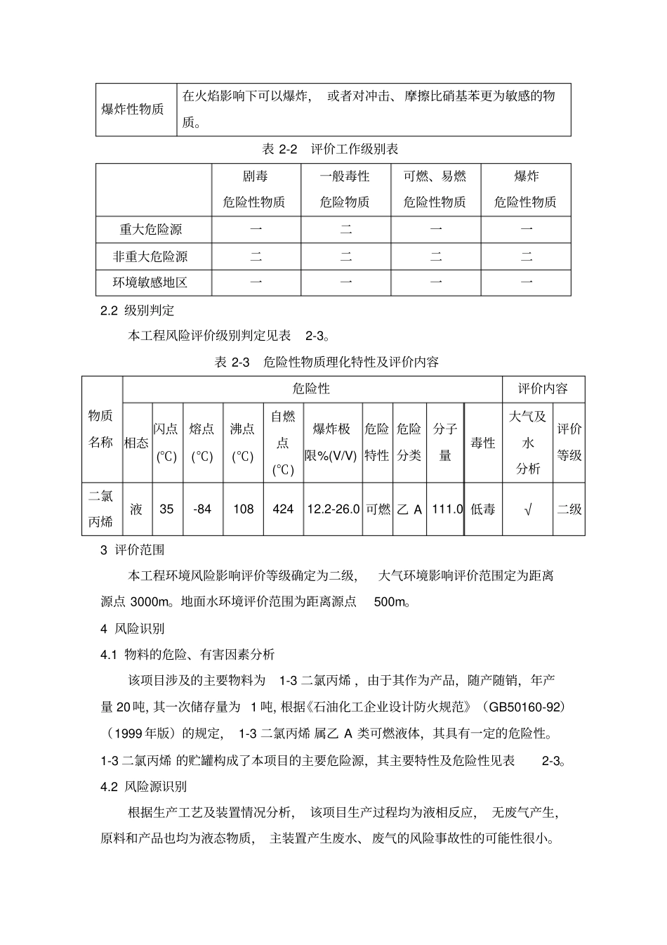
附件 2:环境风险评价专题1 工程概况1.1 单位简介**** 化工厂计划在 ** 市** 区北郊镇小七里庄东, 原有工业园区内建设20 吨/年反式 1-3 二氯丙烯提纯项目。 项目建设地点现为空地, 周围为闲置厂房及农田,距离西面的小七里庄约1000 米。1.2 工艺简述1-3 二氯丙烯为无色液体,可用于医药及农药添加剂等。本项目以90%二氯丙烯粗品为原料,通过蒸馏提纯制取1-3 二氯丙烯,年产量约20 吨。本项目生产工艺较为简单, 主要利用 90%粗二氯丙烯通过精馏提纯制造95%精二氯丙烯。首先将粗料用物料泵打入蒸馏塔内,经过蒸汽加热到108℃,二氯丙烯蒸发进入冷凝器冷凝成为产品。剩余残液主要成分为二氯丙烷, 可作为化工原料出售。生产工艺完全密闭进行。2 评价级别的确定2.1 级别判定标准有毒有害物质及易燃物质判定、 重大危险源判定标准按照 《建设项目风险评价技术导则》附录 A 中表 1 要求确定,详见表 2-1,评价工作等级标准见表2-2。表 2-1 物质危险性标准表LD 50(大鼠经口)mg/kg LD 50(大鼠经皮)mg/kg LD 50(小鼠吸入, 4小时) mg/L 有毒物质1 <5 <1 <0.01 2 5<LD 50<25 10<LD 50<50 0.1< LD50<0.5 3 25<LD 50<200 50<LD 50<400 0.5<LD 50<2 易燃物质1 可燃气体: 在常压下以气态存在并与空气混合形成可燃混合物;其沸点(常压下)是20℃或 20℃以下的物质。2 易燃液体:闪点低于21℃,沸点高于 20℃的物质。3 可燃液体:闪点低于55℃,压力下保持液态,在实际操作条件下(如高温高压)可以引起重大事故的物质。爆炸性物质在火焰影响下可以爆炸, 或者对冲击、 摩擦比硝基苯更为敏感的物质。表 2-2 评价工作级别表剧毒危险性物质一般毒性危险物质可燃、易燃危险性物质爆炸危险性物质重大危险源一二一一非重大危险源二二二二环境敏感地区一一一一2.2 级别判定本工程风险评价级别判定见表2-3。表 2-3 危险性物质理化特性及评价内容物质名称危险性评价内容相态闪点(℃) 熔点(℃) 沸点(℃) 自燃点(℃) 爆炸极限%(V/V) 危险特性危险分类分子量毒性大气及水分析评价等级二氯丙烯液35 -84 108 424 12.2-26.0 可燃 乙 A 111.0 低毒√二级3 评价范围本工程环境风险影响评价等级确定为二级,大气环境影响评价范围定为距离源点 3000m。地面水环境评价范围为距离源点500m。4 风险识别4.1 物料的危险、有害因素分析该项目涉及的主要物料为1-3 二...

1、当您付费下载文档后,您只拥有了使用权限,并不意味着购买了版权,文档只能用于自身使用,不得用于其他商业用途(如 [转卖]进行直接盈利或[编辑后售卖]进行间接盈利)。
2、本站所有内容均由合作方或网友上传,本站不对文档的完整性、权威性及其观点立场正确性做任何保证或承诺!文档内容仅供研究参考,付费前请自行鉴别。
3、如文档内容存在违规,或者侵犯商业秘密、侵犯著作权等,请点击“违规举报”。

碎片内容

化工项目二氯丙烯风险评价

您可能关注的文档

确认删除?
VIP
微信客服
  • 扫码咨询
会员Q群
  • 会员专属群点击这里加入QQ群
客服邮箱
回到顶部