电脑桌面
添加小米粒文库到电脑桌面
安装后可以在桌面快捷访问

化粪池报审检验批VIP免费

化粪池报审检验批_第1页
1/45
化粪池报审检验批_第2页
2/45
化粪池报审检验批_第3页
3/45
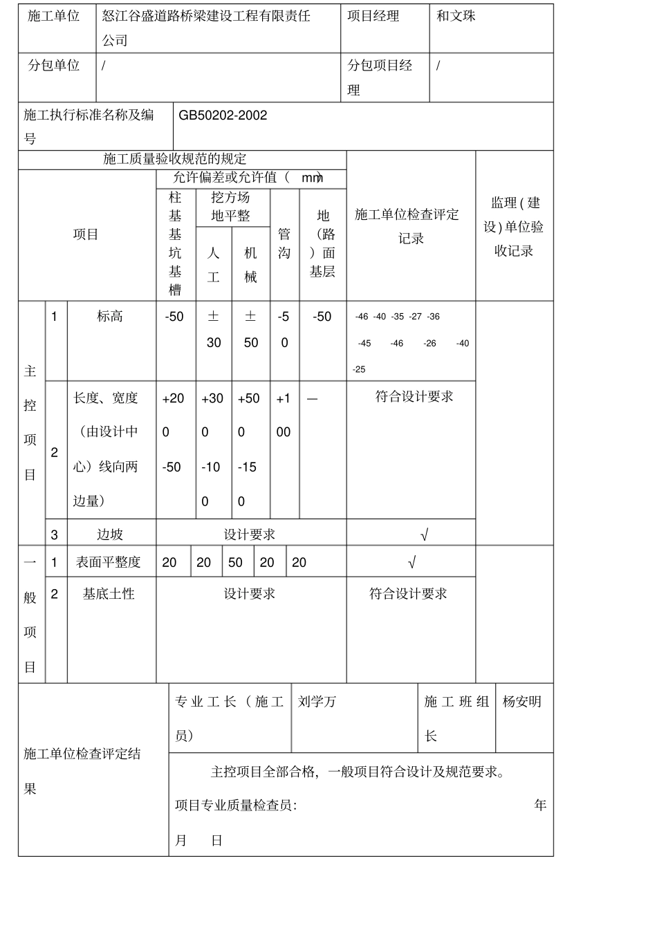
表B. 0.7钢 化 玻 璃 化 粪 池 沟 槽 开 挖报 审 、 报 验 表工程名称:贡山县2016 年易地扶贫搬迁项目基础设施配套工程致:贡山县宏益建设工程监理有限责任公司(项目监理机构)我方已完成赤科八组 1-10 户室外钢化玻璃化粪池沟槽开挖工作,经自检合格,现将有关资料报上,请予以审查或验收。附:□隐蔽工程质量检验资料□检验批质量检验资料□分项工程质量检验资料□施工试验室证明资料□危险性较大的分项工程质量安全检验资料□其他施工项目经理部(盖章)项目经理或项目技术负责人(签字)年月日审查或验收意见:项目监理机构(盖章)专业监理工程师(签字)年月日注:本表一式二份,项目监理机构、施工单位各一份。土方开挖工程检验批质量验收记录表GB50202- 2002 A— 1 单位(子单位)工程名称贡山县 2016 年易地扶贫搬迁项目基础设施配套工程分部(子分部)工程名称地基与基础(土方工程)验收部位化粪池沟槽 开挖施工单位怒江谷盛道路桥梁建设工程有限责任公司项目经理和文珠分包单位/ 分包项目经理/ 施工执行标准名称及编号GB50202-2002 施工质量验收规范的规定施工单位检查评定记录监理 ( 建设 )单位验收记录项目允许偏差或允许值(mm)柱基基坑基槽挖方场地平整管沟地(路)面基层人工机械主控项目1 标高-50 ±30 ±50 -50 -50 -46 -40 -35 -27 -36 -45 -46 -26 -40 -25 2 长度、宽度(由设计中心)线向两边量)+200 -50 +300 -100 +500 -150 +100 —符合设计要求3 边坡设计要求√一般项目1 表面平整度20 20 50 20 20 √2 基底土性设计要求符合设计要求施工单位检查评定结果专 业 工 长 ( 施 工员)刘学万施 工 班 组长杨安明主控项目全部合格,一般项目符合设计及规范要求。项目专业质量检查员:年月日监理(建设) 单位验收结论专业监理工程师:(建设单位项目专业技术负责人):年月日表 B.0.7 钢化玻璃化粪池沟槽砂垫层铺设工程报审、报验表工程名称:贡山县2016 年易地扶贫搬迁项目基础设施配套工程致:贡山县宏益建设工程监理有限责任公司(项目监理机构)我方已完成赤科八组 1-10 户室外钢化玻璃化粪池沟槽砂垫层铺设工程工作,经自检合格,现将有关资料报上,请予以审查或验收。附:□隐蔽工程质量检验资料□检验批质量检验资料□分项工程质量检验资料□施工试验室证明资料□危险性较大的分项工程质量安全检验资料□其他施工项目经理部(盖章...

1、当您付费下载文档后,您只拥有了使用权限,并不意味着购买了版权,文档只能用于自身使用,不得用于其他商业用途(如 [转卖]进行直接盈利或[编辑后售卖]进行间接盈利)。
2、本站所有内容均由合作方或网友上传,本站不对文档的完整性、权威性及其观点立场正确性做任何保证或承诺!文档内容仅供研究参考,付费前请自行鉴别。
3、如文档内容存在违规,或者侵犯商业秘密、侵犯著作权等,请点击“违规举报”。

碎片内容

化粪池报审检验批

您可能关注的文档

确认删除?
VIP
微信客服
  • 扫码咨询
会员Q群
  • 会员专属群点击这里加入QQ群
客服邮箱
回到顶部