电脑桌面
添加小米粒文库到电脑桌面
安装后可以在桌面快捷访问

建设项目环境影响报告书盐酸泄露环境风险评价VIP免费

建设项目环境影响报告书盐酸泄露环境风险评价_第1页
1/12
建设项目环境影响报告书盐酸泄露环境风险评价_第2页
2/12
建设项目环境影响报告书盐酸泄露环境风险评价_第3页
3/12
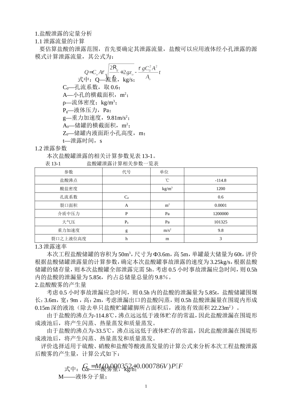
1.盐酸泄露的定量分析1.1 泄露流量的计算 要估算盐酸的泄露范围,首先要确定其泄露流量,盐酸可以应用液体经小孔泄露的源模式计算泄露流量,其公式为: 式中:Q—流量,kg/s; C0—孔流系数,取 0.6; A—小孔的横截面积,m2; ρ—流体密度;kg/m3; Pg—液体压力,Pa; g—重力加速度,9.81m/s2; A0—储罐的横截面积,m2; Z0—储罐内液面距小孔高度,m; t—泄露时间,s1.2 泄露参数本次盐酸罐泄露的相关计算参数见表 13-1。表 13-1 盐酸罐泄露计算相关参数一览表参数代号单位 盐酸沸点℃-114.8酸盐密度kg/m31200孔流系数Cd0.6裂口面积Am20.0001介质中压力PPa1200000大气压P0Pa101325重力加速度gm/s29.8裂口之上液位高度hm31.3 泄露速率本次工程盐酸储罐的容积为 50m3,尺寸为 Ф3.6m,高 5m,单罐最大储量为 60t,评价根据盐酸储罐泄露量的计算参数,确定本次盐酸罐事故泄露的速度为 3.25kg/s,根据盐酸储罐的储存量,则本次盐酸罐全部泄露完需 5h。考虑 0.5 小时事故泄漏应急时间,则 0.5h内的盐酸的泄漏量为 5.85t,约占总储量总量的 9.8%。2.盐酸酸雾的产生量考虑 0.5 小时事故泄漏应急时间,则 0.5h 内的盐酸的泄漏量为 5.85t,盐酸储罐围堰长:3.6m,宽:9m ,高:2m,考虑泄漏出口的盐酸闪蒸,则 0.5h 盐酸泄漏量在围堤内形成0.15m 深的液池(除去单只盐酸贮罐罐脚所占面积后,液池有效面积 22.23m2)。由于盐酸的沸点为-114.8℃,沸点远远低于液体贮存的常温,因此盐酸泄漏在围堤形成液池后,将产生闪蒸、热量蒸发和质量蒸发。由于盐酸的沸点为-33.5℃,沸点远远低于液体贮存的常温,因此盐酸泄漏在围堤形成液池后,将产生闪蒸、热量蒸发和质量蒸发。 评价选择适用于硫酸、硝酸和盐酸等酸液蒸发量的计算公式来分析本次工程盐酸泄露后酸雾的产生量,计算公式如下: 式中:Gz——酸雾量,kg/h; M——液体分子量;1 U——蒸发液体表面上的空气流速(m/s),应以实测数据为准。无条件实测时,可取 0.2~0.5m/s 或查表计算; P——相应于液体温度下空气中的饱和蒸汽分压力(mmHg); F——蒸发面的面积,m2。 根据《环境统计手册》,本次评价蒸发液体表面上的空气流速取 0.3,相应与液体温度下空气中的饱和蒸汽分压力取 10.6。Gz=36.46×(0.000352+0.000786×0.3) ×10.6×22.23经过计算可知,本次工程盐酸罐泄露所形成的盐酸酸雾的产生量为 5.05 kg/h。3.盐酸酸雾的毒性范围计算国家...

1、当您付费下载文档后,您只拥有了使用权限,并不意味着购买了版权,文档只能用于自身使用,不得用于其他商业用途(如 [转卖]进行直接盈利或[编辑后售卖]进行间接盈利)。
2、本站所有内容均由合作方或网友上传,本站不对文档的完整性、权威性及其观点立场正确性做任何保证或承诺!文档内容仅供研究参考,付费前请自行鉴别。
3、如文档内容存在违规,或者侵犯商业秘密、侵犯著作权等,请点击“违规举报”。

碎片内容

建设项目环境影响报告书盐酸泄露环境风险评价

您可能关注的文档

精品中小学文档+ 关注
实名认证
内容提供者

精品资料,值得下载

确认删除?
VIP
微信客服
  • 扫码咨询
会员Q群
  • 会员专属群点击这里加入QQ群
客服邮箱
回到顶部