电脑桌面
添加小米粒文库到电脑桌面
安装后可以在桌面快捷访问

住宅工程质量分户验收内容及要求VIP免费

住宅工程质量分户验收内容及要求_第1页
1/10
住宅工程质量分户验收内容及要求_第2页
2/10
住宅工程质量分户验收内容及要求_第3页
3/10
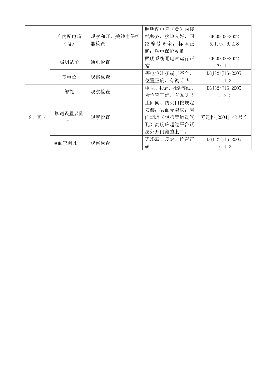
附件1住宅工程质量分户验收内容及要求一、室内验收项目验收内容检查方法验收标准参照标准、备注1、楼地面、墙面、天棚面层楼地面空鼓、裂缝、起砂小锤轻击和观察检查,可击范围内轻击点间距不得超过40cm空鼓面积不超过400cm2;不得出现裂缝和起砂GB50209-20025.3.4、5.3.6墙面、天棚空鼓、裂缝、脱层和爆灰无空鼓、脱层;距检查面1m处正视无裂缝和爆灰GB50210-20014.3.5GB50204-20028.2.12、门窗外窗台高度钢尺检查,每个窗台不少于一处窗台或落地窗防护栏杆高度不低于900mm且不得有负偏差GB50352-20056.10.3GB50096-19993.9.1门窗开启开启和关闭检查,手扳检查开启灵活、关闭严密;分户门等不松动、不晃动GB50210-20015.3.4GB50210-20015.1.11安全玻璃认证标识观察检查安全认证标识应使用安全玻璃的不得使用非安全玻璃,玻璃上有安全认证标识(标识不得隐蔽)发改运行(2003)2116号第六条3、栏杆栏杆高度钢尺测量,每片栏杆不少于一处阳台、上人屋面栏杆六层及以下不低于1.05米;七层及以上不低于1.10米,不得有负偏差GB50368-20055.1.5GB50368-20055.2.2竖杆间距临空处栏杆净高:净间距不应大于0.11m,正偏差不大于3mmGB50210-200112.5.9防攀爬措施观察检查有水平杆件的栏杆或花式栏杆应设防攀爬措施(金属密网、安全玻璃等)GB50352-20056.6.3护栏玻璃观察检查3C安全标识,游标卡尺测量必须使用钢化玻璃或钢化夹层玻璃,厚度不应小于12mm,当临空高度超过5m时,必须采用钢化夹层玻璃GB50210-200112.5.74、防水屋面渗漏平屋面分块蓄水,蓄水时间不少于24小时,天沟、管道根部蓄水深度不得小于20mm;坡屋面淋水试验不少于2小时屋面无渗漏、无积水GB50207-200210.0.5卫生间等有防水要求的地面渗漏蓄水24小时后放水,最小蓄水深度不得小于20mm无渗漏、排水顺畅GB50209-20024.9.8外墙渗漏外窗人工淋水试验一小时后检查墙面无渗漏、滴水线无爬水《建筑法》第六十条外窗渗漏外窗人工淋水后检查,第三至四层(有挑檐的每层)设置一个横向淋水带,淋水试验时间不少于1小时外窗及周边无渗漏《建筑法》第六十条5、室内空间尺寸室内净高1、在分户验收记录所附的套型图上标明房间编号;2、每个房间净高抽测五点,开间、进深尺寸各抽测两处,测点位置详见附图;3、偏差为实测值与推算值之差;极差为实测值中最大值与最小值之差;4、使用“激光测距仪”进行检测最大负偏差不超过20mm,极差不超过20mmDGJ32/J16-20056.3.2室内净开间极差不超过20mm且不超过垂直长度的0.5%6、给排水系统管道渗漏观察检查给水管管道、水嘴、阀门等无渗漏、严重变形,固定不牢;排水管通水、通球后无渗漏、堵塞、伸缩合理GB50242-20024.2.2、5.2.1管道坡向观察检查顺直、无倒坡GB50242-20025.2.3地漏水封试水观察检查、尺量检查地漏位置、坡水正确,地漏水封高度不得小于50mm(或设置S弯)GB50242-20027.2.1阻火圈(防火套管)设置观察检查高层建筑明设排水塑料管道是否设置阻火圈(防护套管)GB50242-20025.2.4屋面排气管观察检查屋面排气管设通气帽,管道净高上人屋面不小于2m、不上人屋面不小于300mmGB50242-20025.2.107、电气插座相位、接地使用“漏电保护相位检测器”逐个检查“漏电保护相位检测器”通电检测无接错显示GB50303-200222.1.2、3.1.7户内配电箱(盘)观察和开、关触电保护器检查照明配电箱(盘)内接线整齐,接地良好,回路编号齐全,标识正确;触电保护灵敏GB50303-20026.1.9、6.2.8照明试验通电检查照明系统通电试运行正常GB50303-200223.1.1等电位观察检查等电位连接端子齐全、位置正确、有说明书DGJ32/J16-200512.1.38、其它智能观察检查电视、电话、网络等线、盒位置正确、有说明书DGJ32/J16-200515.2.5烟道设置及附件观察检查止回阀、防火门按规定安装;表面无裂纹;屋面烟道(包括管道透气孔)高度应超过平台跃层外开门窗的上口。苏建科[2004]143号文墙面空调孔观察检查无渗漏、反坡、位置正确DGJ32/J16-200516.1.3二、公共部位验收项目验收内容检查方法验收标准参照标准、备注1、外墙窗角斜裂缝,墙面裂缝在距外墙2.0m范围内平视或仰视观察检查墙面及窗角无可见裂缝《建筑法》第六十条2、...

1、当您付费下载文档后,您只拥有了使用权限,并不意味着购买了版权,文档只能用于自身使用,不得用于其他商业用途(如 [转卖]进行直接盈利或[编辑后售卖]进行间接盈利)。
2、本站所有内容均由合作方或网友上传,本站不对文档的完整性、权威性及其观点立场正确性做任何保证或承诺!文档内容仅供研究参考,付费前请自行鉴别。
3、如文档内容存在违规,或者侵犯商业秘密、侵犯著作权等,请点击“违规举报”。

碎片内容

住宅工程质量分户验收内容及要求

文章天下+ 关注
实名认证
内容提供者

各种文档应有尽有

确认删除?
VIP
微信客服
  • 扫码咨询
会员Q群
  • 会员专属群点击这里加入QQ群
客服邮箱
回到顶部