电脑桌面
添加小米粒文库到电脑桌面
安装后可以在桌面快捷访问

作业指导书-工作站VIP免费

作业指导书-工作站_第1页
1/10
作业指导书-工作站_第2页
2/10
作业指导书-工作站_第3页
3/10
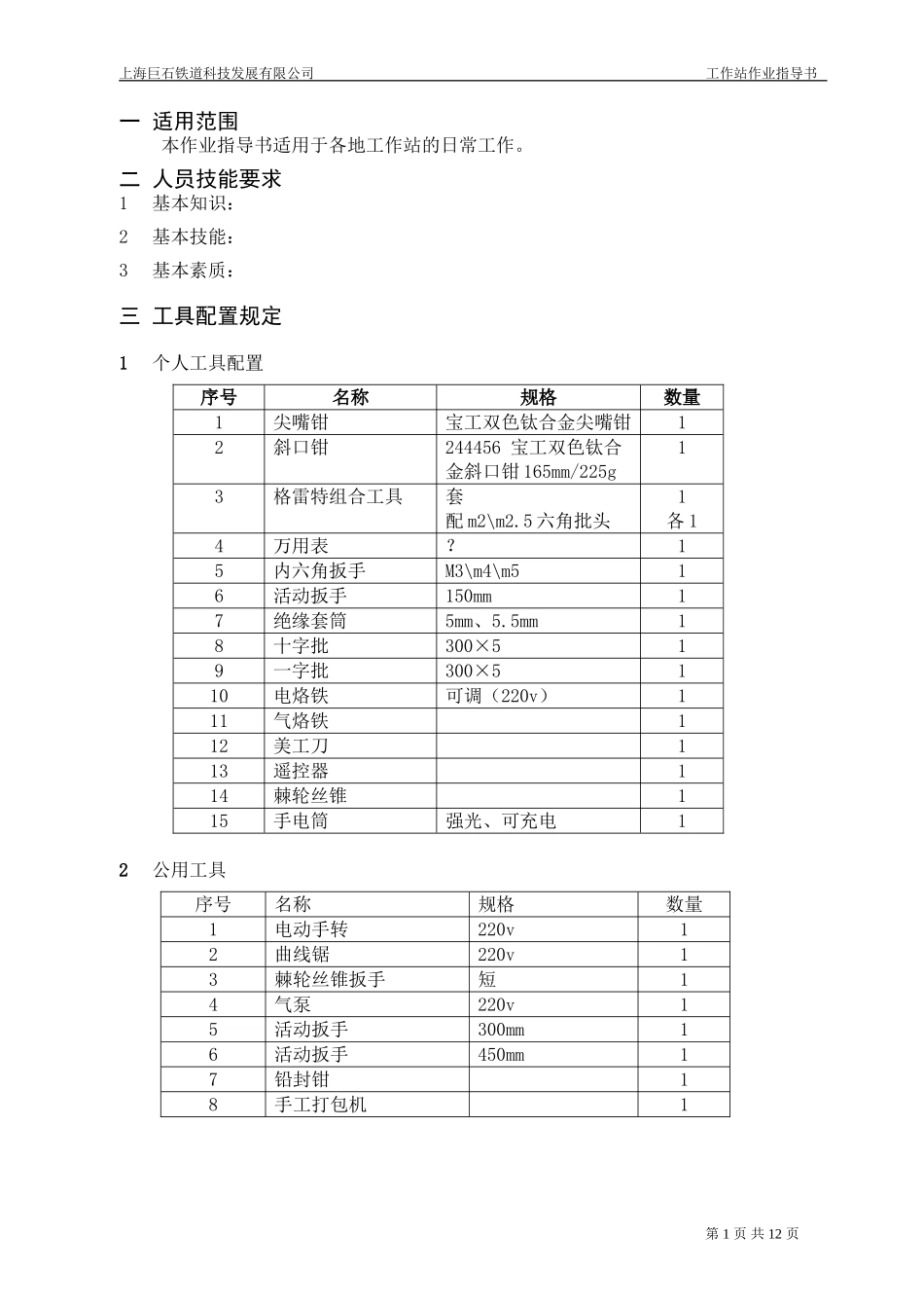
上海巨石铁道科技发展有限公司作业指导书_工作站生效时间:2011年3月1日电子文档编号:**********公司电子文件柜存放目录:@@@@/######/%%%%%一适用范围..............................................................................................................................................1二人员技能要求......................................................................................................................................1三工具配置规定......................................................................................................................................1四备品配给..............................................................................................................................................1五周转品配给..........................................................................................................................................1六作业的分类..........................................................................................................................................2七作业标准..............................................................................................................................................3八其他规定..............................................................................................................................................8上海巨石铁道科技发展有限公司工作站作业指导书一适用范围本作业指导书适用于各地工作站的日常工作。二人员技能要求1基本知识:2基本技能:3基本素质:三工具配置规定1个人工具配置序号名称规格数量1尖嘴钳宝工双色钛合金尖嘴钳12斜口钳244456宝工双色钛合金斜口钳165mm/225g13格雷特组合工具套配m2\m2.5六角批头1各14万用表?15内六角扳手M3\m4\m516活动扳手150mm17绝缘套筒5mm、5.5mm18十字批300×519一字批300×5110电烙铁可调(220v)111气烙铁112美工刀113遥控器114棘轮丝锥115手电筒强光、可充电12公用工具序号名称规格数量1电动手转220v12曲线锯220v13棘轮丝锥扳手短14气泵220v15活动扳手300mm16活动扳手450mm17铅封钳18手工打包机1第1页共12页上海巨石铁道科技发展有限公司工作站作业指导书四备品配给1备品配给以工作站所属局的项目装车整台份总数量为基数:名称序号备品配备原则JSYJ-4E-ZJ01ZJ01-01-1103-项目装车整台份数量在50台以下,配备5台以上备品;项目装车整台份数量在50台以上,配备10%以上备品JSYJ-4E-JS03XS02-01-1103-根据装车数量配备1—3套前面板JSYJ-4E-SP02SP02-01-1103-每个项目备品量为2台音视频采集器A-04JSYJ-01-04-2.8-1103-根据装车数量配备5—10台音视频采集器B-05JSYJ-01-05-60-1103根据装车数量配备5—10台音视频采集器C-06JSYJ-01-06-04-1103根据装车数量配备5—10台音视频采集器D-07JSYJ-01-07-08-1103按照项目装车整台份数量的20%配备备品2.8mm镜头根据项目装车整台份数量配备10—20个4mm镜头根据项目装车整台份数量配备10—20个60mm镜头根据项目装车整台份数量配备10—20个JSYJ-4E-XS-KZKZ-01-03-1103-2块JSYJ-4E-XS-QDQD-01-03-11032块JSYJ-4E-XS-WXWX-01-03-11032块JSYJ-4E-XS-AVAV-01-03-11032块JSYJ-NX-JSQ2套JSYJ-CJ-DB-0120块JSYJ-脱口装置-Ⅰ1个JSYJ-无线固话-Ⅰ1套适配器内线根据项目装车整台份数量配备3—10套,航空插头与插座需对接JSYJ-TAX-4E-22根据项目装车整台份数量配备5—10块五周转品配给1周转品是在不可抗拒(天灾)、或者技术障碍等特殊情况下,突发某些整件大量故障时,公司提供给工作站用于更换的临时备品。2在故障品修复后,工作站将周转品更换下车,并且如数返回公司。第1页共12页六作业的分类1站测:站测分为“整台份上车前站测”、“常规备品上车前站测”、“故障品下车后站测”、“修复品上车前站测”四类。即新装车整台份各部件、常规备品、修复品在上车前,和故障品...

1、当您付费下载文档后,您只拥有了使用权限,并不意味着购买了版权,文档只能用于自身使用,不得用于其他商业用途(如 [转卖]进行直接盈利或[编辑后售卖]进行间接盈利)。
2、本站所有内容均由合作方或网友上传,本站不对文档的完整性、权威性及其观点立场正确性做任何保证或承诺!文档内容仅供研究参考,付费前请自行鉴别。
3、如文档内容存在违规,或者侵犯商业秘密、侵犯著作权等,请点击“违规举报”。

碎片内容

作业指导书-工作站

文章天下+ 关注
实名认证
内容提供者

各种文档应有尽有

确认删除?
VIP
微信客服
  • 扫码咨询
会员Q群
  • 会员专属群点击这里加入QQ群
客服邮箱
回到顶部