电脑桌面
添加小米粒文库到电脑桌面
安装后可以在桌面快捷访问

电缆沟开挖技术交底(大全)VIP免费

电缆沟开挖技术交底(大全)_第1页
1/9
电缆沟开挖技术交底(大全)_第2页
2/9
电缆沟开挖技术交底(大全)_第3页
3/9
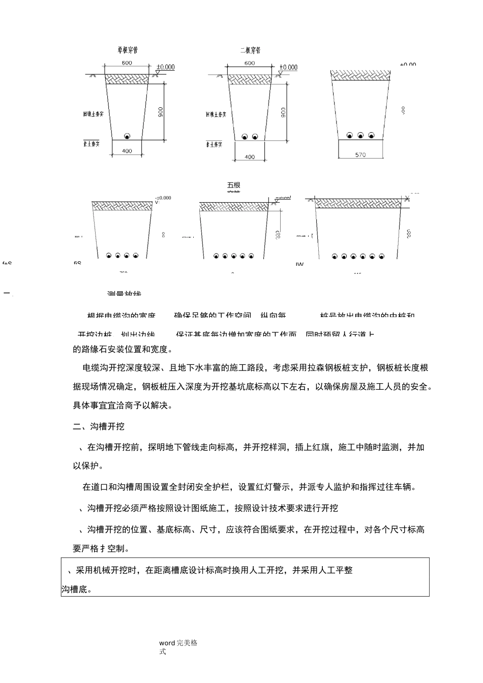
word 完美格式深圳市龙工程标段电缆沟开挖技术交底交底单位:交底地点交底时间交底负责人接受交底单位及人员交底内容:一沟槽类型及跟建筑物、管道距离根据电缆沟沟底敷设电缆根数,不同的电缆数量对应的电缆沟上下部宽度不同。本次开挖的电缆沟深度为,当电缆沟为单根穿管和两根穿管时,沟底部宽度为,上部宽度为,三根穿管时沟底宽度,上部宽度为。四根穿管时沟底宽度,上部宽度为。三根穿管时沟底宽度,上部宽度为。三根穿管时沟底宽度,上部宽度为。当电缆位于与管道下方交叉时,电缆需要向下弯曲,当电缆交叉部分无保护管时需与管道保持以上距离,有保护管时,间距大于即可。绕过管道以后向上部弯曲。且电缆绕过管道后与地表距离不小于,当电缆位于管道上方进行交叉时。当交叉部分电缆无保护管时需要与管道保持大于的距离,当有保护管时距离只需与管道距离大于即可,与地表距离需要大于。word 完美格式fiS-±0.000V:f±S+0.00+0.00二、测量放线根据电缆沟的宽度,确保足够的工作空间,纵向每桩号放出电缆沟的中桩和开挖边桩、划出边线,保证基底每边增加宽度的工作面,同时预留人行道上的路缘石安装位置和宽度。电缆沟开挖深度较深、且地下水丰富的施工路段,考虑采用拉森钢板桩支护,钢板桩长度根据现场情况确定,钢板桩压入深度为开挖基坑底标高以下左右,以确保房屋及施工人员的安全。具体事宜宜洽商予以解决。二、沟槽开挖、在沟槽开挖前,探明地下管线走向标高,并开挖样洞,插上红旗,施工中随时监测,并加以保护。在道口和沟槽周围设置全封闭安全护栏,设置红灯警示,并派专人监护和指挥过往车辆。、沟槽开挖必须严格按照设计图纸施工,按照设计技术要求进行开挖、沟槽开挖的位置、基底标高、尺寸,应该符合图纸要求,在开挖过程中,对各个尺寸标高要严格扌空制。、采用机械开挖时,在距离槽底设计标高时换用人工开挖,并采用人工平整沟槽底。五根穿管OO6/醐士750OO+0.00回填土回填士IW9115OOOOword 完美格式、沟槽底高程的允许偏差:开挖土方时应为〜;槽低中线允许偏位为0、在建筑物、构造物附近开挖沟槽时,应该根据图纸和有关地质水文资料进行防护设计,采用支撑支护等有效防护措施。、挖沟槽弃土应该及时运走,不得堆放在够槽口附近妨碍施工和槽壁稳定,也不得阻碍交通。、沟槽每测临时堆土或施加其他荷载时,应符合以下要求:()、不得影响建筑物、各种管线和其他设施的安全。()、不得掩埋消火栓、管道闸阀、雨水口、测量标志以...

1、当您付费下载文档后,您只拥有了使用权限,并不意味着购买了版权,文档只能用于自身使用,不得用于其他商业用途(如 [转卖]进行直接盈利或[编辑后售卖]进行间接盈利)。
2、本站所有内容均由合作方或网友上传,本站不对文档的完整性、权威性及其观点立场正确性做任何保证或承诺!文档内容仅供研究参考,付费前请自行鉴别。
3、如文档内容存在违规,或者侵犯商业秘密、侵犯著作权等,请点击“违规举报”。

碎片内容

电缆沟开挖技术交底(大全)

您可能关注的文档

wxg+ 关注
实名认证
内容提供者

该用户很懒,什么也没介绍

确认删除?
VIP
微信客服
  • 扫码咨询
会员Q群
  • 会员专属群点击这里加入QQ群
客服邮箱
回到顶部