电脑桌面
添加小米粒文库到电脑桌面
安装后可以在桌面快捷访问

铝合金模板进场预验收方案VIP免费

铝合金模板进场预验收方案_第1页
1/7
铝合金模板进场预验收方案_第2页
2/7
铝合金模板进场预验收方案_第3页
3/7
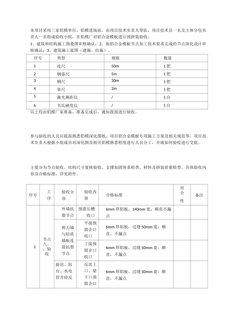
本项目采用三家铝模单位,铝模进场前,由项目技术负责人带队,项目技术员一名及主体分包负责人一名组成验收小组,在铝模厂对铝合金模板进行预拼装验收。1、建筑和结构施工图叠图审核确认;2、按铝合金模板节点加工技术要求完成的节点深化设计审核确认;3、建筑施工蓝图(建施、结施)。序号类型规格数量1皮尺50m1 把2钢卷尺5m1 把3钢尺30m1 把4靠尺2m1 把5激光测距仪/1 台6韦氏硬度仪/1 台以上均由铝模厂家准备,准备完成后,通知我部进行验收。参与验收的人员应提前熟悉铝模深化图纸、项目铝合金模板专项施工方案及相关规范等,项目技术负责人根据小组成员对深化图及相关铝模熟悉程度进行人员分工,并就如何验收进行交底。主要分为节点验收、结构尺寸复核验收、支撑加固体系检查、材料及拼装质量检查。具体验收内容及合格标准,详见附件。序号工序验收分项验收内容合格标准符合性备注1节占八、、验收外墙抗裂节点预留压槽收口6mm 厚铝板,140mm 宽;顺直不漏点剪力墙与轻质墙板连接抗裂节点平接预留企口收口6mm 厚铝板,过缝 50mm 宽;顺直,不漏点丁接预留企口收口6mm 厚铝板,过缝 50mm 宽;顺直,不漏点厨房、阳台、水电管井砼反反坎上口、梁下口预留企口6mm 厚铝板,过缝 50mm 宽;顺直,不漏点坎、梁与轻质墙板连接抗裂节点收口铝合金门窗洞锚固节占八、、拉片预埋槽口收口企口外侧预埋槽口宽 30mm,长30mm,深 12~18mm拉片预埋间距要求距离洞边 200mm 起设,其余小于400mm 均分预留内企口(外高内低)收口企口深 12~18mm,宽根据墙宽考虑设置入户门洞收口节点预留企口收口入户门内开门平内口安装,外开门平外口安装;窄企口满足设计洞口尺寸,宽企口压 12mm~15mm 深企口;预留企口进深门过梁下挂节占八、、下挂结构同门洞墙宽(同梁宽)同梁宽可一次延伸至过梁底下挂结构同门洞墙宽(不同梁宽)按同梁宽内设铝合金企口盒收截面外立面滴水线节点立面凸出水平线条距槽口外口距离距离 20mm 宽,槽口 10mm 深;正确、顺直所有窗洞上口距槽口外口距离距离 20mm 宽,槽口 10mm 深;正确、顺直有梯井楼梯斜板滴水线节点斜板临外口距槽口外口距离距离 20mm 宽,槽口 10mm 深;正确、顺直外立面分格缝水平固定位置分格缝下口平结构楼层士结构板板底位置设置,线条大面水平贯通;顺直加工节点构造要求外口 20mm 宽、10mm 深等腰梯形卫生间排水管道管井反坎节占八、、按设计洞口预留尺寸设置反坎反坎 100mm ...

1、当您付费下载文档后,您只拥有了使用权限,并不意味着购买了版权,文档只能用于自身使用,不得用于其他商业用途(如 [转卖]进行直接盈利或[编辑后售卖]进行间接盈利)。
2、本站所有内容均由合作方或网友上传,本站不对文档的完整性、权威性及其观点立场正确性做任何保证或承诺!文档内容仅供研究参考,付费前请自行鉴别。
3、如文档内容存在违规,或者侵犯商业秘密、侵犯著作权等,请点击“违规举报”。

碎片内容

铝合金模板进场预验收方案

您可能关注的文档

确认删除?
VIP
微信客服
  • 扫码咨询
会员Q群
  • 会员专属群点击这里加入QQ群
客服邮箱
回到顶部