电脑桌面
添加小米粒文库到电脑桌面
安装后可以在桌面快捷访问

升降机联合验收表VIP免费

升降机联合验收表_第1页
1/4
升降机联合验收表_第2页
2/4
升降机联合验收表_第3页
3/4
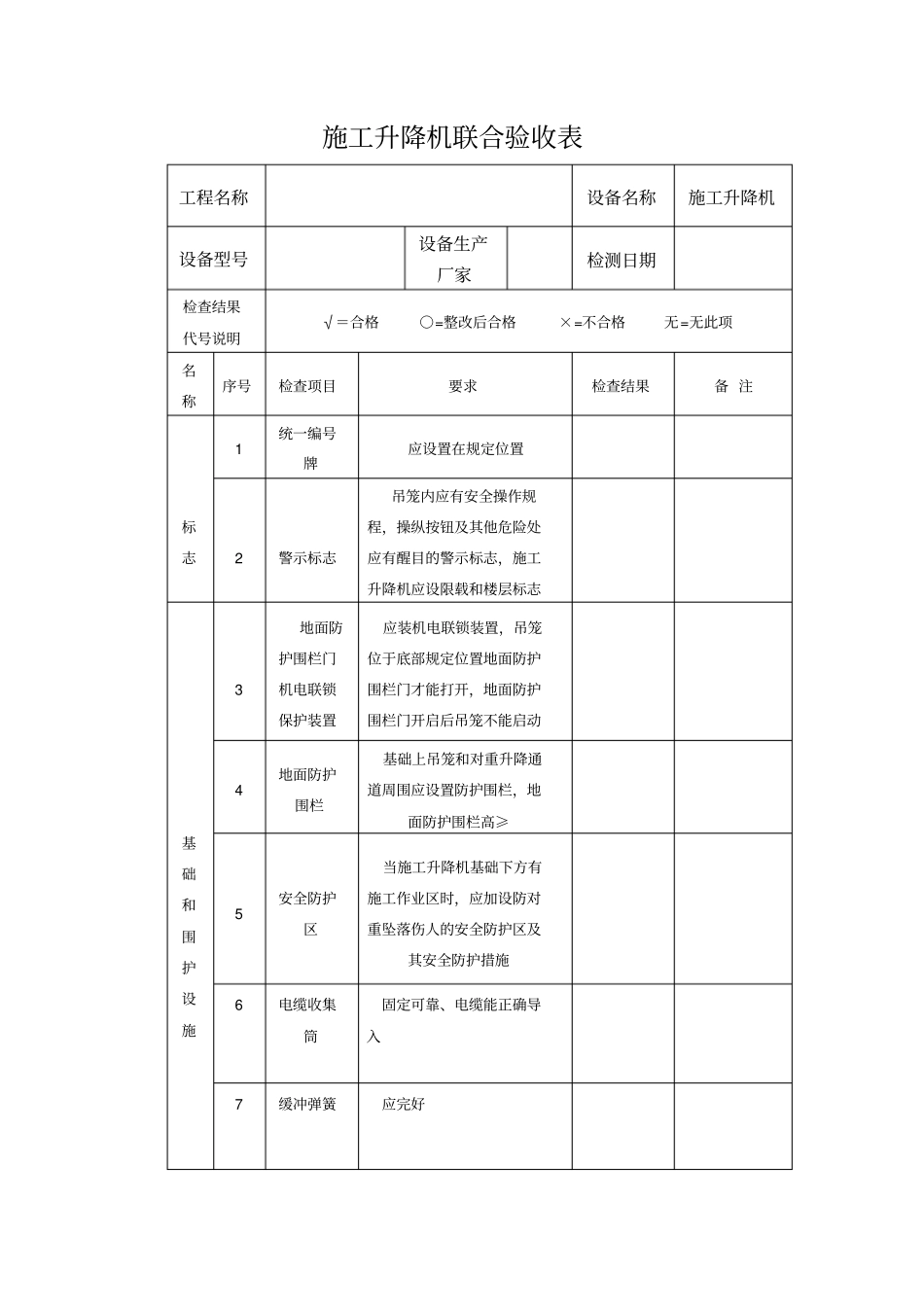
施工升降机联合验收表工程名称设备名称施工升降机设备型号设备生产厂家检测日期检查结果代号说明√=合格○=整改后合格×=不合格无=无此项名称序号检查项目要求检查结果备 注标志1统一编号牌应设置在规定位置2警示标志吊笼内应有安全操作规程,操纵按钮及其他危险处应有醒目的警示标志,施工升降机应设限载和楼层标志基础和围护设施3地面防护围栏门机电联锁保护装置应装机电联锁装置,吊笼位于底部规定位置地面防护围栏门才能打开,地面防护围栏门开启后吊笼不能启动4地面防护围栏基础上吊笼和对重升降通道周围应设置防护围栏,地面防护围栏高≥5安全防护区当施工升降机基础下方有施工作业区时,应加设防对重坠落伤人的安全防护区及其安全防护措施6电缆收集筒固定可靠、电缆能正确导入7缓冲弹簧应完好金属结构件8金属结构件外观无明显变形、脱焊、开裂和锈蚀9螺栓连接紧固件安装准确、紧固可靠10销轴连接销轴连接定位可靠11导轨架垂直度架设高度h(m)h≤ 7070<h≤100100<h≤150150<h≤200h>200垂直度偏差(mm)≤(1/1000)h≤70≤90≤ 110≤ 130对钢丝绳式施工升降机,垂直度偏差应≤(1000)h吊笼及层门12紧急逃离门应完好13吊笼顶部护栏应完好14吊笼门开启正常,机电联锁有效15层门应完好传动及导向16防护装置转动零部件的外露部分应有防护罩等防护装置17制动器制动性能良好,手动松闸功能正常18齿轮齿条啮合齿条应有90%以上的计算宽度参与啮合,且与齿轮的啮合侧隙应为 ~19导向轮及背轮连接及润滑应良好、导向灵活、无明显倾侧现象20润滑无漏油现象名称序号检查项目要求检查结果备注附着装置21附墙架应采用配套标准产品22附着间距应符合使用说明书要求23自由端高度应符合使用说明书要求24与构筑物连接应牢固可靠安全装置25防坠安全器应在有效标定期限内使用26防松绳开关应有效27安全钩应完好有效28上限位安装位置:提升速度v<(m/s)时,留有上部安全距离应≥(m);v≥(m/s) 时,留有上部安全距离应≥+ (m)29上极限开关极限开关应为非自动复位型,动作时能切断总电源, 动作后须手动复位才能使吊笼启动30下限位应完好有效31越程距离上限位和上极限开关之间的越程距离应≥32下极限开关应完好有效33紧急逃离门安全开关应有效34急停开关应有效电气系统35绝缘电阻电动机及电气元件 (电子元器件部分除外)的对地绝缘电阻应≥Ω ;电气线路的对地绝缘电阻应≥1MΩ36接地保护电动机和电气设备金属外壳均应接地,接地电阻应≤4Ω37失压、零位...

1、当您付费下载文档后,您只拥有了使用权限,并不意味着购买了版权,文档只能用于自身使用,不得用于其他商业用途(如 [转卖]进行直接盈利或[编辑后售卖]进行间接盈利)。
2、本站所有内容均由合作方或网友上传,本站不对文档的完整性、权威性及其观点立场正确性做任何保证或承诺!文档内容仅供研究参考,付费前请自行鉴别。
3、如文档内容存在违规,或者侵犯商业秘密、侵犯著作权等,请点击“违规举报”。

碎片内容

升降机联合验收表

确认删除?
VIP
微信客服
  • 扫码咨询
会员Q群
  • 会员专属群点击这里加入QQ群
客服邮箱
回到顶部