电脑桌面
添加小米粒文库到电脑桌面
安装后可以在桌面快捷访问

危险化学品生产企业安全管理标准化考核细则VIP免费

危险化学品生产企业安全管理标准化考核细则_第1页
1/15
危险化学品生产企业安全管理标准化考核细则_第2页
2/15
危险化学品生产企业安全管理标准化考核细则_第3页
3/15
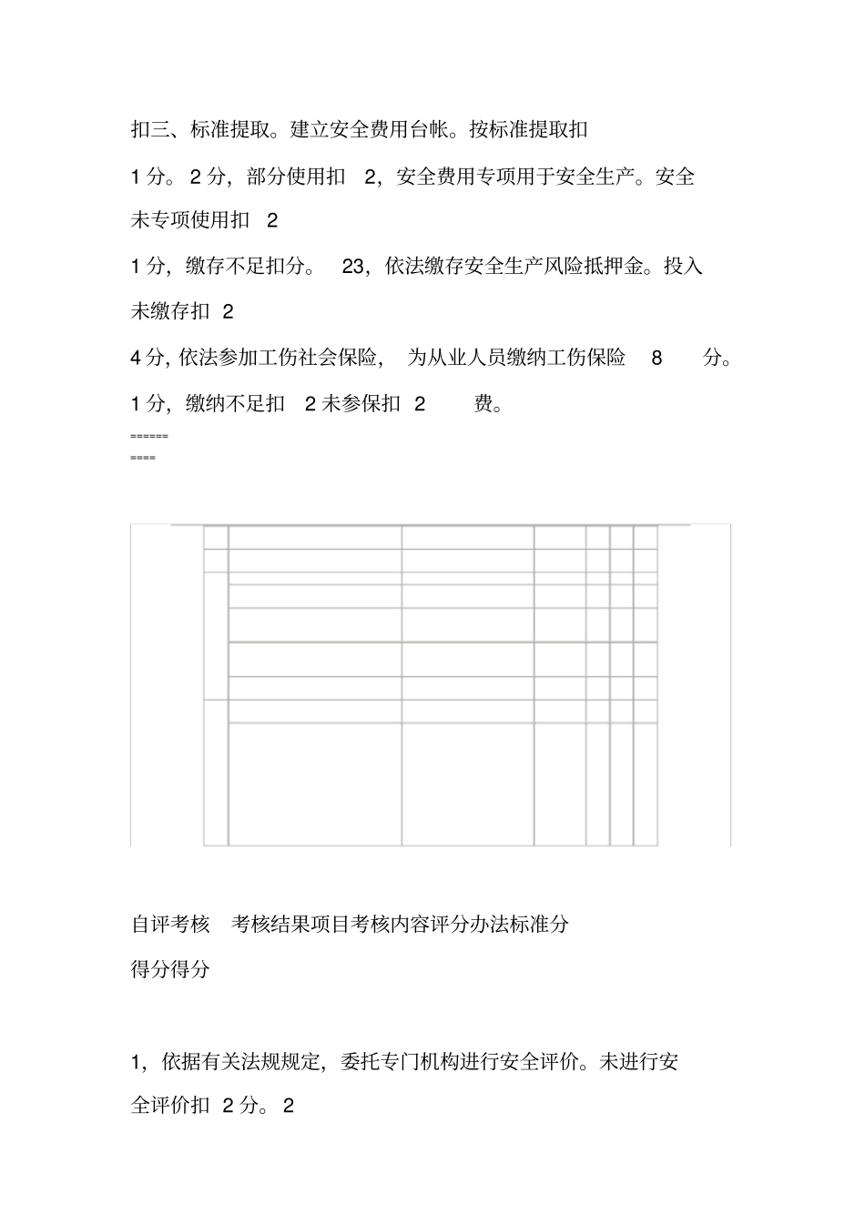
==== 危险化学品生产企业安全管理标准化考核细则单位名称:自评考核考核结果考核内容项目评分办法标准分得分得分1、企业主要负责人是本单位安全生产第一责任人,依主要负责人职责不清楚或未履行职责扣1分。1 分,不全面扣 0.5法履行安全生产工作职责。、明确安全生产管理机构、各职能部门、2 各生产基层分。 0.51 分,缺一项扣未明确扣1一、单位安全职责。3、明确各级管理人员及从业人员的安全职责。1 分,缺一项扣0.1 分。未明确扣落实责14、制定本单位安全方针和目标。各级组织制定安全工1 分,各级未制未制定安全方针和目标扣任制1分 8 分。作规划或计划,以保证安全方针和目标的有效完成。定工作规划或计划,缺一项扣 0.22 分,不完全扣0.5-1 分。 5、签订各级组织的安全目标责任书。未签订扣 26、对目标的完成情况和责任制落实情况定期进行考对目标完成和责任制落实未考核奖惩各2分。扣 1 核,并予以奖惩。1,建立安全生产委员会或领导小组,并及时调整。1 分,未及时调整扣分。未建立扣0.51二、未按规定设置机构或配备专职人员扣2,按法规规定设置安全生产管理机构或配备专职安全 2 建立机 31 分。生产管理人员,健全安全管理网络。分,安全管理网络不健全扣构,配分,2 主要负责人未取得安全资格证书扣,企业的主要负责人和安全生产管理人员经培训考核3 备人员安全管理人员未取得安全资格证书各扣4分 8 合格,取得安全资格证书,并在有效期内。分。超期无效。 11,建立企业提取安全费用制度,确定提取标准,并按1 分,未未建立制度、确定提取标准各扣2分。 11 分,未建立台帐扣三、标准提取。建立安全费用台帐。按标准提取扣1 分。 2 分,部分使用扣2,安全费用专项用于安全生产。安全未专项使用扣21 分,缴存不足扣分。23,依法缴存安全生产风险抵押金。投入未缴存扣 24 分,依法参加工伤社会保险, 为从业人员缴纳工伤保险8分。1 分,缴纳不足扣2 未参保扣 2费。====== ==== 自评考核考核结果项目考核内容评分办法标准分得分得分1,依据有关法规规定,委托专门机构进行安全评价。未进行安全评价扣 2 分。 2分,未定期进分,未建档扣12,确定企业的重大危险源,并登记建档,进行定期检未确定扣23分。 1 行检测、评估、监控扣测、评估、监控。3,制定重大危险源应急预案,告知从业人员和相关人未制定扣 2 分,未告知扣1 分,未备案扣四、员在紧急情况下应采取的应急措施。应急预案报当...

1、当您付费下载文档后,您只拥有了使用权限,并不意味着购买了版权,文档只能用于自身使用,不得用于其他商业用途(如 [转卖]进行直接盈利或[编辑后售卖]进行间接盈利)。
2、本站所有内容均由合作方或网友上传,本站不对文档的完整性、权威性及其观点立场正确性做任何保证或承诺!文档内容仅供研究参考,付费前请自行鉴别。
3、如文档内容存在违规,或者侵犯商业秘密、侵犯著作权等,请点击“违规举报”。

碎片内容

危险化学品生产企业安全管理标准化考核细则

文库响当当+ 关注
实名认证
内容提供者

该用户很懒,什么也没介绍

确认删除?
VIP
微信客服
  • 扫码咨询
会员Q群
  • 会员专属群点击这里加入QQ群
客服邮箱
回到顶部