电脑桌面
添加小米粒文库到电脑桌面
安装后可以在桌面快捷访问

危险源辨识与风险评价程序VIP免费

危险源辨识与风险评价程序_第1页
1/4
危险源辨识与风险评价程序_第2页
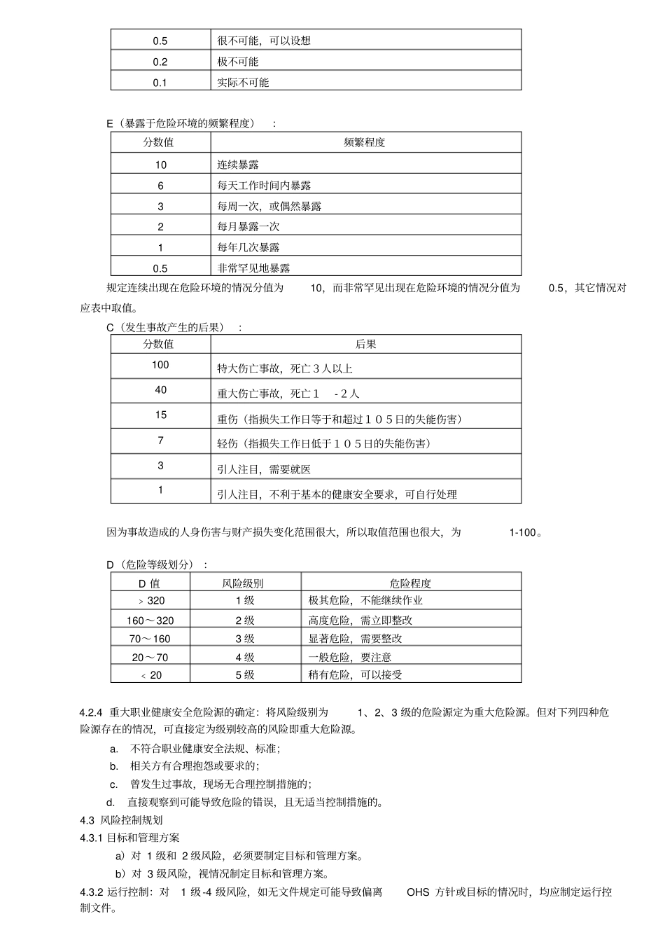
2/4
危险源辨识与风险评价程序_第3页
3/4
OHSAS SYSTEM PROCEDURE 职业健康与安全体系程序文件名称:危险源辨识和风险评价程序文件编号:版 本 号:00 审批签名姓名职别发布日期 : 制定:页数: 第 1/5 页审核:批准:( 受控章 ) 分发部门及分发编号:■ 总经办01 ISO 办02 ■ 工程部03 ■ 市场部04 品质部05 ■ 物料部06 ■ 制造部07 ■ 人事部08 ■ 会计部09 ■ SEBM10 修订记录页号1.2.3.4.修订状态0 0 0 0 最新修订摘要:无1. 目的 : 辨识及评价公司OHSAS18001 认证范围内的职业健康安全危险源,评价其风险程度,判定出重大危险源,从而进行有效控制。2. 范围 : 本程序适用于公司OHSAS18001 认证范围内危险源辨识和风险评价。3 . 名词定义 : 危险源 (hazard) :可能导致伤害、疾病、财产损失、作业环境破坏或这些情况组合的根源或状态。危险源辨识 (hazard identification):识别危险源的存在并确定其特性的过程。风险 (risk):某一特定危险情况发生的可能性和后果的结合。风险评价 (risk assessment):评价风险大小并确定风险是否可容许的全过程。4. 权责 : 4.1 人事部负责组织危险源的识别、登记、汇总,并主持风险评价活动。4.2 各部门配合,参与危险源的识别、评价活动。4.3 管理者代表负责审核一般危险源清单、重大危险源清单。4.4 总经理负责批准一般危险源清单、重大危险源清单。5.作业内容4.1 危险源辨识4.1.1 辨识职业健康安全危险源应以公司所有的活动、产品或服务产生影响的职业健康安全危险为依据。4.1.2 危险源的考虑应包括三种状态、三种时态和六种类型:三种状态:正常、异常和紧急状态;三种时态:过去、现在、将来六种类型:(1)物理性危险、危害因素(2)化学性危险、危害因素(3)生物性危险、危害因素(4)心理、生理性危害因素(5)行为性危害因素(6)其它4.1.3 危险源的识别以询问交谈、现场观察、查看相关记录的方法进行,各部门负责本部门危险源的识别并填写《危险源调查表》 。4.1.4 人事部对识别出的危险源进行整理、分析,列出《危险源汇总表》。4.2 危险源的风险评价4.2.1 人事部组织各有关部门对危险源、风险进行评价。4.2.2 在风险评价工作中,要确定出组织的风险级别,必须定量计算每一种危险源所带来的风险。4.2.3 定量计算每一种危险源所带来的风险,可采用如下方法:D=L ×E×C D 表示风险值L 表示发生事故的可能性大小E 表示暴露于危险环境的频繁程度C 表示事故...

1、当您付费下载文档后,您只拥有了使用权限,并不意味着购买了版权,文档只能用于自身使用,不得用于其他商业用途(如 [转卖]进行直接盈利或[编辑后售卖]进行间接盈利)。
2、本站所有内容均由合作方或网友上传,本站不对文档的完整性、权威性及其观点立场正确性做任何保证或承诺!文档内容仅供研究参考,付费前请自行鉴别。
3、如文档内容存在违规,或者侵犯商业秘密、侵犯著作权等,请点击“违规举报”。

碎片内容

危险源辨识与风险评价程序

爱的疯狂+ 关注
实名认证
内容提供者

该用户很懒,什么也没介绍

确认删除?
VIP
微信客服
  • 扫码咨询
会员Q群
  • 会员专属群点击这里加入QQ群
客服邮箱
回到顶部