电脑桌面
添加小米粒文库到电脑桌面
安装后可以在桌面快捷访问

危险源辨识及风险评价一览表VIP免费

危险源辨识及风险评价一览表_第1页
1/6
危险源辨识及风险评价一览表_第2页
2/6
危险源辨识及风险评价一览表_第3页
3/6
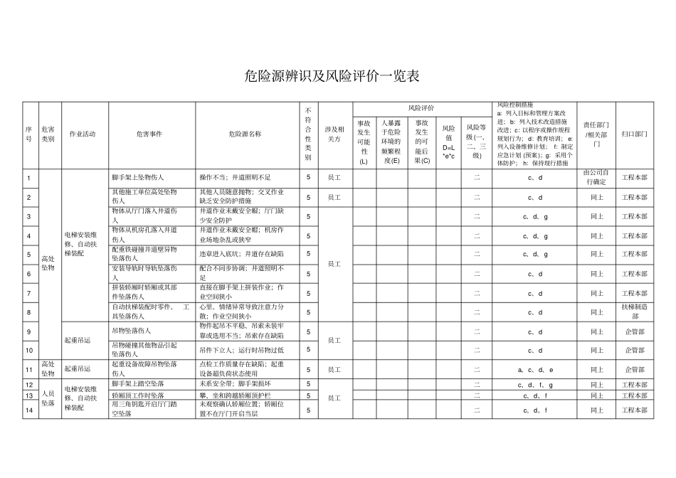
危险源辨识及风险评价一览表序号危害类别作业活动危害事件危险源名称不符合性类别涉及相关方风险评价风险控制措施a:列入目标和管理方案改进; b:列入技术改造措施改进;c:以程序或操作规程规划行为; d:教育培训; e:列入设备维修计划; f:制定应急计划 (预案 );g:采用个体防护; h:保持现行措施责任部门/相关部门归口部门事故发生可能性(L) 人暴露于危险环境的频繁程度(E) 事故发生的可能后果(C) 风险值D=L*e*c 风险等级 (一、二、三级) 1 高处坠物电梯安装维修、自动扶梯装配脚手架上坠物伤人操作不当;井道照明不足5 员工二c、d 由公司自行确定工程本部2 其他施工单位高处坠物伤人其他人员随意抛物;交叉作业缺乏安全防护措施5 员工二c、d 同上工程本部3 物体从厅门落入井道伤人井道作业未戴安全帽;厅门缺少安全防护5 员工二c、d、 g 同上工程本部4 物体从机房孔落入井道伤人井道作业未戴安全帽;机房作业场地杂乱或狭窄5 二c、d、 g 同上工程本部5 配重铁碰撞井道壁异物坠落伤人违章进入底坑;井道存在缺陷5 二c、d、 g 同上工程本部6 安装导轨时导轨坠落伤人配合不同步协调;井道照明不足5 二c、d 同上工程本部7 拼装轿厢时轿厢或其部件坠落伤人直接在脚手架上拼装作业;作业空间狭小5 二c、d 同上工程本部8 自动扶梯装配时零件、工具坠落伤人心里、情绪异常导致注意力分散;作业空间狭小5 二c、d 同上扶梯制造部9 起重吊运吊物坠落伤人物件起吊不平稳、吊索未装牢靠或选用不当;吊索存在缺陷5 员工二c、d 同上企管部10 吊物碰撞其他物品引起坠落伤人吊件下立人;运行时吊物过低5 二c、d 同上企管部11 高处坠物起重吊运起重设备故障吊物坠落伤人点检工作质量存在缺陷;起重设备超负荷状态使用5 员工二a、c、d、 e 同上企管部12 人员坠落电梯安装维修、自动扶梯装配脚手架上踏空坠落未系安全带;脚手架损坏5 员工二c、d、 f、 g 同上工程本部13 轿厢顶工作时坠落攀、坐和跨越轿厢顶护栏5 二c、d、 f 同上工程本部14 用三角钥匙开启厅门踏空坠落未观察确认轿厢位置;轿厢位置不在厅门开启当层5 二c、d、 f 同上工程本部15 自动扶梯安装维修安装维修自动扶梯时坠落未使用防护栏;作业场地有油污5 员工二c、d、 f、 g 同上工程本部16 电梯安装维修施工升降机坠落升降机因故障失灵6 员工0.5 6 15 45 三c、 d、e、 f 同上工程本部17 电梯安装维修及培训调...

1、当您付费下载文档后,您只拥有了使用权限,并不意味着购买了版权,文档只能用于自身使用,不得用于其他商业用途(如 [转卖]进行直接盈利或[编辑后售卖]进行间接盈利)。
2、本站所有内容均由合作方或网友上传,本站不对文档的完整性、权威性及其观点立场正确性做任何保证或承诺!文档内容仅供研究参考,付费前请自行鉴别。
3、如文档内容存在违规,或者侵犯商业秘密、侵犯著作权等,请点击“违规举报”。

碎片内容

危险源辨识及风险评价一览表

您可能关注的文档

确认删除?
VIP
微信客服
  • 扫码咨询
会员Q群
  • 会员专属群点击这里加入QQ群
客服邮箱
回到顶部