电脑桌面
添加小米粒文库到电脑桌面
安装后可以在桌面快捷访问

危险源辨识风险评价方法:MES法汇总VIP免费

危险源辨识风险评价方法:MES法汇总_第1页
1/18
危险源辨识风险评价方法:MES法汇总_第2页
2/18
危险源辨识风险评价方法:MES法汇总_第3页
3/18
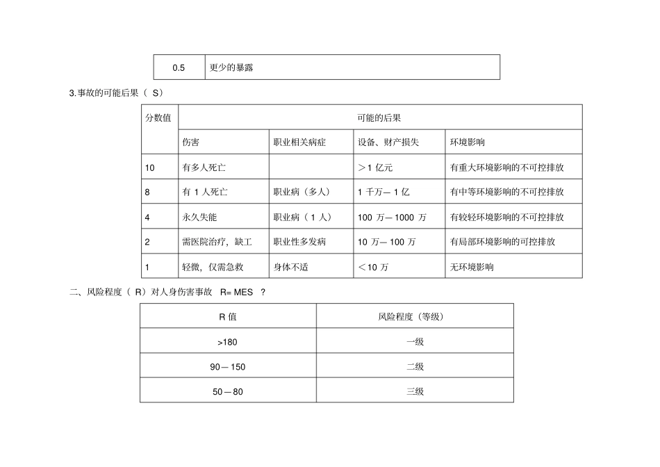
危险源辨识风险评价方法:MES 法一、 MES 法的分级数值1.控制措施的状态( M)分数值控制措施 (包括体系文件、防护措施、警示装置等) 5 无控制措施3 有减轻后果的应急措施,包括警报系统、个体防护用品等1 有预防措施、控制文件,如机电防护装置,但须保证有效2.人员暴露时间:(E)分数值人员暴露于危险环境的频繁程度(时间)10 连续暴露(如 8 小时不离岗)6 每天工作时间内暴露(如每日到某岗位几次)3 每周一次,或偶然暴露2 每月一次暴露1 每年几次暴露0.5 更少的暴露3.事故的可能后果( S)分数值可能的后果伤害职业相关病症设备、财产损失环境影响10 有多人死亡>1 亿元有重大环境影响的不可控排放8 有 1 人死亡职业病(多人)1 千万— 1 亿有中等环境影响的不可控排放4 永久失能职业病( 1 人)100 万— 1000 万有较轻环境影响的不可控排放2 需医院治疗,缺工职业性多发病10 万— 100 万有局部环境影响的可控排放1 轻微,仅需急救身体不适<10 万无环境影响二、风险程度( R)对人身伤害事故R= MES ?R 值风险程度(等级)>180 一级90— 150 二级50 — 80 三级20 — 48 四级<18 五级连铸区域风险评价说明(MES 法)年月序号作业活动控制措施的状态M 值人员暴露时间E 值事故的可能后果S 值对人身伤害事故R= MES 风 险 程 度(等级)5 3 1 10 6 3 2 1 0.5 10 8 4 2 1 >180 90— 150 50 — 80 20— 48 <18 1 大包操作1 6 2 12 五2 大包操作3 10 4 120 二3 大包操作1 6 2 12 五4 切割区域1 6 2 12 五5 天车运行1 6 2 12 五6 大包操作1 6 2 12 五7 主控1 6 2 12 五8 中包浇注1 6 2 12 五9 切割铸坯、废钢1 6 2 12 五10 铸机切割1 6 2 12 五11 铸机切割6 2 12 五12 快换水口1 6 2 12 五13 大包操作1 6 2 12 五14 切割1 2 6 五15 中包浇注1 10 五16 中包浇注1 6 2 12 五17 中包浇注1 6 2 12 五18 大、中包浇注1 6 2 12 五19 铸机切割1 6 2 12 五20 精整天车运行1 6 2 12 五21 中包操作1 6 2 12 五22 中包浇注1 10 4 40 四23 精整烧割1 6 2 12 五24 中包浇注1 10 1 10 五25 中包浇注1 6 1 6 五26 精整吊运1 6 2 12 五27 精整烧割1 6 1 6 五28 液压站1 6 2 12 五29 大包操作1 6 2 12 五30 大包操作1 6 2...

1、当您付费下载文档后,您只拥有了使用权限,并不意味着购买了版权,文档只能用于自身使用,不得用于其他商业用途(如 [转卖]进行直接盈利或[编辑后售卖]进行间接盈利)。
2、本站所有内容均由合作方或网友上传,本站不对文档的完整性、权威性及其观点立场正确性做任何保证或承诺!文档内容仅供研究参考,付费前请自行鉴别。
3、如文档内容存在违规,或者侵犯商业秘密、侵犯著作权等,请点击“违规举报”。

碎片内容

危险源辨识风险评价方法:MES法汇总

您可能关注的文档

文库当当响+ 关注
实名认证
内容提供者

该用户很懒,什么也没介绍

确认删除?
VIP
微信客服
  • 扫码咨询
会员Q群
  • 会员专属群点击这里加入QQ群
客服邮箱
回到顶部