电脑桌面
添加小米粒文库到电脑桌面
安装后可以在桌面快捷访问

卷材防水层工程检验批质量验收记录表VIP免费

卷材防水层工程检验批质量验收记录表_第1页
1/2
卷材防水层工程检验批质量验收记录表_第2页
2/2
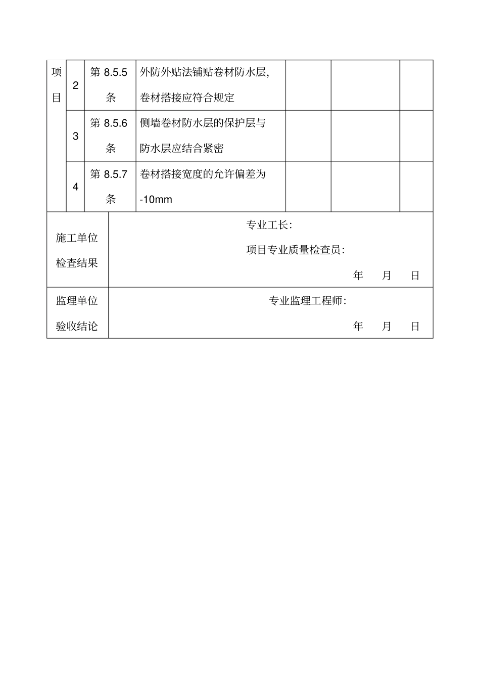
卷材防水层工程检验批质量验收记录表编号:单位工程名称分项工程名称卷材防水层工程分部工程名称防水工程施工单位项目负责人检验批容量分包单位分包单位项目负责人检验批部位验收依据人防验评标准主控项目验收项目设计要求及规范规定最小/ 实际抽样数量检查记录检查结果1 第 8.5.2条卷材防水层所用卷材及其配套材料应符合设计要求和规定2 第 8.5.3条卷材防水层在转角处等部位做法应符合设计要求和规定一般1 第 8.5.4条卷材防水层的搭接缝粘贴或焊接牢固,密封严密项目2 第 8.5.5条外防外贴法铺贴卷材防水层,卷材搭接应符合规定3 第 8.5.6条侧墙卷材防水层的保护层与防水层应结合紧密4 第 8.5.7条卷材搭接宽度的允许偏差为-10mm 施工单位检査结果专业工长:项目专业质量检查员:年月日监理单位验收结论专业监理工程师:年月日

1、当您付费下载文档后,您只拥有了使用权限,并不意味着购买了版权,文档只能用于自身使用,不得用于其他商业用途(如 [转卖]进行直接盈利或[编辑后售卖]进行间接盈利)。
2、本站所有内容均由合作方或网友上传,本站不对文档的完整性、权威性及其观点立场正确性做任何保证或承诺!文档内容仅供研究参考,付费前请自行鉴别。
3、如文档内容存在违规,或者侵犯商业秘密、侵犯著作权等,请点击“违规举报”。

碎片内容

卷材防水层工程检验批质量验收记录表

确认删除?
VIP
微信客服
  • 扫码咨询
会员Q群
  • 会员专属群点击这里加入QQ群
客服邮箱
回到顶部