电脑桌面
添加小米粒文库到电脑桌面
安装后可以在桌面快捷访问

压缩空气管道施工方案VIP免费

压缩空气管道施工方案_第1页
1/8
压缩空气管道施工方案_第2页
2/8
压缩空气管道施工方案_第3页
3/8
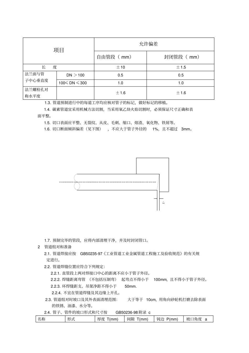
一、工程概况及有关参数(一)工程概况本工程为 ************公司, ********************项目,压缩空气管道安装工程。工程地点: ************************ 设计单位: ************************* 施工单位: ************************* 工程开、竣工日期:计划开工日期为**** 年月日,竣工日期为 **** 年月日总工期为天。(二)管道技术参数1. 压缩空气管道1.1. 管道规格:φ 159×4.5 1.2. 管道编号: A0601—φ159×4.5— 1.0A1 1.3. 工作压力: 0.7Mpa 1.4. 工作温度:常温1.5. 设计压力: 0.8Mpa 1.6. 设计温度:常温1.7. 强度试验压力:1.2Mpa 1.8. 试验介质:水1.9. 管道材质: 20#钢1.10. 压力管道类别:GC2— 4 二、编制依据(一)GB50235-97《工业金属管道工程施工及验收规范》(二)GB50236-98《现场设备、工业管道焊接工程施工及验收规范》(三)GB50316-2000《工业金属管道设计规范》(四)GB50231 《机械设备安装工程施工及验收规范》(五)GB50275 《压缩机、风机、泵安装工程施工及验收规范》(六)GB50093 《工业自动化仪表工程施工及验收规范》(七)GB7231-2003 《工业管路的基本识别色、识别符号和安全标志》(八)劳部发( 1996)140 号《压力管道安全管理及监察规定》及解析(九)中华人民共和国国务院令第393 号《建设工程安全生产管理条例》(十)业主提供的施工图纸、相关要求及施工现场条件三、管道安装施工及检验(一)施工准备工作1. 技术准备1.1. 开工前须办理好开工告知,经有关部门审批通过后方可施工。1.2. 了解熟悉图纸、技术资料及有关标准、规范。1.3. 认真察悉现场编制施工方案,做好深化设计,并做好与设计单位、建设单位的技术交底工作。1.4. 准备好必要的焊接工艺卡和焊接工艺评定。2 施工准备2.1. 查看现场,依据施工图,检查支架安装部位是否与其它管道交叉“打架”情况,检查土建基础设施,与施工图的坐标、标高是否一致。2.2. 准备好安放设备、材料及工具的库房,划出明火作业区。2.3. 检查准备必备的施工设备,并到现场校通接通电源。3 管道组成件及支承件的检验3.1. 管道的组成件和支吊架材料必须有制造厂家的质量证明书,其质量不得低于国家现行标准的规定。3.2. 管道的组成件及管道支承件的材质、规格、型号、质量应符合设计文件的规定,并进行外观检查。3.3. 外观检查表面质量应无裂纹、缩孔、夹渣、重皮、砂眼、针孔等缺陷,凹陷及其...

1、当您付费下载文档后,您只拥有了使用权限,并不意味着购买了版权,文档只能用于自身使用,不得用于其他商业用途(如 [转卖]进行直接盈利或[编辑后售卖]进行间接盈利)。
2、本站所有内容均由合作方或网友上传,本站不对文档的完整性、权威性及其观点立场正确性做任何保证或承诺!文档内容仅供研究参考,付费前请自行鉴别。
3、如文档内容存在违规,或者侵犯商业秘密、侵犯著作权等,请点击“违规举报”。

碎片内容

压缩空气管道施工方案

确认删除?
VIP
微信客服
  • 扫码咨询
会员Q群
  • 会员专属群点击这里加入QQ群
客服邮箱
回到顶部