电脑桌面
添加小米粒文库到电脑桌面
安装后可以在桌面快捷访问

压路机分类选择使用VIP免费

压路机分类选择使用_第1页
1/11
压路机分类选择使用_第2页
2/11
压路机分类选择使用_第3页
3/11
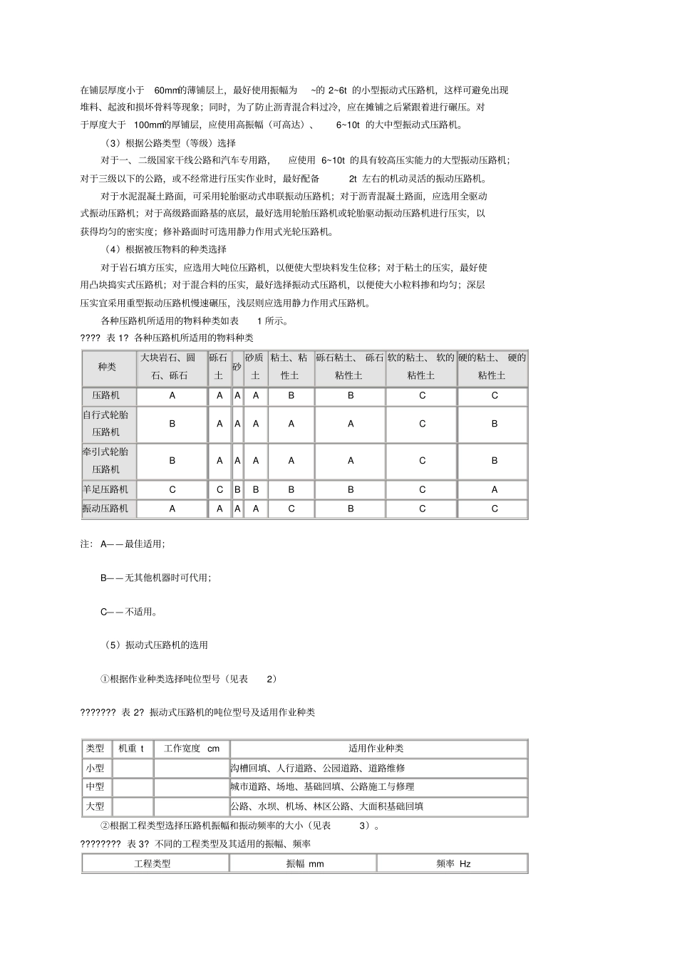
压实机械产品类组划分表类组产品名称5. 压实机械(1)静碾压路机1)两光轮静碾压路机2)三光轮静碾压路机3)拖式光轮压路机4)拖式凸块压路机5)拖式羊角压路机6)拖式格栅压路机(2)振动压路机7)两轮串联振动压路机8)两轮并联振动压路机9)两轮铰接振动压路机10)四轮振动压路机11)轮胎驱动光轮振动压路机12)轮胎驱动凸块振动压路机13)钢轮轮胎组合振动压路机14)手扶式振动压路机15)拖式振动压路机(3)轮胎压路机16)自行式轮胎压路机17)拖式轮胎压路机(4)夯实机18)电动平板振动夯实机19)内燃平板振动夯实机20)电动振动冲击夯21)内燃振动冲击夯22)爆炸式夯实机23)蛙式夯实机(5)冲击式压路机24)冲击式压路机压路机的选用1.选用(1)根据工程质量要求选择若想获得均匀的压实密度,可选用轮胎式压路机。 轮胎式压路机在碾压时不破坏土壤原有的粘度,各层土壤之间有良好的结合性能,加之前轮可摆动,故压实较为均匀,不会有虚假压实情况。若想使路面压实平整,可选用全驱动式压路机。对压路机压实能力要求不高的地区,可使用线压力较低而机动灵活的压路机。若要尽快达到压实效果,可选用大吨位的压路机,以缩短工期。(2)根据铺层厚度选择在碾压沥青混凝土路面时,应根据混合料的摊铺厚度选择压路机的重量、振幅及振动频率。 通常,在铺层厚度小于60mm的薄铺层上,最好使用振幅为~的 2~6t 的小型振动式压路机,这样可避免出现堆料、起波和损坏骨料等现象;同时,为了防止沥青混合料过冷,应在摊铺之后紧跟着进行碾压。对于厚度大于100mm的厚铺层,应使用高振幅(可高达)、6~10t 的大中型振动式压路机。(3)根据公路类型(等级)选择对于一、二级国家干线公路和汽车专用路,应使用 6~10t 的具有较高压实能力的大型振动压路机;对于三级以下的公路,或不经常进行压实作业时,最好配备2t 左右的机动灵活的振动压路机。对于水泥混凝土路面,可采用轮胎驱动式串联振动压路机;对于沥青混凝土路面,应选用全驱动式振动压路机;对于高级路面路基的底层,最好选用轮胎压路机或轮胎驱动振动压路机进行压实,以获得均匀的密实度;修补路面时可选用静力作用式光轮压路机。(4)根据被压物料的种类选择对于岩石填方压实,应选用大吨位压路机,以便使大型块料发生位移;对于粘土的压实,最好使用凸块捣实式压路机;对于混合料的压实,最好选择振动式压路机,以便使大小粒料掺和均匀;深层压实宜采用重型振动压路机慢速碾压,浅层...

1、当您付费下载文档后,您只拥有了使用权限,并不意味着购买了版权,文档只能用于自身使用,不得用于其他商业用途(如 [转卖]进行直接盈利或[编辑后售卖]进行间接盈利)。
2、本站所有内容均由合作方或网友上传,本站不对文档的完整性、权威性及其观点立场正确性做任何保证或承诺!文档内容仅供研究参考,付费前请自行鉴别。
3、如文档内容存在违规,或者侵犯商业秘密、侵犯著作权等,请点击“违规举报”。

碎片内容

压路机分类选择使用

您可能关注的文档

确认删除?
VIP
微信客服
  • 扫码咨询
会员Q群
  • 会员专属群点击这里加入QQ群
客服邮箱
回到顶部