电脑桌面
添加小米粒文库到电脑桌面
安装后可以在桌面快捷访问

双壁波纹管施工方案VIP免费

双壁波纹管施工方案_第1页
1/14
双壁波纹管施工方案_第2页
2/14
双壁波纹管施工方案_第3页
3/14
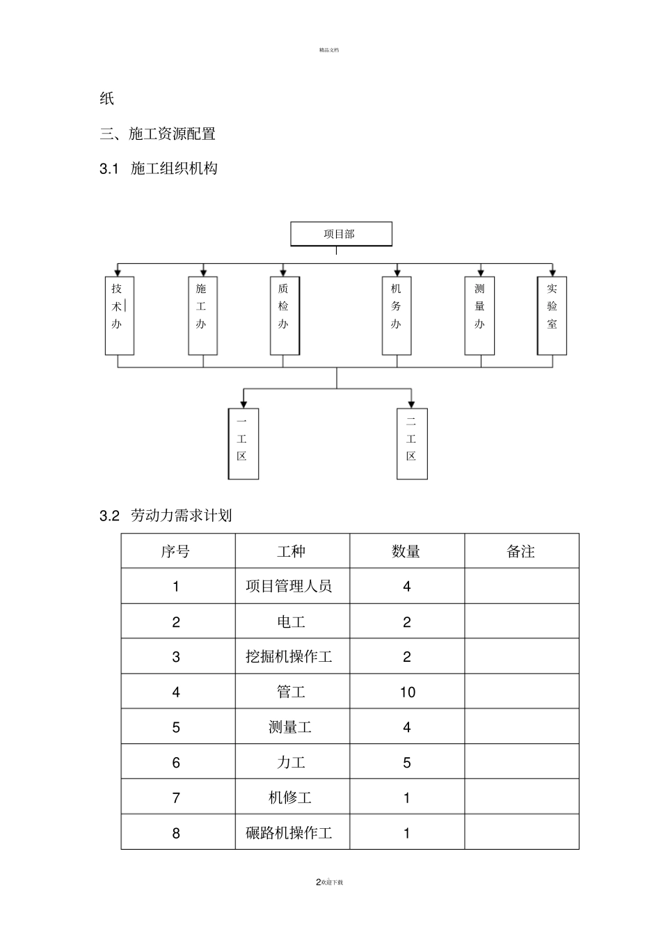
精品文档。1欢迎下载双壁波纹管施工方案一、工程概况本工程管道安装 HDPE 双壁波纹管污水管网 2400米(其中 DN400 规格的 2400 米、DN300 规格的 327.6 米);检查井 96 座,跌水井 3座;拆除混凝土路面 897.56 ㎡,恢复混凝土路面897.56 ㎡;人行道铺装 14440 平方米;开挖沟槽土方 9766.58 ㎡、沟 槽石方 3191.65 立方米。二、编制依据1. 《建筑给排水设计规范》 GB50015-2003 2. 《室外排水设计规范》 GB 50014-2006 3. 《给水排水工程管道结构设计规范》 GB50332-2002 4. 《给水排水管道工程施工及验收规范》 GB50268-2008 5. 《城市工程管线综合规范规划规范》 GB50289 6. 《CJJ3-90 市政排水管渠工程质量检验评定标准》7. 《CJJ143-2010 埋地塑料排水管道工程技术规程》8. 《CECS143-2002给水排水工程埋地预制混凝土圆形管管道结构设计规程》9. 《06MS201 市政排水管道工程及附属设施》10. 《07MS101 市政给水管道工程及附属设施》11. 《建筑地基基础工程施工质量验收规范》GB 50202 12. 本项目设计院提供的《市政工程施工图设计给排水工程》图精品文档。2欢迎下载纸三、施工资源配置3.1 施工组织机构3.2 劳动力需求计划序号工种数量备注1 项目管理人员4 2 电工2 3 挖掘机操作工2 4 管工10 5 测量工4 6 力工5 7 机修工1 8 碾路机操作工1 项目部技术办施工办质检办机务办测量办实验室一工区二工区精品文档。3欢迎下载9 随车吊操作工1 四、施工措施4.1 施工原则1)管道施工:先主干,后分支,先深后浅,分支管线施工应该在构造物施工之后进行。2)管沟采用机械开挖(人工配合,基地留200mm厚人工清槽),管沟边坡坡度为 1:1 ,沟深超过 4m时预留宽度为 1.2m 的马道,分层开挖。小管沟采用人工开挖。当机械无法开挖的部位采用人工开挖。3)阀门、检查井安装前要先进行检查及试验。4)双壁波纹管采用承插式接口,当不能采用单承口连接时,可采用双承口连接,套管采用PE、玻璃钢或者不锈钢材料,双向承插弹性密封圈连接。5)双壁波纹管施工前,管沟需要铺一层200mm厚的砂垫层,压实度需达到85%~90%。双壁波纹管回填施工时,必须采用中粗砂回填密实。回填范围不得小于设计支撑角2α +30° ( 180 ° ),回填密实度应达到 95%以上。6)双壁波纹管与检查井的连接可以采用刚性连接或者柔性连接。刚性连接:检查井砌筑时,井壁内预埋管件或者短管, 承口向外...

1、当您付费下载文档后,您只拥有了使用权限,并不意味着购买了版权,文档只能用于自身使用,不得用于其他商业用途(如 [转卖]进行直接盈利或[编辑后售卖]进行间接盈利)。
2、本站所有内容均由合作方或网友上传,本站不对文档的完整性、权威性及其观点立场正确性做任何保证或承诺!文档内容仅供研究参考,付费前请自行鉴别。
3、如文档内容存在违规,或者侵犯商业秘密、侵犯著作权等,请点击“违规举报”。

碎片内容

双壁波纹管施工方案

确认删除?
VIP
微信客服
  • 扫码咨询
会员Q群
  • 会员专属群点击这里加入QQ群
客服邮箱
回到顶部