电脑桌面
添加小米粒文库到电脑桌面
安装后可以在桌面快捷访问

双螺杆改性造粒三层片材共挤出试验设备技术要求说明VIP免费

双螺杆改性造粒三层片材共挤出试验设备技术要求说明_第1页
1/5
双螺杆改性造粒三层片材共挤出试验设备技术要求说明_第2页
2/5
双螺杆改性造粒三层片材共挤出试验设备技术要求说明_第3页
3/5
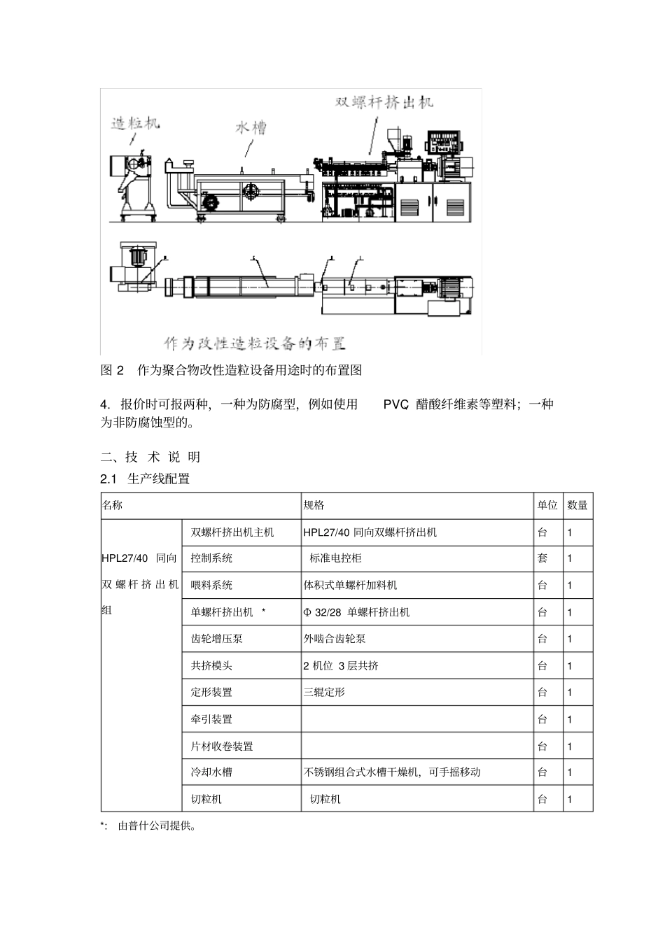
双螺杆改性造粒 / 三层片材共挤出试验设备技术要求说明一、基本要求1. 配置 ?27mm同向双螺杆挤出机1 台,适用于 APET等物料改性, 并且要求 PET料无须烘烤即可直接挤出而不降解。双螺杆主机:螺杆L/D 40,高转速高扭矩;带真空排气、玻纤加入口、液料加入口,带挤出造粒口模、挤出片材口模。带可移动不锈钢制水槽和切粒机各一个 (台)。螺杆转速:700-1000rpm。产能(ABS):65 kg/h2. 同时用普什公司自有的单螺杆挤出机(Ф 32,L/D 28:1,max120rpm, screw torque 50 kg.N, 电机功率 5.5 kW,生产厂家 Hwa Shin Tech Co. Ltd, Korea)配熔体泵和其它辅助设备,与1 中的双螺杆挤出机连接,用于三层共挤,挤出的片材为厚度均匀的透明光面片材(有效宽度在120-200mm,厚度 0.4-0.7mm)。片材挤出物料为PET、PC等。3. 当没有片材挤出试验任务时,要能很方便地转换为物料改性挤出造粒设备;没有物料改性造粒任务时能方便地改为三层共挤出设备。设备布置参见图1、图2。图 1 作为三层共挤出用途时设备的布置图图 2 作为聚合物改性造粒设备用途时的布置图4. 报价时可报两种,一种为防腐型,例如使用PVC、醋酸纤维素等塑料;一种为非防腐蚀型的。二、技 术 说 明2.1 生产线配置名称规格单位数量HPL27/40 同向双 螺 杆 挤 出 机组双螺杆挤出机主机HPL27/40 同向双螺杆挤出机台1控制系统标准电控柜套1喂料系统体积式单螺杆加料机台1单螺杆挤出机 *Ф 32/28 单螺杆挤出机台1齿轮增压泵外啮合齿轮泵台1共挤模头2 机位 3 层共挤台1定形装置三辊定形台1牵引装置台1片材收卷装置台1冷却水槽不锈钢组合式水槽干燥机,可手摇移动台1切粒机切粒机台1*: 由普什公司提供。2.2. 具体说明2.2.1 双螺杆挤出机主要技术参数:要求使用PET 料时,物料开包后直接使用而无须烘烤,即可直接挤出而不降解。螺杆直径: 27 mm 长径比( L/D):40:1螺杆转速: 960 rpm主电机功率: 18.5 kW A.C. (变频电机)主机调速方式:交流变频调速传动系统:高转速高扭矩齿轮箱,双向对称驱动形式,提供螺杆实际最高转速 960rpm 变速比: 1 :1齿轮箱润滑系统:配有强制润滑和外置式过滤装置,1.1kW油泵;润滑油冷却方式:水冷却联轴器:英国钢球式安全离合器+扭力限制器机筒: 10 节机筒,筒体全部内衬整体合金衬套,外带不锈钢隔热保温罩;带真空排气、玻纤加入口、液料加入口筒体,积木式组合螺杆:用户提供...

1、当您付费下载文档后,您只拥有了使用权限,并不意味着购买了版权,文档只能用于自身使用,不得用于其他商业用途(如 [转卖]进行直接盈利或[编辑后售卖]进行间接盈利)。
2、本站所有内容均由合作方或网友上传,本站不对文档的完整性、权威性及其观点立场正确性做任何保证或承诺!文档内容仅供研究参考,付费前请自行鉴别。
3、如文档内容存在违规,或者侵犯商业秘密、侵犯著作权等,请点击“违规举报”。

碎片内容

双螺杆改性造粒三层片材共挤出试验设备技术要求说明

确认删除?
VIP
微信客服
  • 扫码咨询
会员Q群
  • 会员专属群点击这里加入QQ群
客服邮箱
回到顶部