电脑桌面
添加小米粒文库到电脑桌面
安装后可以在桌面快捷访问

品质检验作业指导书VIP免费

品质检验作业指导书_第1页
1/5
品质检验作业指导书_第2页
2/5
品质检验作业指导书_第3页
3/5
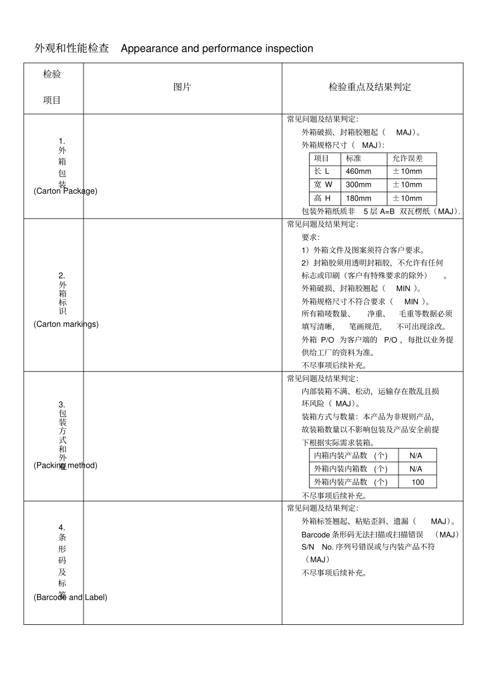
产品质量检验标准Product QA Inspection Criteria 版本( Rev )产品信息Product Information 产品名称 Description 客户 Customer 产品型号 Model 文件编号 Doc No. 备注 Remark 版本历史Revision History 版本历史Revision History Rev 更新原因Description of change 编写员 Author日期 Date 首次发行First release签名 Signature 日期 Date 编制Prepare by 审核Check by 核准Approve by 产品规格Product Specification:产品规格 Product Specification(图纸或规格参数截图)产品图片Product Photo's:产品正面 Front view 产品背面 Rear view 产品侧面 Side view 产品底部 Bottom view 产品顶部 Top view 配件 Accessory view 外观和性能检查Appearance and performance inspection 检验项目图片检验重点及结果判定1.外箱包装(Carton Package) 常见问题及结果判定:外箱破损、封箱胶翘起(MAJ)。外箱规格尺寸(MAJ):项目标准允许误差长 L 460mm ±10mm 宽 W 300mm ±10mm 高 H 180mm ±10mm 包装外箱纸质非5 层 A=B 双瓦楞纸(MAJ). 2.外箱标识(Carton markings) 常见问题及结果判定:要求:1)外箱文件及图案须符合客户要求。2)封箱胶须用透明封箱胶,不允许有任何标志或印刷(客户有特殊要求的除外)。外箱破损、封箱胶翘起(MIN )。外箱规格尺寸不符合要求(MIN )。所有箱唛数量、净重、毛重等数据必须填写清晰,笔画规范,不可出现涂改。外箱 P/O 为客户端的P/O ,每批以业务提供给工厂的资料为准。不尽事项后续补充。3.包装方式和外观(Packing method) 常见问题及结果判定:内部装箱不满、松动,运输存在散乱且损坏风险( MAJ)。装箱方式与数量:本产品为非规则产品,故装箱数量以不影响包装及产品安全前提下根据实际需求装箱。内箱内装产品数(个) N/A 外箱内装内箱数(个) N/A 外箱内装产品数(个) 100 不尽事项后续补充。4.条形码及标签(Barcode and Label) 常见问题及结果判定:外箱标签翘起、粘贴歪斜、遗漏(MAJ)。Barcode 条形码无法扫描或扫描错误(MAJ)S/N No. 序列号错误或与内装产品不符(MAJ)不尽事项后续补充。5-1.产品包装外观(Product Package) 常见问题及结果判定:PE 袋无破裂或密封不良现象(MIN )。不尽事项后续补充。5-2.产品包装图案及标识(Artwork and markings) 常见问题及结果判...

1、当您付费下载文档后,您只拥有了使用权限,并不意味着购买了版权,文档只能用于自身使用,不得用于其他商业用途(如 [转卖]进行直接盈利或[编辑后售卖]进行间接盈利)。
2、本站所有内容均由合作方或网友上传,本站不对文档的完整性、权威性及其观点立场正确性做任何保证或承诺!文档内容仅供研究参考,付费前请自行鉴别。
3、如文档内容存在违规,或者侵犯商业秘密、侵犯著作权等,请点击“违规举报”。

碎片内容

品质检验作业指导书

您可能关注的文档

文库当当响+ 关注
实名认证
内容提供者

该用户很懒,什么也没介绍

确认删除?
VIP
微信客服
  • 扫码咨询
会员Q群
  • 会员专属群点击这里加入QQ群
客服邮箱
回到顶部