电脑桌面
添加小米粒文库到电脑桌面
安装后可以在桌面快捷访问

商业综合楼工程脚手架设计施工方案VIP免费

商业综合楼工程脚手架设计施工方案_第1页
1/41
商业综合楼工程脚手架设计施工方案_第2页
2/41
商业综合楼工程脚手架设计施工方案_第3页
3/41
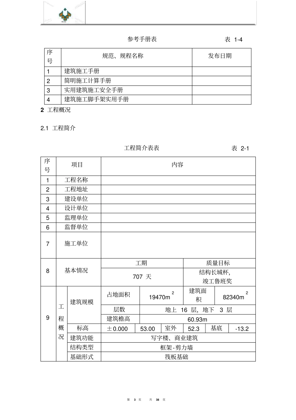
商业综合楼工程脚手架设计施工方案编制单位:编制人:图纸名称图纸内容工程号归档日期设计单位商业综合楼施工图纸建施 7~17,建施33~63 结施 4~12,结施14、17、18、20、23、24、27、28、结施 30~ 36、 38、 40~42、44、45~60 序号规范、规程名称发布日期施行日期规 范规程编号1 建筑施工扣件式钢管脚手架安全技术规范1991.1 2001.6 JGJ 130-2001 2 建筑施工高处作业安全技术规范1992.01 1992.08.01 JGJ 80-91 3 建筑施工安全检查标准1999.03 1999.05.01 JQJ 59-99 施 组 名 称编 制 日 期编 制 人×××综合楼施工组织设计2001.09 BUCG 1 编制依据1.1 施工图纸1.2 主要规范、规程1.3 施工组织设计1.4 参考手册施工图纸主要规范、规程表施工组织设计表表 1-1 表 1-2 表 1-3 第2页共38页序号项目内容1 工程名称2 工程地址3 建设单位4 设计单位5 监理单位6 监督单位7 施工单位8 基本情况工期质量目标707 天结构长城杯,竣工鲁班奖9 工程概况建筑规模占地面积2 19470m 建筑面积2 82340m 层数地上 16 层,地下3 层建筑檐高60.93m 标高±0.000 53.00 室外52.3 基底-13.2 建筑功能写字楼、商业建筑结构类型框架 -剪力墙基础形式筏板基础序号规范、规程名称发布日期1 建筑施工手册2 简明施工计算手册3 实用建筑施工安全手册4 建筑施工脚手架实用手册BUCG 2 工程概况2.1 工程简介参考手册表工程简介表表表 1-4 表 2-1 第3页共38页层 号层 高( m)楼地面标高( m)距地面高度( m)D3 3.95 -12.00 -11.92 D2 3.40 -8.05 -7.97 D1 4.57 -4.65 -4.57 1 5.03 -0.08 0.00 2 4.20 4.95 5.03 3 4.20 9.15 9.23 4 4.20 13.35 13.43 5 3.50 17.55 17.63 6 3.50 21.05 21.13 7 3.50 24.55 24.63 8 3.50 28.05 28.13 9 3.50 31.55 31.63 10 3.50 35.05 35.13 11 3.50 38.55 38.63 12 3.50 42.05 42.13 13 3.80 45.55 45.63 14 3.50 49.35 49.43 15 3.95 52.85 52.93 16(机房)4.05 56.80 56.88 机房顶板60.85 60.93 BUCG 海淀区商业综合楼工程脚手架设计施工方案2.2 各层层高及高度变化各层层高及高度变化表 2-2 2.3 各楼层平面变化情况此脚手架主要用于±0.00 以上的建筑部分,所以方案仅考虑地面以上建筑的楼层变化情况。主楼部分:一层南侧从地下一层(D1)下沉广场局部向北缩...

1、当您付费下载文档后,您只拥有了使用权限,并不意味着购买了版权,文档只能用于自身使用,不得用于其他商业用途(如 [转卖]进行直接盈利或[编辑后售卖]进行间接盈利)。
2、本站所有内容均由合作方或网友上传,本站不对文档的完整性、权威性及其观点立场正确性做任何保证或承诺!文档内容仅供研究参考,付费前请自行鉴别。
3、如文档内容存在违规,或者侵犯商业秘密、侵犯著作权等,请点击“违规举报”。

碎片内容

商业综合楼工程脚手架设计施工方案

确认删除?
VIP
微信客服
  • 扫码咨询
会员Q群
  • 会员专属群点击这里加入QQ群
客服邮箱
回到顶部