电脑桌面
添加小米粒文库到电脑桌面
安装后可以在桌面快捷访问

商品混凝土技术协议书模板VIP免费

商品混凝土技术协议书模板_第1页
1/13
商品混凝土技术协议书模板_第2页
2/13
商品混凝土技术协议书模板_第3页
3/13
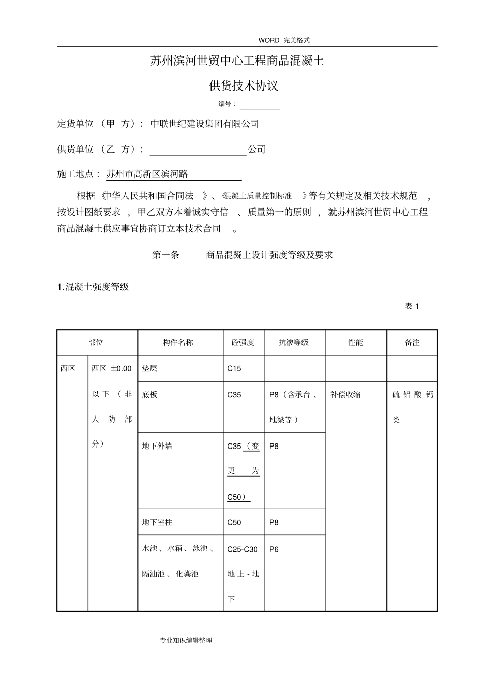
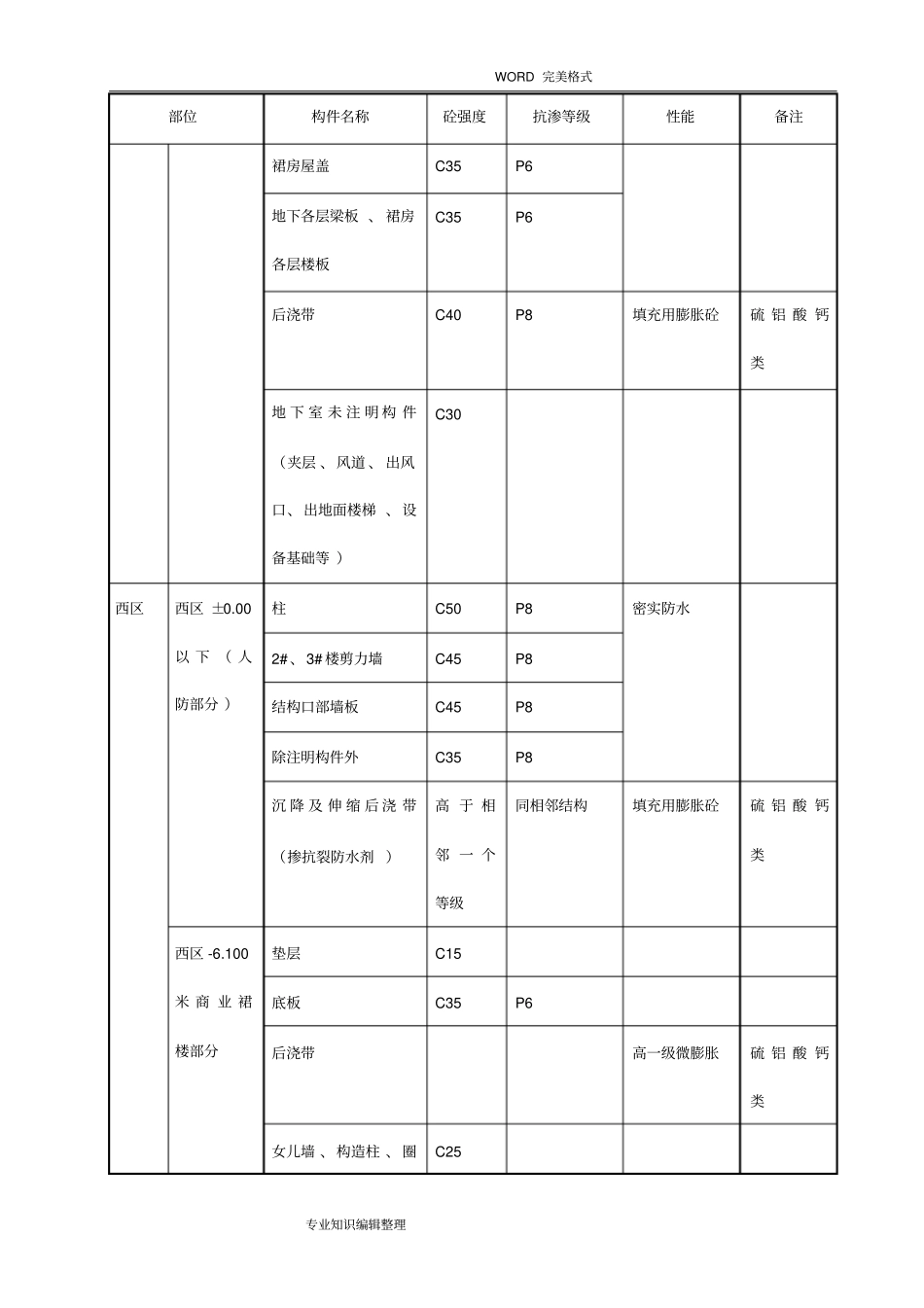
WORD 完美格式专业知识编辑整理苏州滨河世贸中心工程商品混凝土供货技术协议编号 :定货单位 (甲 方): 中联世纪建设集团有限公司供货单位 (乙 方):公司施工地点 :苏州市高新区滨河路根据 《中华人民共和国合同法》、《混凝土质量控制标准》等有关规定及相关技术规范,按设计图纸要求 ,甲乙双方本着诚实守信、质量第一的原则 ,就苏州滨河世贸中心工程商品混凝土供应事宜协商订立本技术合同。第一条商品混凝土设计强度等级及要求1.混凝土强度等级表 1 部位构件名称砼强度抗渗等级性能备注西区西区 ±0.00以 下 ( 非人防部分)垫层C15 底板C35 P8(含承台 、地梁等 )补偿收缩硫 铝 酸 钙类地下外墙C35 ( 变更为C50)P8 地下室柱C50 P8 水池 、水箱 、泳池 、隔油池 、化粪池C25-C30 地 上 - 地下P6 WORD 完美格式专业知识编辑整理部位构件名称砼强度抗渗等级性能备注裙房屋盖C35 P6 地下各层梁板 、 裙房各层楼板C35 P6 后浇带C40 P8 填充用膨胀砼硫 铝 酸 钙类地 下 室 未 注 明 构 件(夹层 、风道 、 出风口、出地面楼梯 、设备基础等 )C30 西区西区 ±0.00以 下 ( 人防部分 )柱C50 P8 密实防水2# 、3# 楼剪力墙C45 P8 结构口部墙板C45 P8 除注明构件外C35 P8 沉 降 及 伸 缩 后 浇 带(掺抗裂防水剂 )高 于 相邻 一 个等级同相邻结构填充用膨胀砼硫 铝 酸 钙类西区 -6.100米 商 业 裙楼部分垫层C15 底板C35 P6 后浇带高一级微膨胀硫 铝 酸 钙类女儿墙 、构造柱 、圈C25 WORD 完美格式专业知识编辑整理部位构件名称砼强度抗渗等级性能备注梁、过梁西区 ±0.00以上商业一层梁 、板C35 二层至屋面梁 、 板C30 一层墙 、柱C45 二层墙 、柱C40 三层墙 、柱C35 四层墙 、柱C30 负 一 层 连 廊 钢 管 柱(KZ18 )C50 地面以上未注明构件(夹层 、井洞反边 、盖板 、设备基础等 )C25 女儿墙C25 西区过梁 、构造柱 、 圈梁等二次结构C25 西 区 主 楼(2# 楼)负 2 层— 6 层柱C50 正负零以下采用补偿收缩砼正 负 零 以下 采 用 硫铝酸钙类7— 9 层柱C45 10— 13 层柱C40 14— 16 层柱C35 17— 28 层柱C30 负 1 层— 屋顶梁 、板C30 WORD 完美格式专业知识编辑整理部位构件名称砼强度抗渗等级性能备注西 区 主 楼(3# 楼)负 1 层— 4 层墙 、...

1、当您付费下载文档后,您只拥有了使用权限,并不意味着购买了版权,文档只能用于自身使用,不得用于其他商业用途(如 [转卖]进行直接盈利或[编辑后售卖]进行间接盈利)。
2、本站所有内容均由合作方或网友上传,本站不对文档的完整性、权威性及其观点立场正确性做任何保证或承诺!文档内容仅供研究参考,付费前请自行鉴别。
3、如文档内容存在违规,或者侵犯商业秘密、侵犯著作权等,请点击“违规举报”。

碎片内容

商品混凝土技术协议书模板

您可能关注的文档

文库当当响+ 关注
实名认证
内容提供者

该用户很懒,什么也没介绍

确认删除?
VIP
微信客服
  • 扫码咨询
会员Q群
  • 会员专属群点击这里加入QQ群
客服邮箱
回到顶部