电脑桌面
添加小米粒文库到电脑桌面
安装后可以在桌面快捷访问

商品混凝土进场验收记录文本VIP免费

商品混凝土进场验收记录文本_第1页
1/50
商品混凝土进场验收记录文本_第2页
2/50
商品混凝土进场验收记录文本_第3页
3/50
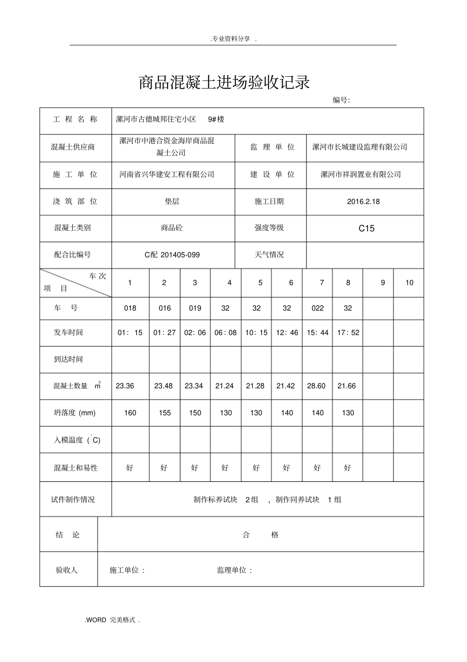
.专业资料分享 . .WORD 完美格式 . 商品混凝土进场验收记录编号:工 程 名 称漯河古德城邦住宅小区9#楼混凝土供应商漯河市中港合资金海岸商品混凝土公司监 理 单 位漯河市长城建设监理有限公司施 工 单 位河南省兴华建安工程有限公司建 设 单 位漯河市祥润置业有限公司浇 筑 部 位垫层施工日期2016.2.18 混凝土类别商品砼强度等级C15配合比编号C配 201405-099 天气情况车次项目1 2 3 4 5 6 7 8 9 10 车号019 018 60 016 019 60 018 016 019 60 发车时间20:32 20:44 22:12 22:38 23:04 23.29 23:47 00:05 00:13 00:24 到达时间混凝土数量m3 22.5823.50 23.58 23.42 23.54 23.60 23.90 23.76 23.34 23.48 坍落度 (mm) 150 140 150 160 150 150 140 145 150 160 入模温度 (°C) 混凝土和易性好好好好好好好好好好试件制作情况制作标养试块3 组,制作同养试块1 组结论合格验收人施工单位 : 监理单位 : 备注.专业资料分享 . .WORD 完美格式 . 商品混凝土进场验收记录编号:工 程 名 称漯河市古德城邦住宅小区9#楼混凝土供应商漯河市中港合资金海岸商品混凝土公司监 理 单 位漯河市长城建设监理有限公司施 工 单 位河南省兴华建安工程有限公司建 设 单 位漯河市祥润置业有限公司浇 筑 部 位垫层施工日期2016.2.18 混凝土类别商品砼强度等级C15配合比编号C配 201405-099 天气情况车 次项目1 2 3 4 5 6 7 8 9 10 车号018 016 019 32 32 32 022 32 发车时间01:15 01:27 02:06 06:08 10:15 12:46 15:44 17:52 到达时间混凝土数量m323.3623.48 23.34 21.24 21.28 21.42 28.60 21.66 坍落度 (mm) 160 155 150 130 130 140 140 130 入模温度 (°C) 混凝土和易性好好好好好好好好试件制作情况制作标养试块2 组,制作同养试块1 组结论合格验收人施工单位 : 监理单位 : .专业资料分享 . .WORD 完美格式 . 备注商品混凝土进场验收记录编号:工 程 名 称漯河市古德城邦住宅小区9#楼混凝土供应商漯河市中港合资金海岸商品混凝土公司监 理 单 位漯河市长城建设监理有限公司施 工 单 位河南省兴华建安工程有限公司建 设 单 位漯河市祥润置业有限公司浇 筑 部 位基础施工日期2016.8.20 混凝土类别商品砼强度等级C30配合比编号C配 201605-097 天气情况车 次项...

1、当您付费下载文档后,您只拥有了使用权限,并不意味着购买了版权,文档只能用于自身使用,不得用于其他商业用途(如 [转卖]进行直接盈利或[编辑后售卖]进行间接盈利)。
2、本站所有内容均由合作方或网友上传,本站不对文档的完整性、权威性及其观点立场正确性做任何保证或承诺!文档内容仅供研究参考,付费前请自行鉴别。
3、如文档内容存在违规,或者侵犯商业秘密、侵犯著作权等,请点击“违规举报”。

碎片内容

商品混凝土进场验收记录文本

确认删除?
VIP
微信客服
  • 扫码咨询
会员Q群
  • 会员专属群点击这里加入QQ群
客服邮箱
回到顶部