电脑桌面
添加小米粒文库到电脑桌面
安装后可以在桌面快捷访问

办公楼施工组织设计(技术标)VIP免费

办公楼施工组织设计(技术标)_第1页
1/78
办公楼施工组织设计(技术标)_第2页
2/78
办公楼施工组织设计(技术标)_第3页
3/78
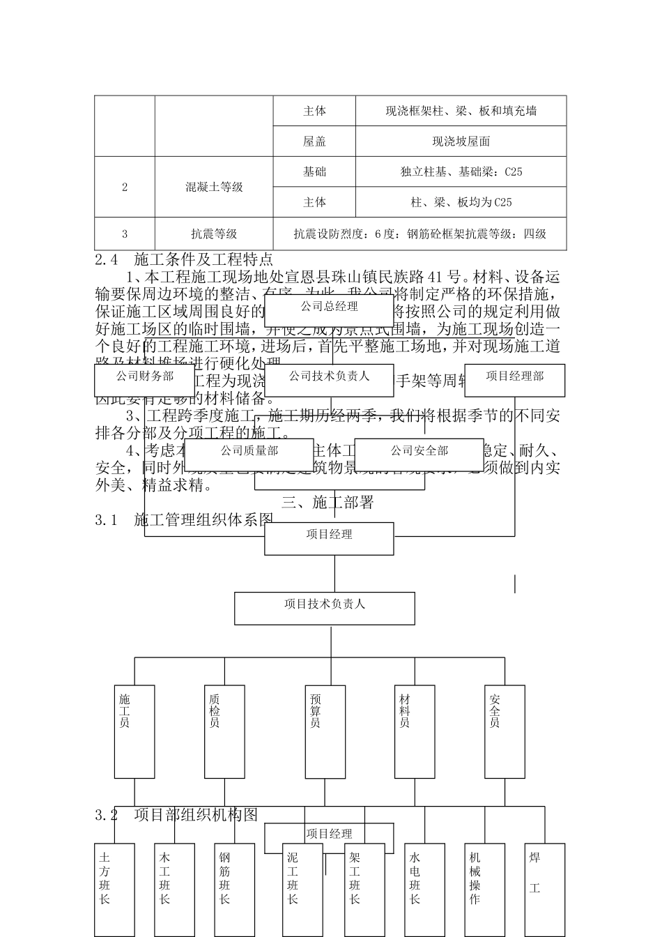
一、编制说明1.1编制目的本施工组织设计是我公司对湖北七姊妹山国家级自然保护区管理局业务、辅助用房工程的投标文件之一;本施工组织设计体现了我公司对本工程施工的总体构思和部署,若我公司有幸中标,我们将遵照公司的技术管理程序,在图纸会审之后,按照施工组织设计确定的原则编制详细的单项工程施工方案,用以指导施工,确保本工程优质高速地完成。1.2编制依据1、湖北七姊妹山国家级自然保护区管理局业务、辅助用房工程施工图纸、工程答疑会议纪要;2、湖北省、恩施自治州、宣恩县有关建筑工程管理、市政管理、环境保护等地方性法规及规定;3、湖北七姊妹山国家级自然保护区管理局业务、辅助用房工程招标文件(招标编号:XE-TXZB-2011-05)4、本工程施工现场及周边环境的实际情况;5、《建筑工程施工质量验收统一标准》(GB50300-2001);6、《工程测量规范》(GB50026-93);7、〈建筑地基处理技术规范〉(JGJ97-2002);8、《建筑地基基础工程施工质量验收规范》(GB50202-2002);9、《混凝土结构工程施工质量验收规范》(GB50204-2002);10、《砌体工程施工质量与验收规范》(GB50203-2002);11、《普通混凝土用砂质量标准及检验方法》(GJ52-92);12、《普通混凝土用碎石和卵石质量标准及检验方法》(JG53-92);13、《混凝土外加剂应用技术规范》(JBJ119-88);14、《屋面工程质量验收规范》(GB50207-2002);15、《地下防水工程质量验收规范》(GB50208-2002);16、《建筑装饰装修施工质量验收规范》(GB50210-2001);17、《建筑地面工程工程质量验收规范》(GB50209-2002);18、《建筑电气工程施工质量验收规范》(GB50303-2002);19、《建筑给水排水及采暖工程施工质量验收规范》(GB50242-2002);20、《施工现场临时用电安全技术规范》(GBJ46-88);21《建筑机械使用安全技术规范》(JGJ33-2001);22、《建筑施工扣件式钢管脚手架安全技术规范》(JGJ130-2001)〈2002年局部修订〉;23、《电梯工程施工质量验收规范》(GB50310-2001);24、《建筑施工手册》及相关技术文件;25、公司内部的质量、安全管理文件等。1.3编制原则1、严格遵守国家现行的技术规范、施工验收规范和质量评定与验收标准;2、坚持技术先进性、科学合理性、经济适用性与实事求是相结合的原则。1.4编制内容湖北七姊妹山国家级自然保护区管理局业务、辅助用房工程招标文件招标范围及工程施工图纸中的全部内容。二、工程概况及特点2.1工程概况序号项目内容1工程名称湖北七姊妹山国家级自然保护区管理局业务、辅助用房工程2工程地址宣恩县珠山镇民族路41号3建设单位湖北七姊妹山国家级自然保护区管理局4设计单位宣恩县建筑设计室5合同性质施工总承包6计划工期180日历天7质量要求达到国家现行施工验收规范合格标准2.2建筑概况建筑层次5层层高一至四层:3.60m五层:4.20m建筑物总高19.8m室内外高差1.200M建筑类别三级安全等级二级耐火等级二级砼环境类别二类B外墙装饰外墙乳胶漆,1.5以下白色瓷砖饰面内墙装饰混合砂浆打底乳胶漆罩面楼地面陶砖地砖楼地面油漆调和漆屋面屋面30厚挤塑聚苯乙烯泡沫塑料板保温、刚性防水、高聚物改性沥青防水,陶瓷萌式瓦门窗塑钢平开窗、平开门、高级木门2.3结构概况序号项目内容1结构形式基础桩基础主体现浇框架柱、梁、板和填充墙屋盖现浇坡屋面2混凝土等级基础独立柱基、基础梁:C25主体柱、梁、板均为C253抗震等级抗震设防烈度:6度:钢筋砼框架抗震等级:四级2.4施工条件及工程特点1、本工程施工现场地处宣恩县珠山镇民族路41号。材料、设备运输要保周边环境的整洁、有序,为此,我公司将制定严格的环保措施,保证施工区域周围良好的环境,另外我们还将按照公司的规定利用做好施工场区的临时围墙,并使之成为景点式围墙,为施工现场创造一个良好的工程施工环境,进场后,首先平整施工场地,并对现场施工道路及材料堆场进行硬化处理。2、由于本工程为现浇框架结构,模板、脚手架等周转材料用量大,因此要有足够的材料储备。3、工程跨季度施工,施工期历经两季,我们将根据季节的不同安排各分部及分项工程的施工。4、考虑本工程的特性,不仅主体工程结...

1、当您付费下载文档后,您只拥有了使用权限,并不意味着购买了版权,文档只能用于自身使用,不得用于其他商业用途(如 [转卖]进行直接盈利或[编辑后售卖]进行间接盈利)。
2、本站所有内容均由合作方或网友上传,本站不对文档的完整性、权威性及其观点立场正确性做任何保证或承诺!文档内容仅供研究参考,付费前请自行鉴别。
3、如文档内容存在违规,或者侵犯商业秘密、侵犯著作权等,请点击“违规举报”。

碎片内容

办公楼施工组织设计(技术标)

您可能关注的文档

确认删除?
VIP
微信客服
  • 扫码咨询
会员Q群
  • 会员专属群点击这里加入QQ群
客服邮箱
回到顶部