电脑桌面
添加小米粒文库到电脑桌面
安装后可以在桌面快捷访问

北京某砖混结构办公楼拆除施工方案VIP免费

北京某砖混结构办公楼拆除施工方案_第1页
1/5
北京某砖混结构办公楼拆除施工方案_第2页
2/5
北京某砖混结构办公楼拆除施工方案_第3页
3/5
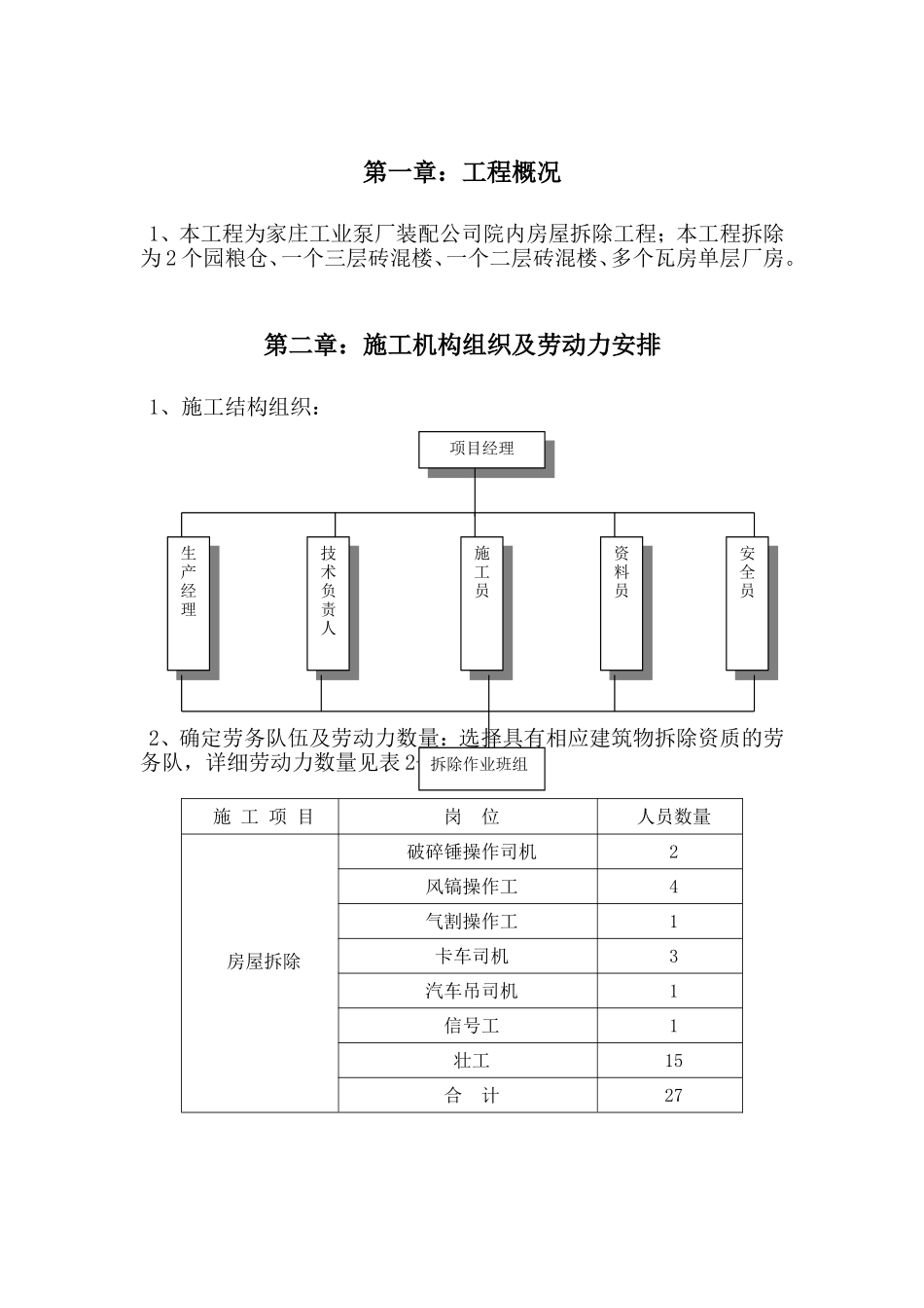
第一章:工程概况1、本工程为家庄工业泵厂装配公司院内房屋拆除工程;本工程拆除为2个园粮仓、一个三层砖混楼、一个二层砖混楼、多个瓦房单层厂房。第二章:施工机构组织及劳动力安排1、施工结构组织:2、确定劳务队伍及劳动力数量:选择具有相应建筑物拆除资质的劳务队,详细劳动力数量见表2-1:施工项目岗位人员数量房屋拆除破碎锤操作司机2风镐操作工4气割操作工1卡车司机3汽车吊司机1信号工1壮工15合计27项目经理项目经理技术负责人技术负责人施工员施工员资料员资料员安全员安全员生产经理生产经理拆除作业班组第三章:拆除方法及技术措施1、全面了解拆除工程拆除部位的图纸和相关资料,进行现场实地勘察。2、拆除工作开始前,调查清楚场区内外各类管线情况,切断楼内的电力、给水、排水、电话线、闭路线供应或迁移,建立临时用电、用水系统;3、所有拆除施工区域进行高度不低于1.5米硬质封闭围护设施的搭设,并悬挂安全警示标识,非施工人员不得进入施工区,设置夜间红色警示灯;4、对拆除范围内的电线、电缆及其他管线进行改线、保护;由技术员负责标示出拆出部位及拆出范围;5、拆除施工从上至下、逐层拆除分段进行,不得垂直交叉作业,作业面的空洞应封闭,拆除后的楼板作业面要逐层进行维护并做好安全警示;6、拆除较大或较重的构件,应用风镐破碎后及时运走,避免荷载堆积;7、拆除建筑物的栏杆、楼梯和楼板等,应和整体拆除程度相配合,不准先行拆除;8、建筑物的承重支柱和横梁,要等待它所承担的全部结构拆除后,才可以拆除;9、墙体拆除时,严禁采用掏掘或推倒的方法;10、单层建筑采用人工配合小型机械(风镐、切割机、冲击钻等)进行拆除,拆除时搭设脚手架、溜槽,人工拆除材料严禁堆放在脚手架上,采用溜槽溜至地面及时清运;多层砖混结构楼用大型机械(破碎锤)进行拆除作业;在拆除时楼板上严禁人员聚集或集中堆放材料,作业人员应站在稳固的脚手架上操作,被拆除下来的构件应安全放置;以下为图3-2:大型机械拆除作业示意图:11、施工机械详见表3.1:表3-1:主要施工机械安排序号设备单位数量1破碎锤台12切割机把23气割套14风稿把45空压机台46卡车辆37手推车辆4816吨汽车吊台1第四章:安全施工措施1、安全目标确保实现“五个杜绝、四个全面、三个不超、二个确保”及“安全文明工地”,无伤亡、设备事故,安全教育面:100%。2、安全教育⑴、施工前认真学习各项安全施工规定、法律、法规,从思想上牢固树立“安全第一、预防为主”的指导思想,教育工人无条件服从安全检查人员指挥,遵守各项安全规章制度;⑵、项目经理部要每天进行巡视检查,发现安全隐患急时整改、处理,消除只抓进度忽视安全的倾向;3、安全检查⑴、建立健全安全监督管理体系;⑵、专职安全技术人员每天巡视现场,及时发现施工中的不安全因素和违章作业行为,及时配合技术人员解决施工过程中暴露的安全技术问题;⑶、安全管理人员要配合安全监理、业主安全负责人的例行检查,对发现的安全隐患保证无条件整改;4、安全技术措施⑴、拆除施工严禁立体交叉作业;⑵、作业人员使用的风镐、切割机、冲击钻等手持机器时,严禁超负荷或带故障运转;⑶、拆除建筑物,应遵守拆除方案,自上而下按板、非承重墙、柱顺序进行;⑷、拆除作业人员,必须戴好安全帽、防护眼镜、穿工作鞋,应站在脚手架或稳固的结构上操作,拆除某部分时,要防止其他部分发生坍塌,拆除梁、柱前应先拆除其承重的全部结构后进行。⑸、拆除前应将有倒塌危险的结构物,用支柱等临时加固。⑹、散碎材料应用溜放槽溜下,禁止向下抛掷。拆下的材料要及时清理、运走。⑺、采用推倒拆除时,必须经过设计计算后,制定和落实专项安全技术措施,统一指挥,防止事故发生。⑻、每班开工前,均应检查所用工具是否牢靠,被拆建筑物的危险状况。发现险情,应先排除险情后,才可以作业。⑼、不得采用挖墙洞、掏掘或推倒的野蛮拆除方式。在拆除施工时,应向拆除部位洒水降尘,做好文明施工。⑽、拆除单位必须及时清除拆除垃圾,不得影响后续施工进度。⑾、梁拆除时,对搭设脚手架的管材、跳板、扣件等必须严格仔细检查,不合格的材料不准时用,严...

1、当您付费下载文档后,您只拥有了使用权限,并不意味着购买了版权,文档只能用于自身使用,不得用于其他商业用途(如 [转卖]进行直接盈利或[编辑后售卖]进行间接盈利)。
2、本站所有内容均由合作方或网友上传,本站不对文档的完整性、权威性及其观点立场正确性做任何保证或承诺!文档内容仅供研究参考,付费前请自行鉴别。
3、如文档内容存在违规,或者侵犯商业秘密、侵犯著作权等,请点击“违规举报”。

碎片内容

北京某砖混结构办公楼拆除施工方案

您可能关注的文档

确认删除?
VIP
微信客服
  • 扫码咨询
会员Q群
  • 会员专属群点击这里加入QQ群
客服邮箱
回到顶部