电脑桌面
添加小米粒文库到电脑桌面
安装后可以在桌面快捷访问

初三化学《金属和金属材料》之中考真题(六)VIP免费

初三化学《金属和金属材料》之中考真题(六)_第1页
1/7
初三化学《金属和金属材料》之中考真题(六)_第2页
2/7
初三化学《金属和金属材料》之中考真题(六)_第3页
3/7
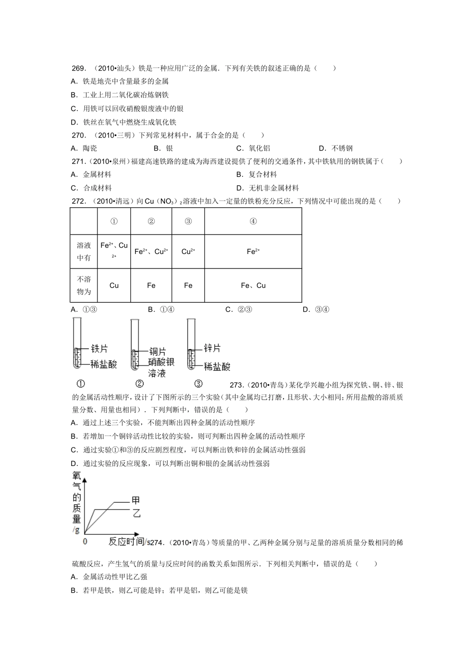
251.(2010•铁岭)化学源于生活,生活中的下列做法不正确的是()A.用灼烧的方法鉴别羊毛纤维和涤纶纤维B.炒菜时油锅起火用锅盖盖灭C.在篮球架的表面喷漆防锈D.用吸附的方法使硬水软化252.(2010•泰州)铜能够制成铜片或拉成铜丝,是因为铜具有良好的()A.导热性B.导电性C.延展性D.金属活动性253.(2010•泰安)下列质量增加的变化有一种与其他三种存在着本质的区别,这种变化是()A.长期放置在空气中的氢氧化钠质量增加B.久置在潮湿空气中的铁钉质量增加C.久置在空气中的生石灰质量增加D.长期敞口放置的浓硫酸质量增加254.(2010•泰安)正在上海举行的世博会上,中国馆--“东方之冠”给人强烈的视觉冲击,它的主体结构为四根巨型的钢筋混凝土制成的核心筒.其中钢属于()A.合成材料B.天然材料C.隐身材料D.金属材料255.(2010•泰安)已知金属R与硫酸铜溶液反应的化学方程式是:R+CuSO4=Cu+RSO4.则下列说法正确的是()A.该反应属于复分解反应B.金属R的活泼性比Cu要强C.该金属可以是金属铝D.该金属一定是铁256.(2010•随州)某合作学习小组讨论辨析以下说法:①纯净水和矿泉水都是纯净物;②用活性炭可将硬水进行软化;③太阳能、风能和天然气都是可再生能源;④霉变的大米(含有黄曲霉毒素)只要洗干净就可放心食用;⑤合金比组成合金的纯金属强度和硬度更高、抗腐蚀性能更好;⑥回收利用废旧金属不仅可以节约资源,而且可以减少对环境的污染.其中正确的是()A.⑤⑥B.③⑤⑥C.②④⑤D.①②③④257.(2010•宿迁)将一定质量的镁粉放入含有硝酸亚铁、硝酸银的混合溶液中,充分反应后,过滤,向滤出的固体中滴加稀盐酸有气泡产生,则下列判断正确的是()A.镁粉一定过量B.滤液中溶质只含硝酸镁C.镁粉可能反应完了D.向滤液中滴加稀盐酸有白色沉淀产生258.(2010•宿迁)下列措施有利于防止铁制品锈蚀的是()A.农具上铁锈不及时除去B.切过酸菜的菜刀不及时清洗C.工地上的钢管堆放在潮湿的地方D.家用剪刀不用时,涂上油并放在干燥处259.(2010•苏州)下列有关铁的说法错误的是()A.地壳中铁元素含量排在第四位B.在铁制品表面镀锌可防锈C.用铁矿石与焦炭在高炉内炼钢D.生铁的含碳量比钢的含碳量高260.(2010•苏州)下列说法能体现物质物理性质的是()A.镁粉用作照明弹B.铜丝用作导线C.氢气用作清洁燃料D.二氧化碳用作碳酸饮料261.(2010•十堰)2010年上海世博会中国馆--“东方之冠”给人强烈的视觉冲击,它的主体结构大量使用钢材,其中钢与下列哪种物质属同类材料()A.石器B.青铜器C.高分子材料D.天然纤维262.(2010•沈阳)把铁粉放入硝酸银、硝酸铜和硝酸锌的混合溶液中,充分反应后过滤,所得固体中一定没有的是()A.锌B.铁C.铜D.银263.(2010•深圳)为验证Zn、Cu、Ag三种金属的活动性强弱,某科学兴趣小组设计了下图所示的四个实验.其中不必进行的实验是()A.B.C.D.264.(2010•邵阳)2010年上海世博会中国馆“东方之冠“给人强烈的视觉冲击,它的主体结构为四根巨型钢筋混凝土制成的核心筒.其中钢筋属于()A.天然材料B.金属材料C.合成材料D.复合材料265.(2010•邵阳)下列现象的产生,与空气成分无关的是()A.烧碱露置空气中变重B.浓盐酸露至空气中变轻C.酥脆饼干置于空气中变软D.菜刀置于潮湿空气中生锈显示解析试题篮266.(2010•韶关)下列物质的变化,不能通过一步化学反应实现的是()A.CuO→CuSO4B.KNO3→KClC.HgO→O2D.Fe→FeSO4267.(2010•上海)常见的四种金属中活动性最强的是()A.AgB.ZnC.AlD.Cu显示解析试题篮268.(2010•上海)化学方程式是描述化学反应的语言,正确的化学方程式是()269.(2010•汕头)铁是一种应用广泛的金属.下列有关铁的叙述正确的是()A.铁是地壳中含量最多的金属B.工业上用二氧化碳冶炼钢铁C.用铁可以回收硝酸银废液中的银D.铁丝在氧气中燃烧生成氧化铁270.(2010•三明)下列常见材料中,属于合金的是()A.陶瓷B.银C.氧化铝D.不锈钢271.(2010•泉州)福建高速铁路的建成为海西建设提供了便利的交通条件...

1、当您付费下载文档后,您只拥有了使用权限,并不意味着购买了版权,文档只能用于自身使用,不得用于其他商业用途(如 [转卖]进行直接盈利或[编辑后售卖]进行间接盈利)。
2、本站所有内容均由合作方或网友上传,本站不对文档的完整性、权威性及其观点立场正确性做任何保证或承诺!文档内容仅供研究参考,付费前请自行鉴别。
3、如文档内容存在违规,或者侵犯商业秘密、侵犯著作权等,请点击“违规举报”。

碎片内容

初三化学《金属和金属材料》之中考真题(六)

您可能关注的文档

文章天下+ 关注
实名认证
内容提供者

各种文档应有尽有

相关文档

确认删除?
VIP
微信客服
  • 扫码咨询
会员Q群
  • 会员专属群点击这里加入QQ群
客服邮箱
回到顶部