电脑桌面
添加小米粒文库到电脑桌面
安装后可以在桌面快捷访问

某闸施工组织设计方案(DOC14页)VIP免费

某闸施工组织设计方案(DOC14页)_第1页
1/7
某闸施工组织设计方案(DOC14页)_第2页
2/7
某闸施工组织设计方案(DOC14页)_第3页
3/7
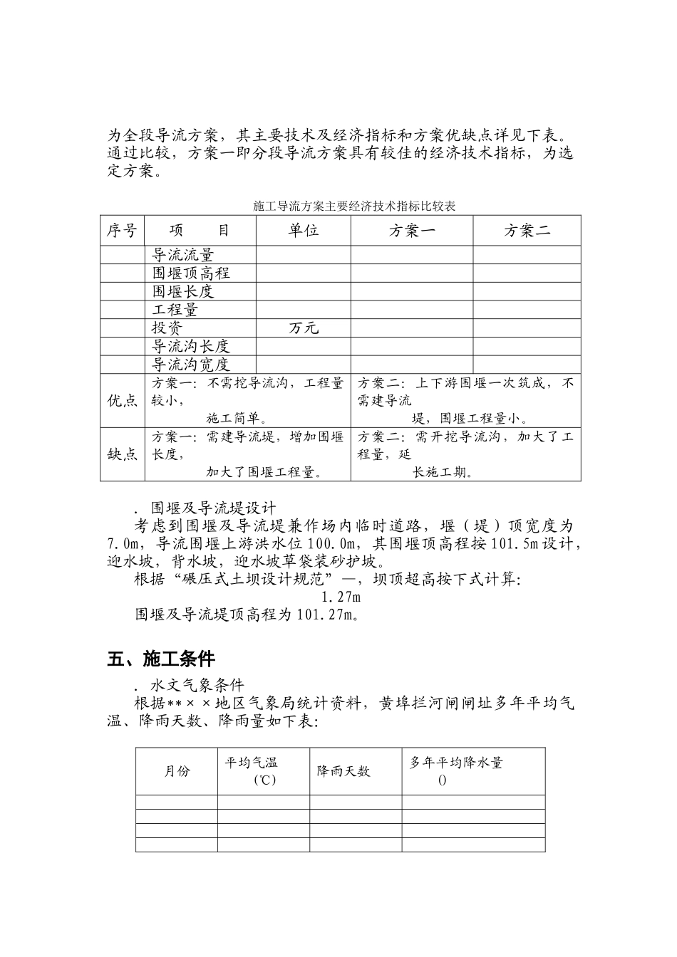
一、编制依据 .设计依据:施工组织设计依据山东省**××地区水利勘测设计院年月编“山东省**地区沂南××县黄埠拦河闸工程施工图设计”。 .施工规范:()水利电力出版社年月《水利水电工程施工组织设计手册》。()国防工业出版社年月《水利水电施工技术规范汇编》。二、工程概况黄埠拦河闸由冲砂闸、泄水闸和交通桥三部分组成。冲砂闸为孔×3.5m 平面钢闸门,上设铪装配式起闭机房与右岸桥头堡联接,泄水闸为孔×2.5m 铪水力自控翻板闸门,闸上设净 ,汽 级交通桥――,拦河闸总长 242.52m。三、任务与工期.主要工程数量总工程量万,其中土石方万,砌石万,砼及铪万。.主要材料水泥,钢材(其中钢筋),木材 88.0m3,石材万,碎石万。.工程投资及工日工程总投资万元,其中建筑工程万元,机电设备安装万元,金属设备安装万元,临时工程万元,独立费用万元。总工日万个,其中技工万个,民工万个,民技工万个。.计划开工和竣工日期本工程计划年月动工,年底全部竣工。四、施工导航.导流标准施工导流围堰设计洪水标准为年一遇(在施工期内)。.施工导流洪水计算河道上游主要为降雨汇流,根据傅旺庄站和黄埠拦河闸洪水资料的相关关系,由施工期(月日至月日)洪水资料,利用经验频率公式()×计算,点绘经验频率曲线,由图中查得年一遇洪峰流量165m3(~),以此设计导流建筑物。.施工导流方案施工导流方案对工程工期、造价都有较大的影响,在此特拟定下面两个方案进行比较。施工导流方案一为分段导流方案,方案二为全段导流方案,其主要技术及经济指标和方案优缺点详见下表。通过比较,方案一即分段导流方案具有较佳的经济技术指标,为选定方案。施工导流方案主要经济技术指标比较表序号项 目单位方案一方案二导流流量围堰顶高程围堰长度工程量投资万元导流沟长度导流沟宽度优点方案一:不需挖导流沟,工程量较小,施工简单。方案二:上下游围堰一次筑成,不需建导流堤,围堰工程量小。缺点方案一:需建导流堤,增加围堰长度,加大了围堰工程量。方案二:需开挖导流沟,加大了工程量,延长施工期。.围堰及导流堤设计考虑到围堰及导流堤兼作场内临时道路,堰(堤)顶宽度为7.0m,导流围堰上游洪水位 100.0m,其围堰顶高程按 101.5m 设计,迎水坡,背水坡,迎水坡草袋装砂护坡。根据“碾压式土坝设计规范”—,坝顶超高按下式计算:1.27m围堰及导流堤顶高程为 101.27m。五、施工条件.水文气象条件根据**××地区气象局统计资料,黄...

1、当您付费下载文档后,您只拥有了使用权限,并不意味着购买了版权,文档只能用于自身使用,不得用于其他商业用途(如 [转卖]进行直接盈利或[编辑后售卖]进行间接盈利)。
2、本站所有内容均由合作方或网友上传,本站不对文档的完整性、权威性及其观点立场正确性做任何保证或承诺!文档内容仅供研究参考,付费前请自行鉴别。
3、如文档内容存在违规,或者侵犯商业秘密、侵犯著作权等,请点击“违规举报”。

碎片内容

某闸施工组织设计方案(DOC14页)

确认删除?
VIP
微信客服
  • 扫码咨询
会员Q群
  • 会员专属群点击这里加入QQ群
客服邮箱
回到顶部