电脑桌面
添加小米粒文库到电脑桌面
安装后可以在桌面快捷访问

陈洞南路一期雨水管网工程计算单VIP免费

陈洞南路一期雨水管网工程计算单_第1页
1/88
陈洞南路一期雨水管网工程计算单_第2页
2/88
陈洞南路一期雨水管网工程计算单_第3页
3/88
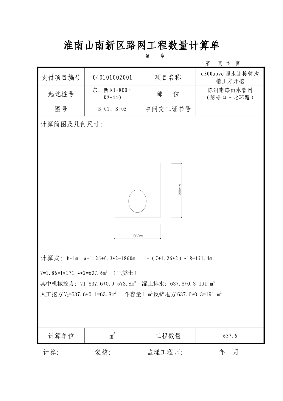
淮南山南新区路网工程数量计算单第 章 第 页 共 页支付项目编号040101002001项目名称D600 砼管沟槽土方开挖起讫桩号东、西 K1+800~K2+440部 位陈洞南路雨水管网(隧道口~北环路)图号S-01、S-05中间交工证书号计算简图及几何尺寸:计算式:h=[﹙83.97+72﹚*1/2+83.94+82.84+80.99+78.89+77.78+76.46+75.28+73.59]*60/540-76.66+0.06+0.1=2.14m a1=0.6+0.06*2+0.5*2 =1.72m a2=2.14*0.67*2+1.72=4.59m L=530+18*2=566mV=(1.72+4.59)*2.14*1/2*566*1.02*2=7796m3(三类土) 其中机械挖方:V1=7796*0.9=7016m3 湿土排水 7796*0.3=2339 m3人工挖方 V2=7796*0.1=780m3 斗容量 1 m3反铲甩方 7796*0.3=2339 m3计算单位m3工程数量7796计算: 复核: 年 月 日淮南山南新区路网工程数量计算单第 章 第 页 共 页支付项目编号040101002001项目名称D1000 砼管沟槽土方开挖起讫桩号东、西 K1+800~K2+440部 位陈洞南路雨水管网(隧道口~北环路)图号S-01、S-05中间交工证书号计算简图及几何尺寸:计算式:K1+330 处 D1000 砼管道沟槽开挖 h=1.76+0.1+0.2=2.06m a1=1+0.1*2+0.5*2 =2.2m a2=2.06*0.67*2+2.2=4.96m L=12mV=(2.2+4.96)*2.06*1/2*12*1.02=90.3m3(三类土) 其中机械挖方:V1=90.3*0.9=81.3 m3 湿土排水 90.3*0.3=27 m3人工挖方 V2=90.3*0.1=9m3 斗容量 1 m3反铲甩方 90.3*0.3=27 m3计算单位m3工程数量90.3计算: 复核: 年 月 日淮南山南新区路网工程数量计算单第 章 第 页 共 页支付项目编号040101002001项目名称d300upvc 雨水连接管沟槽土方开挖起讫桩号东、西 K1+800~K2+440部 位陈洞南路雨水管网(隧道口~北环路)图号S-01、S-05中间交工证书号计算简图及几何尺寸:计算式:h=1m a=1.26+0.3*2=1860m l=(7+1.26*2)*18=171.4mV=1.86*1*171.4*2=637.6m3 (三类土) 其中机械挖方:V1=637.6*0.9=573.8m3 湿土排水:637.6*0.3=191 m3人工挖方 V2=637.6*0.1=63.8m3 斗容量 1 m3反铲甩方 637.6*0.3=191 m3计算单位m3工程数量637.6计算: 复核: 监理工程师: 年 月 日淮南山南新区路网工程数量计算单第 章 第 页 共 页支付项目编号040202001002项目名称拆除道路基层起讫桩号东、西 K1+800~K2+440部 位陈洞南路雨水管网(隧道口~北环路)图号S-01、S-05中间交工证书号计算简图及几何尺寸:计算式:拆 除 多 骨 料 基 层 51cm ( 人 ...

1、当您付费下载文档后,您只拥有了使用权限,并不意味着购买了版权,文档只能用于自身使用,不得用于其他商业用途(如 [转卖]进行直接盈利或[编辑后售卖]进行间接盈利)。
2、本站所有内容均由合作方或网友上传,本站不对文档的完整性、权威性及其观点立场正确性做任何保证或承诺!文档内容仅供研究参考,付费前请自行鉴别。
3、如文档内容存在违规,或者侵犯商业秘密、侵犯著作权等,请点击“违规举报”。

碎片内容

陈洞南路一期雨水管网工程计算单

您可能关注的文档

确认删除?
VIP
微信客服
  • 扫码咨询
会员Q群
  • 会员专属群点击这里加入QQ群
客服邮箱
回到顶部