电脑桌面
添加小米粒文库到电脑桌面
安装后可以在桌面快捷访问

浙江省水路交通行政处罚裁量基准(航政)VIP免费

浙江省水路交通行政处罚裁量基准(航政)_第1页
1/7
浙江省水路交通行政处罚裁量基准(航政)_第2页
2/7
浙江省水路交通行政处罚裁量基准(航政)_第3页
3/7
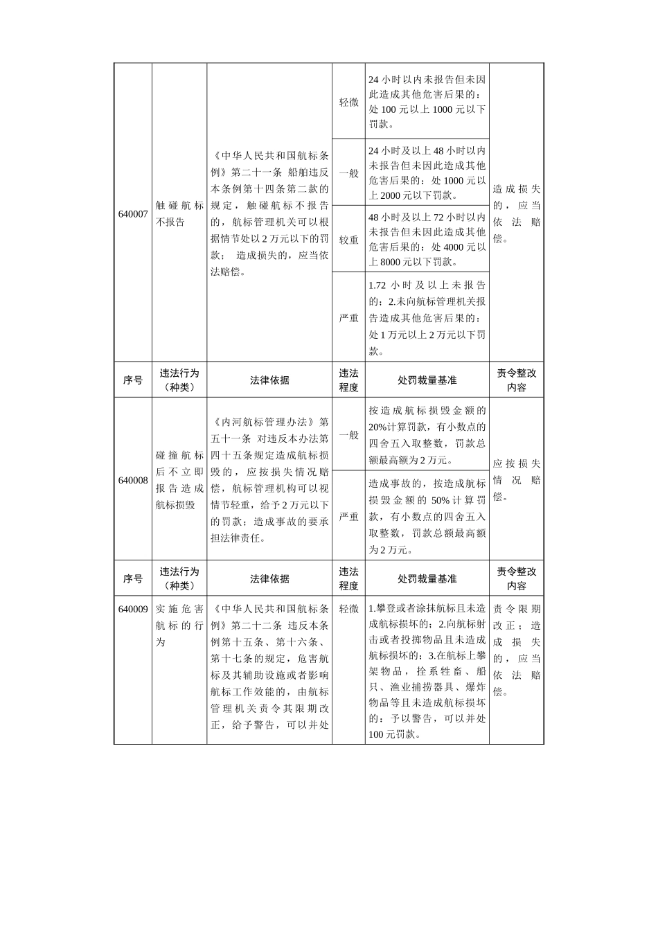
浙江省水路交通行政处罚裁量基准航 政序号违法行为(种类)法律依据违法程度处罚裁量基准责令整改内容640001未 经 航 道管 理 机 构同 意 修 建拦、跨( 穿 ) 航道建筑物《浙江省航道管理条例》第四十三条第一款 建设单位违反本条例第二十八条第一款、第三十一条第一款规定,未经航道管理机构同意修建拦、跨(穿)航道建筑物,或者未按照批准的技术要求修建拦、跨(穿)航道建筑物的,由航道管理机构处二万元以 上 二 十 万 元 以 下 的 罚款 ; 尚 可 采 取 改 正 措 施的,责令限期改正;无法采取改正措施或者逾期不改正的,责令限期拆除。轻微未经许可在航道上修建涉航 建 筑 物 但 符 合 航 道 规划、通航标准和技术规范的:处 2 万元罚款。尚 可 采 取改 正 措 施的 , 责 令限期改正 ; 无 法采 取 改 正措 施 或 者逾 期 不 改正 的 , 责令 限 期 拆除。一般未 经 许 可 修 建 渡 槽 、 缆线、管道等跨(穿)航道建 筑 物 且 不 符 合 航 道 规划、通航标准和技术规范的:处 3 万元以上 10 万元以下罚款。严重未经许可修建闸坝等拦航道建筑物或者修建桥梁、隧道等跨(穿)航道建筑物且不符合航道规划、通航标准和技术规范的:处10 万元以上 20 万元以下罚款。序号违法行为(种类)法律依据违法程度处罚裁量基准责令整改内容640002未 按 照 批准 的 技 术要 求 修 建拦、跨( 穿 ) 航道建筑物《浙江省航道管理条例》第四十三条第一款 建设单位违反本条例第二十八条第一款、第三十一条第一款规定,未经航道管理机构同意修建拦、跨(穿)航道建筑物,或者未按照批准的技术要求修建拦、跨(穿)航道建筑物的,由航道管理机构处二万元以 上 二 十 万 元 以 下 的 罚款 ; 尚 可 采 取 改 正 措 施的,责令限期改正;无法采取改正措施或者逾期不改正的,责令限期拆除。一般未按照批准的技术要求修建渡槽、缆线、管道等跨(穿)航道建筑物的:处 3万元以上 10 元以下罚款。尚 可 采 取改 正 措 施的 , 责 令限期改正 ; 无 法采 取 改 正措 施 或 者逾 期 不 改正 的 , 责令 限 期 拆除。严重未按照批准的技术要求修建闸坝等拦航道建筑物或者 修 建 桥 梁 、 隧 道 等 跨(穿)航道建筑物的:处10 万元以上 20 万元以下罚款。序号违法行为(种类)法律依据违法程...

1、当您付费下载文档后,您只拥有了使用权限,并不意味着购买了版权,文档只能用于自身使用,不得用于其他商业用途(如 [转卖]进行直接盈利或[编辑后售卖]进行间接盈利)。
2、本站所有内容均由合作方或网友上传,本站不对文档的完整性、权威性及其观点立场正确性做任何保证或承诺!文档内容仅供研究参考,付费前请自行鉴别。
3、如文档内容存在违规,或者侵犯商业秘密、侵犯著作权等,请点击“违规举报”。

碎片内容

浙江省水路交通行政处罚裁量基准(航政)

确认删除?
VIP
微信客服
  • 扫码咨询
会员Q群
  • 会员专属群点击这里加入QQ群
客服邮箱
回到顶部