电脑桌面
添加小米粒文库到电脑桌面
安装后可以在桌面快捷访问

某电力公司安宁庄住宅小区施工组织设计VIP免费

某电力公司安宁庄住宅小区施工组织设计_第1页
1/228
某电力公司安宁庄住宅小区施工组织设计_第2页
2/228
某电力公司安宁庄住宅小区施工组织设计_第3页
3/228
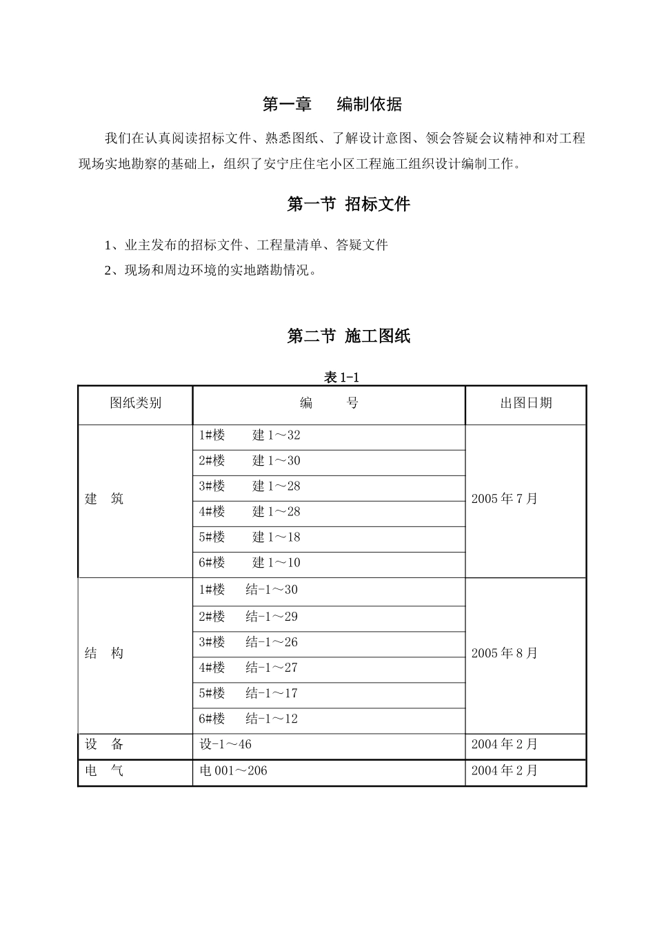
第一章 编制依据我们在认真阅读招标文件、熟悉图纸、了解设计意图、领会答疑会议精神和对工程现场实地勘察的基础上,组织了安宁庄住宅小区工程施工组织设计编制工作。第一节 招标文件1、业主发布的招标文件、工程量清单、答疑文件2、现场和周边环境的实地踏勘情况。第二节 施工图纸 表 1-1图纸类别编 号出图日期建 筑1#楼 建 1~322005 年 7 月2#楼 建 1~303#楼 建 1~284#楼 建 1~285#楼 建 1~186#楼 建 1~10结 构1#楼 结-1~302005 年 8 月2#楼 结-1~293#楼 结-1~264#楼 结-1~275#楼 结-1~176#楼 结-1~12设 备设-1~462004 年 2 月电 气电 001~2062004 年 2 月第三节 主要规程、规范 表 1-2类 别名 称编 号国 家工程测量规范GBJ50026-93土方与爆破工程施工及验收规范GBJ201-83建筑地基基础工程施工质量验收规范GB 50202-2002建筑地基处理技术规范JGJ79-2002锚杆喷射混凝土支护技术规范GB 50086-2001人防工程施工及验收规范GBJ 134-90地下防水工程施工及验收规范GB 50208-2002地下工程防水技术规范GB 50108-87混凝土结构工程施工质量验收规范GB 50204-2002钢筋混凝土用热轧带肋钢筋GB 1499-91混凝土强度检验评定标准GBJ 107-87砌体工程施工质量验收规范GB 50203-2002混凝土小型空心砌块建筑技术规程JGJ/T14-95多孔块(KPⅠ 型)建筑抗震设计与施工规程GBJ50026-93设置钢筋混凝土构造柱多层砖房抗震技术规程JGJ/T13-94木结构工程施工质量验收规范GB 50206-2002屋面工程质量验收规范GB 50207-2002建筑装饰装修工程施工质量验收规范GB 50210-2001建筑地面工程施工质量验收规范GB 50209-2002建筑施工扣件钢管脚手架安全技术规范JGJ130-2001、J84-2001建筑防腐工程施工施工及验收规范GB50212-2002组合钢模板技术规范GB50214-2001建筑安装工程质量检验评定统一标准GB50300-2001建筑防腐蚀工程质量评定标准GB50224-95混凝土质量控制标准GB50164-92混凝土强度检验评定标准GBJ107-87建设工程施工现场供用电安全规范GB 50194-93制冷设备安装工程施工及验收规范GB50274-98压缩机、风机、泵安装工程施工及验收规范GB50275-98建筑给水排水及采暖工程施工质量验收规范GB 50242-2002通风与空调工程施工质量验收规范GB 50243-2002采暖与卫生工程施工及验收规范GB50242-2002建筑采暖卫生与煤气工程质量检验评定标准GBJ302-88通风与空调工程质量检验评定标准GBJ304-88建筑电气安装工程质...

1、当您付费下载文档后,您只拥有了使用权限,并不意味着购买了版权,文档只能用于自身使用,不得用于其他商业用途(如 [转卖]进行直接盈利或[编辑后售卖]进行间接盈利)。
2、本站所有内容均由合作方或网友上传,本站不对文档的完整性、权威性及其观点立场正确性做任何保证或承诺!文档内容仅供研究参考,付费前请自行鉴别。
3、如文档内容存在违规,或者侵犯商业秘密、侵犯著作权等,请点击“违规举报”。

碎片内容

某电力公司安宁庄住宅小区施工组织设计

确认删除?
VIP
微信客服
  • 扫码咨询
会员Q群
  • 会员专属群点击这里加入QQ群
客服邮箱
回到顶部