电脑桌面
添加小米粒文库到电脑桌面
安装后可以在桌面快捷访问

配筋砌体工程检验批质量验收记录VIP免费

配筋砌体工程检验批质量验收记录_第1页
1/3
配筋砌体工程检验批质量验收记录_第2页
2/3
配筋砌体工程检验批质量验收记录_第3页
3/3
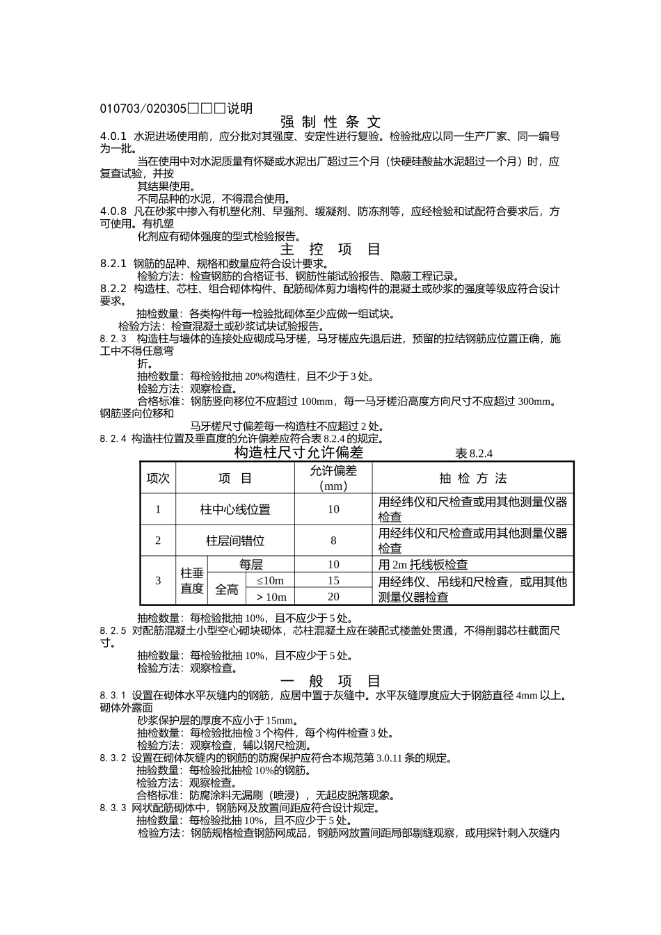
配筋砌体工程检验批质量验收记录(GB50203-2002)表 8.0 编号:010703/020305□□□工程名称分项工程名称项目经理施工单位验收部位施工执行标准名称及编号专业工长(施工员)分包单位分包项目经理施工班组长质 量 验 收 规 范 的 规 定施工单位自检记录监理(建设)单位验收记录主控项目1钢筋品种规格数量合格证书、钢筋性能试验报告。2混凝土强度等级设计要求 C3砂浆强度M=4块材强度5马牙槎拉结筋8.2.3 条6芯柱贯通截面不削弱7柱中心线位置≤ 10mm8柱层间错位≤ 8mm9柱垂直度每层≤10mm全高(≤10m)≤ 15mm全高(>10m)≤ 20mm一般项目1水平灰缝钢筋8.3.1 条2钢筋防锈8.3.2 条3网状配筋及位置8.3.3 条4组合砌体拉结筋8.3.4 条5砌块砌体钢筋搭接8.3.5 条施 工 操 作 依 据质 量 检 查 记 录施工单位检查结 果 评 定项目专业 项目专业质量检查员: 技术负责人:年 月 日监理(建设)单位验收结论专业监理工程师:(建设单位项目专业技术负责人)年 月 日010703/020305□□□说明强 制 性 条 文4.0.1 水泥进场使用前,应分批对其强度、安定性进行复验。检验批应以同一生产厂家、同一编号为一批。当在使用中对水泥质量有怀疑或水泥出厂超过三个月(快硬硅酸盐水泥超过一个月)时,应复查试验,并按其结果使用。不同品种的水泥,不得混合使用。4.0.8 凡在砂浆中掺入有机塑化剂、早强剂、缓凝剂、防冻剂等,应经检验和试配符合要求后,方可使用。有机塑化剂应有砌体强度的型式检验报告。主 控 项 目8.2.1 钢筋的品种、规格和数量应符合设计要求。检验方法:检查钢筋的合格证书、钢筋性能试验报告、隐蔽工程记录。8.2.2 构造柱、芯柱、组合砌体构件、配筋砌体剪力墙构件的混凝土或砂浆的强度等级应符合设计要求。抽检数量:各类构件每一检验批砌体至少应做一组试块。 检验方法:检查混凝土或砂浆试块试验报告。8.2.3 构造柱与墙体的连接处应砌成马牙槎,马牙槎应先退后进,预留的拉结钢筋应位置正确,施工中不得任意弯折。抽检数量:每检验批抽 20%构造柱,且不少于 3 处。检验方法:观察检查。合格标准:钢筋竖向移位不应超过 100mm,每一马牙槎沿高度方向尺寸不应超过 300mm。钢筋竖向位移和马牙槎尺寸偏差每一构造柱不应超过 2 处。8.2.4 构造柱位置及垂直度的允许偏差应符合表 8.2.4 的规定。 构造柱尺寸允许偏差 表 8.2.4项次项 目允许偏差(mm)抽 检 方 法1柱中心线位置10用经纬...

1、当您付费下载文档后,您只拥有了使用权限,并不意味着购买了版权,文档只能用于自身使用,不得用于其他商业用途(如 [转卖]进行直接盈利或[编辑后售卖]进行间接盈利)。
2、本站所有内容均由合作方或网友上传,本站不对文档的完整性、权威性及其观点立场正确性做任何保证或承诺!文档内容仅供研究参考,付费前请自行鉴别。
3、如文档内容存在违规,或者侵犯商业秘密、侵犯著作权等,请点击“违规举报”。

碎片内容

配筋砌体工程检验批质量验收记录

金钥匙书屋+ 关注
实名认证
内容提供者

热爱教育事业,爱好互联网行业

确认删除?
VIP
微信客服
  • 扫码咨询
会员Q群
  • 会员专属群点击这里加入QQ群
客服邮箱
回到顶部