电脑桌面
添加小米粒文库到电脑桌面
安装后可以在桌面快捷访问

休闲公园水世界膜结构工程施工组织设计方案(DOC33页)VIP免费

休闲公园水世界膜结构工程施工组织设计方案(DOC33页)_第1页
1/28
休闲公园水世界膜结构工程施工组织设计方案(DOC33页)_第2页
2/28
休闲公园水世界膜结构工程施工组织设计方案(DOC33页)_第3页
3/28
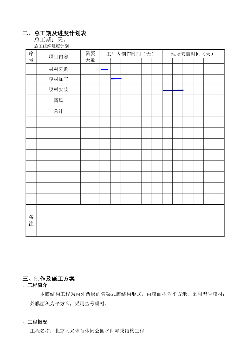
一、项目组简介1. 项目经理简历姓 名: 出生年月:年月最终学历:大学工作经历:年月—年 月 中船建筑工程设计研究院年月—年 月 豪城国际建筑师事务所 年月—年月 泰鼎国际膜技术工程有限公司 年月—现在 上海太阳膜结构有限公司 主要工程业绩: 昆明世博园膜结构(3500M2)南京二桥主线收费站膜结构(2400M2)台州国家网球训练中心膜结构(3000M2)扬州市体育场膜结构(6000M2)资格证书:项目经理2、施工人员简介姓名年龄学历实绩工作经历冬 利硕士扬州体育场、北京国际 雕 塑 园 、 大 连 工程、北京常青高尔夫球场、北京首都机场沈阳建筑工程学院上海同济大学北京嘉仁房地产开发公司今上海太阳膜结构有限公司柴洪伟大学本科扬州体育场、松下精工、大连工程— 沈阳建筑工程学院— 北京建工集团机施公司—今 上海太阳膜结构有限公司二、总工期及进度计划表总工期:天。施工组织进度计划序号项目内容需要天数工厂内制作时间(天)现场安装时间(天)材料采购膜材加工膜材安装离场总计备注 三、制作及施工方案、工程简介本膜结构工程为内外两层的骨架式膜结构形式,内膜面积为平方米,采用型号膜材;外膜面积为平方米,采用型号膜材。 、工程概况工程名称:北京大兴体育休闲公园水世界膜结构工程工程地点:北京大兴区庞各庄乡建设单位:中国建筑技术开发集团公司 施工单位:上海太阳膜结构有限公司、施工范围:膜结构工程的加工,安装、加工制作)适用范围 本手册适用于北京大兴体育休闲公园水世界膜结构工程。)依 据 “北京大兴体育休闲公园水世界膜结构工程”设计图纸。)协议事项 本手册中内容若有变更时或因书中没记述的事项而引起严重问题时,与相关人员协商后接受指示办理。)膜板制作组织流程图(见下页) 膜板制作组织如下图所示:上海太阳膜结构有限公司 膜制作工厂 厂长 山田 严 制造课 课长 毛国荣 制造负责人 李乔检查负责人 李樱)膜板制作① 制作流程图② 加工工厂的清扫及膜材的处理A.作业场所的清扫 使用吸尘器、拖把等仔细地把膜板加工作业场地清扫干净。清扫工作请在作业开始前及结束后进行。但是,如果作业中有必要进行清扫时,则视当时情况而定。在作业场所请使用室内鞋以防止外面的污垢、垃圾等的进入。膜材的展开场所不得有凹凸及突出物。 .膜材的清扫 在工厂内,若膜材上有污垢时,请用布、吸滚轮及溶剂等仔细地清扫。 .膜材的处理 有关材料的处理,为了避免在工程中...

1、当您付费下载文档后,您只拥有了使用权限,并不意味着购买了版权,文档只能用于自身使用,不得用于其他商业用途(如 [转卖]进行直接盈利或[编辑后售卖]进行间接盈利)。
2、本站所有内容均由合作方或网友上传,本站不对文档的完整性、权威性及其观点立场正确性做任何保证或承诺!文档内容仅供研究参考,付费前请自行鉴别。
3、如文档内容存在违规,或者侵犯商业秘密、侵犯著作权等,请点击“违规举报”。

碎片内容

休闲公园水世界膜结构工程施工组织设计方案(DOC33页)

知识面包店+ 关注
实名认证
内容提供者

热爱教学事业,对互联网知识分享很感兴趣

相关文档

确认删除?
VIP
微信客服
  • 扫码咨询
会员Q群
  • 会员专属群点击这里加入QQ群
客服邮箱
回到顶部